
Всех с наступающим Новым Годом.Подсмотрел здесь на драйве самодельный клепальщик для резьбовых заклепок сделал но не очень понравилось.Пока заклепка не зажата в метале она проварачивается, и выкручивается.Решил чуть усовершенствовать, и нарезать на болту и гайке левую резьбу, теперь при провороте она наоборот зажимается — идут навстречу друг другу. В первом случае болты использовал (то что валялось в гараже под ногами) от крепления верхнего рычага подвески Москвич они крепкие с буквой Х а гайки ГБЦ тоже москвича -они крепкие и широкие шаг резьбы 1,25.Слева на фото первоначальные а справа доработаные с левой резьбой Это не професиональный инструмент но заклепать несколько заклепок вполне можно




Комментарии 20
Отлично
Я сделал немного по другому :
www.drive2.ru/l/465845210698481787/
Да я делал из того что было под руками .Подшипника у меня не было.У тебя посерьезней получилось.
Работает как надо .
Добавте видео его работы
Да вот с видео -у меня проблемы.
А чем стандартный клепальщик не устраивает? Не во все места подлезть можно или что то иное?
Надо поставить 6 заклепок, а покупать стандартный, ну накладно для меня.
Ясно. Просто ставить большое число заклепок очень неудобно будет.
Да я же написал что это не професиональный.Надо поставить 6 заклепок на дверь уаза .А отдавать 3тыс за заклепочник не вижу смысла.
Pit-Psk
А чем стандартный клепальщик не устраивает? Не во все места подлезть можно или что то иное?
Стандартный заклёпочник для резьбовых заклепок? Вы его цену видели? А если нужно несколько штук поставить и потом он в жизни не понадобится то всё равно покупать😂
А тут на коленке сделана приспасоба и работает…
Не только видел но и пользуюсь. Про количество заклепок уже уточнено ранее. Несколько — да, много — нет.
Не совсем понятно устройство, раскрути и сделай фото в разобранном виде …
Да что здесь не понятного .Накручивай заклепку на болт, вставляй в отверстие и и зажимай гайку -заклепку сожмет.
Разве это ответ ?
Ну тогда не знаю как еще объяснить.
Иной раз — лучше увидеть …
Согласен, увидеть лучше.На болту в начале нарезана резьба м 6 на нее накручиваешь заклепку, вставляй в отверстие а большую гайку сгоняй, она упрется в заклепку и сожмет ее.Посмотри внимательно и все поймешь.
не очень понятна конструкция что в чем крутится? а что в чем намертво закреплено
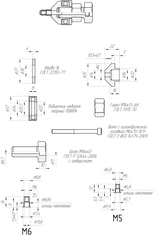
себе делал вот такой
проблема с кручением заклепки решена наличием подшипника, как результат полностью неподвижной передней части
недостаток немного громоздкая конструкция и нужно подобрать винты под сами гайки более прочные, те которыми я пользовался обычные из стромага хватает на 1-3 заклепки.
ну еще к минусам без токарки такое проблемно сдлеать
Вот что бы уйти от применения подшипника и зделана ЛЕВАЯ резьба .И использованы болты с буквой Х они крепкие.