Chevrolet Niva (1G)
Chevrolet Niva (1G) — тюнинг на DRIVE2






+14
фотографий
Приветствую, давно ничего не выкладывал по доработками нивы, все никак руки не доходили.Напишу все сразу сюда, думаю сильно огромной запись не будет, в кратце все покажу а там по вопросам, если будут…

<изображение>

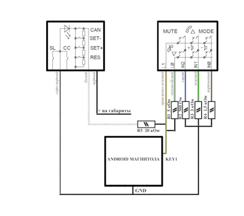
Как можно переделать шлейф в 6 пиновый за 5 минут?

Разбираешь шлейф и припаеваешь к нему еще по 2 провода, шлейф 6 полостный





+4
фотографии
Решил значит поменять пенолитье водительского сидения в сборе со спинкой. А тут помню на озоне в корзине был комплект установки поясничного упора. Вот диво дивное для автоваза)) Никогда таким не поль…





+17
фотографий
Пишу пока есть время)) Решил раскошелится и поменять все патрубки радиатора на силиконовые. Никогда такое не делал, даже и не знаю сколько прослужат) Но хочется верить что в 2 раза дольше обычной рез…





+5
фотографий
Давно хотелось подстаканник, тк часто пью кофе на ходу. И вот на озоне попался вариант подстаканника, который вставляется в воздухан водителя. По отзывам все подходит и легко встает, поэтому заказал,…





+11
фотографий
Всем привет!
Все началось с задних фонарей которые я поставил от Нивы тревела.
Нет конечно есть тюнинг варианты их не так много, а фонари от тревела в доступности и из больше.
А все началось с то…





+23
фотографии
Введение.
После ремонта генератора, 30 декабря примерно в 22 часа поехали в соседний Нижний Новгород, где провели неделю. Без приключений, но сильно потели стекла и потеют до сих пор. Не знаю пока, т…





+6
фотографий
Всех приветствую!
Купил очень удобную штуку, давно хотел нормально закрепить держатель для телефона, что бы не болтался при проезде неровностей, ранее крепление было в дефлекторе
Естественно без дора…
Всем привет. На моем Еноте завывает коробка, воет она и на холостых, и в движении. Когда я ее снимал, обнаружил, что она не родная, на ней наклейка с артикулом есть, сто процентов какая-то дешманская…





+24
фотографии
Пару недель назад купил на Озоне усовершенствованный воздуховод обдува ног водителя от ASt, поставил, в надежде, что это поможет быть моим вечно мёрзнущим ногам в тепле.
Но, поездив, понял, что чу…
Машины в продаже

Набережные Челны
Chevrolet Niva, 2017
690 000 ₽

Новосибирск
Chevrolet Niva, 2014
525 000 ₽

Самара
Chevrolet Niva, 2016
456 000 ₽

Северобайкальск
Chevrolet Niva, 2013
550 000 ₽

Шахты
Chevrolet Niva, 2014
650 000 ₽

Иркутск
Chevrolet Niva, 2013
760 000 ₽
Реклама





+9
фотографий
Доброго, друзья, подписчики и гости странички зеленой Нивы!)
Всех с наступившим Новым годом и Рождеством!)))
Намедни написал комментарий в теме про герметизацию заливной горловины в ленте тревеловодо…





+1
фотография
Собрал комплект на 30 мм, особо ничего сложного, в сети куча инфы, к сведению проставки под пружины передние и задние разные, хотел на перед поставить проставки полиуретановые но не вышло и говорят ч…




+2
фотографии
Всех с новым годом!🎄
Новый год — время подарков, один из них для меня был в виде новой комбинация приборов.
Раньше она какое то время в старом исполнении ставилась с завода, если не ошибаюсь с 201…





+17
фотографий
Всё же решил купить усовершенствованный воздуховод обдува ног водителя, дабы посмотреть, будет ли от него больше толка, чем от штатного.
Изготовлено изделие методом 3D печати.
Выглядит дост…

















































































