KIA Sportage (3G)
KIA Sportage (3G) — электроника на DRIVE2






+5
фотографий
Всем привет! Вся эта история зародилась ещё с момента поломки переключателя туманок. Снять шплинт я так и не смог для ремонта переключателя и клей не помог, не шило и т. д.
Начал мониторить переключа…

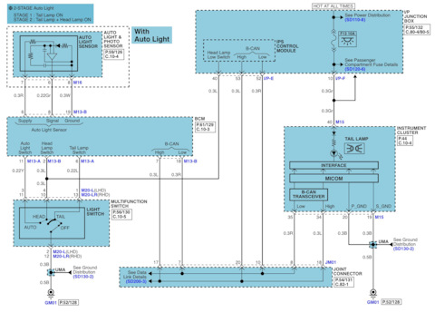
Возможно и так, пока с приборной всё хорошо, на улице светло приборка светит ярко, потемнело и яркость снижается, регулировка работает. Будем посмотреть, как говорится)). Регулировка работает после включения фар?

Вот про фары даже не знаю, не пробовал без них =) youtu.be/iYX-2U2DWa0?si=c-SPA8m0i1VUJrNv Вот нашёл видео, когда-то выкладывал показывал кому-то…

Блин торрент))





+8
фотографий
Надоел он мне мозги делать, по показателям идеальный, по факту на 3 день простоя на морозе машину завести не мог. В магазин его пытался сдать, но как если все его показатели в норме. Уже и там где я…
Собственно вопросы в заголовке. Отключить автоскладывание зеркал не удалось ни своими силами, ни сканером у электрика, ни у официальных дилеров сканером от KIA. Инженер в оф. центре сказал, что навер…





+2
фотографии
Имея понимание разницы наличия и отсутствия сажевого хотел бы поделиться некоторыми моментами касательно ухода за сажевым фильтром и мониторинга прожигов на наших дизелях.
я не хотел бы видеть коммен…





+2
фотографии
Собственно все это затеяно для борьбы с недозарядом АКБ зимой при коротких поездках. Как известно у нас стоит интеллектуальная система зарядки IBS, которая по хрен пойми какому алгоритму управляет ге…





+4
фотографии
Всех Приветствую Друзья и Товарищи)
Зимы у нас конечно очень на друг друга не похожи, сначала 13-й превратился в Хэчбэк)
ну а затем, ежегодные Крещенские морозы -27/-29
опять не обходят Ни…
Машины в продаже

Стерлитамак
Kia Sportage, 2014
1 450 000 ₽

Самара
Kia Sportage, 2015
1 200 000 ₽

Томск
Kia Sportage, 2013
1 350 000 ₽

Владикавказ
Kia Sportage, 2011
1 100 000 ₽

Сургут
Kia Sportage, 2014
1 320 250 ₽

Москва
Kia Sportage, 2013
1 449 000 ₽
Реклама





+3
фотографии
Дальний галоген был Philip’s 55w, свет ни о чем, заменил на DawnKnight H7, 6000k, пришлось немного помучатся, чтобы защелкнуть лампы в фаре, теперь света хватает!





+3
фотографии
Всех с наступившим. В наших краях 05.01 прошёл ледяной дождь, подъезжая к дому родителей увидел лампу АКБ. Думал может где вода, но чуйка подсказала 220к пробега, пора счеткам помирать. На следующий…










































































