Эта переделка более интересна тем владельцам, у которых стоят эбу Январь 5.1 и подобные…а остальным тоже полезна, для развития кругозора :)!..
Начну с того что модуль зажигания у меня GM (снят с моей восьмерки) и он исправно работал на ней .И на пассате просто отлично, пока двигатель не прогрет до номинальной температуры. После нагрева провал при нажатии на "газ" и троит … Под капотом пекло! Модуль как раскаленный не дотронешься…т.е. управляющие цепи перегреваются и двигатель троит, еле тянет.
Просмотрев не мало информации, пришел к выводу что надо ставить катушку от Калины или Газели …На газелях они тоже на ГБЦ стоят и высокая температура на них влияет в меньшей степени…Или как называют эту схему "Божья Искра"…по мне как то вычурно)…да и х.с ней.Главное результат!
что нам надо!..Катушка — Газель, Калина 720р.и тп, Два комутатора 95.37 34 500р, Комутаторная проводка 2108 110ри тп.Разъем на катушку 60р.немного гофры чтоб потом это все культурно уложить и изолента.
.Вся инфа с "драйва"!комутаторы дорабатываем, вскрываем и выпаиваем из них по одному резистору…

























Комментарии 65
Здравствуйте, схема понятна, скажите зачем выпаивать резисторы и какие ? В статье в вашей не нашел информации?
Какие именно выпаивать я нашёл на драйве. Информация доступная и копировать не стал. В нашем случае они лишние.
Понятно, мне просто нужно заменить модуль зажигания на катушку зажигания с отдельными кмутаторами, просто чтобы было два камутатора встроенные в катушку (модуль).
У меня вазовский модуль зажигания при нагреве отключал два цилиндра. Потом собрал эту схему. Работало хорошо. Подарил другу на его Ауди. А себе поставил модуль зажигания от деу нексия . Ланос. Разъём один в один как вазовский. Работает до сих пор.
Спасибо очень помогло Я уже нашёл схему и информацию в интернете какие резисторы на коммутаторах выпаивать, Я как понял резисторы выпаеваются для увеличения искры мне оно особо не надо можно и без резисторов наверное точнее не выпаивать их всё равно работать должно
Рад помочь
Ещё раз спасибо
alex-reanimator
Какие именно выпаивать я нашёл на драйве. Информация доступная и копировать не стал. В нашем случае они лишние.
Спасибо
вопрос, почему два коммутатора? а один двухканльный нельзя было?
Ремонтопригодность. Можно и двух канальный использовать.
ага) понятно
alex-reanimator
Ремонтопригодность. Можно и двух канальный использовать.
ещё вопрос, на вашей машине какая система питания была до января? и от датчика хола трамблёрного сиигнал в итоге куда то поступает? и на схеме куда идут 4 линии ГП/ СП /К /БГ- Это что такое?
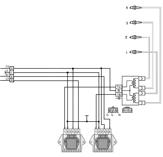
Была дигифант. От Фольксваген. Потом январь. Четыре провода . это к разъёму что идет на модуль зажигания. +12 . управление 2.3 цилиндр . минус. И управление 1-4 цилиндром. И замечу все что вы видите это работает с эбу январем! К системе Фольксваген это ни как не относится)
да это я понял уже) но в теории можно и к штатной системе зажигания подрубить так катушку за место трамблёра, гепотетически?
Гипотетически. И теоретически. Можно, но опять же откуда брать сигнал? Для катушки. Опять же надо будет датчик холла оставлять, чтобы он дал сигнал на коммутатора и соответственно коммутаторы уже управляли катушкой.
ну датчик холла и не планируется убирать, сигнал кроме как с него и не от куда брать. вот у меня навящевая идея, на внедрение 4 проводной катушки за место штатной трамблёрной, а трамбрёры на вольво и фольксвагенах тех лет по внутрянки идентичны, тот же датчик холла та же крышка всё тожесамое) .
на разных моторах разные размеры шторок в трамблере.
пока поверхностные знания про размер шторок, но их растояние как то повлияет? вернее на что влияет их рассстояние?
Я в эти дебри не уходил. Мне это не нужно), есть другие вещи.
Как на 6 горшков сделать?
скорее всего добавить еще одну катушку и коммутатор
если стоит КСЗ 1 катушка, трамблер с датчиком холла и коммутатор, ток как можно перейти на БКСЗ ?
Привет, не знаешь, на карбюраторный пассат можно такое сделать? Или надо шторку в трамблёре переделывать?
Такую вещь обычно делают с мпсз.если же делать что то из трамблера то надо будет 2 датчика холла и по мудрить со шторками.с их размером.
Привет. не могу понять если у меня газель инж. 16 кл. 2008г.в. микас 11 то мне под модуль 2112 нужны коммутаторы или на прямую ?
На газели как раз и стоит катушка. А не модуль 2112 .
да ты прав, но я хочу переделать под модуль (с коммутаторами ил без них не могу понять).
в модуле 2112 уже есть ключи (комутаторы) в нутри.а если стоит сдвоенная катушка или две катушки .то ключи управления находятся в "мозгах" микаса…и зачем тебе переделывать на модуль?
задолбали меня эти катушки каждая по разному работает, и срок службы желает лучшего, Вот и решил поставить модуль от боша
я понял тебя. но давай разберемся, что ты подразумеваешь под словом модуль.то что стоит у меня это (на фото) и есть катушка !) только сдвоеная в один блок…а модуль это h-a.d-cd.net/6c3ea22s-960.jpg
я планирую ставить BOSCH F000ZS0211 и так понимаю что эта катушка зажигания detali.zp.ua/uploads/photo/3d/8323/0027.jpg
да все верно…одну вместо двух…я думаю в таком случае комутаторы не нужны тк управляющие "ключи" есть в эбу.
спс. за два дня на форумах уже в голове каша. еще сегодня со свечами подвели (Свеча зажигания Platinum BOSCH 0242235541), обещали по 1 $, в итоге по 2.5 $ загнули.
до сих пор на ней ездишь?
на катушке ты имеешь в виду? да).только кронштейн под неё заменил…
божью искру
все отлично работает!
работает, только двиг на карты уоз не реагирует.
почему?
Позднит зажигание, так что не делай с картами уоз реакция нулевая. Ты с ней машину не откатывал?
откатывал…но уоз не трогал
у нас в городе кто пробовал откатать, все ее выкинули. Я последний остался, никак руки не дойдут ))
ну не знаю покатаем .там посмотрим…
если не предъявлять супер требования к мотору пойдет ) Поэтому у меня до сих пор на газели стоит )
да не …супер требований нет, чтоб работало…с модулем беда была .троил от перегрева .хоть на крышу прикручивай чтоб охлаждался…п
Он у тя больно не удачно стоял. А так у меня на тазу за 8 лет пару штук всего их сгорело. А езжу я по 30-40 тк в год и кручу на уровне отсечки. У нас для надежности по два модуля ставят: по одному на пару горшков — и искра мощнее и нагрузка на них меньше.
вниз его по идее надо чтоб обдувало…как на ваз …на восьмере у меня работал без закидонов…а на пассате начал…вот и решил БИ поставить… но свечные провода тогда метровые надо!)
2112 он на бошке с боку стоит норм. я на пассе еще не думал куда его воткнуть.
это я знаю.
.вот тебе и задачка)
с финансами попа ))) я сейчас в срочном порядке моник опять собираю на ПФ низе.
красивый не то слово)!(это все краска наверно)…Делал все сам, как и всегда.
блин красивый кронштейн :)) сам делал? :))
кстати копец у вас всё это дело дёшево =)
дешево?)
ну когда я ход по магазинам искал запчасти катушки нового образца от 1100, старого от 1300. вот у меня старого, сказали нового на 5.1 не пойдет…
ну бошевские катушки да, подороже 1400 вроде…А насчет нового и старого не знаю не заморачивался, мне кажется одно и то же !Если это не модуль зажигания!..в магазе продавец стал похож на оленя ) когда я ему сказал есть модуль, есть катушка зажигания, так он не отдуплил держа их в руках где и что И зачем это надо)))))
:)) я когда искал дмрв пошел в газсервис местный, там магазин не плохой и под газ и под ваз, прошу дмрв меня спрашивают какой, а я хз стал объяснять январь 5.1 будет гольф2 на нем, сказали лучше спустится к электрику спросить на всякий случай, поперся, объяснил ситуацию, тот оторвался от клиентской машины и посмотрел как на дурака со словпми: хотел бы я поглядеть на того кто будет тебе это подключать и сказал бери любой на 5.1 все подойдут :)))
…)))) полный абзац))))…добавит нечего!))))
тазогонщеги говорили что божья искра это модно но с задержкой зажигания =)
в смысле с задержкой зажигания?а насчет моды не знаю…мне надо было чтоб нагрев двигателя не влиял на "искру"
просто все плюсы божьей искры сводятся к мощности искры ))
Dugi
тазогонщеги говорили что божья искра это модно но с задержкой зажигания =)
ЭЭэххх, Пряма глаза плакать хотят от увиденного, Божья искра-нужна для того что бы искру не сдувало при тахометре в красной зоне, что она была, была всегда и хорошая мощная!
эм… ну так то да. но как бы на наддувных моторах искра хреновеет не только в красной зоне…
Как разговаривает мой друг приежая в автосервис -У меня такой проблема, и у меня тоже такой проблема, я зажал свой мотор и начались проблемы с искрой, прошивой говорит ставь -Божью Искру-.
ничё не понятно. в данном случае ставят божью искру чтобы не мудохаться с модулем зажигания от 5.1 потому как он стоит дохрена сам по себе, во вторых ещё как оказалось поискать их надо и главное они не любят жар.