Всем привет. Давно не мог подключить зеркала, свободного времени на машину не было. И вот наконец-то дошли руки до подключения обогрева зеркал. Об установке зеркал писал ранее .
Подключать сначала хотел просто к проводу обогрева заднего стекла. Ведь обогрев зеркал и заднего стекла как правило используются одновременно в дождь или снегопад. Но поизучав детально опыт людей, пришёл к выводу что надо делать на отдельную кнопку и вот почему: обогрев стекла потребляет примерно 11,5А, в то время как оба зеркала всего 3А. Включая всё сразу сильно садиться напряжение. К тому же например в темноте обогрев стекла можно не включать, т.к. машина тонированная и всё равно через стекло ничего не видно. А вот зеркала в любом случае нужны. Чтобы не гонять генератор просто так, зеркала на отдельную кнопку лучше, пусть работают независимо друг от друга.
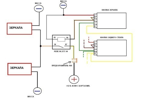
Я в электрике соображаю очень туго, поэтому прежде чем начать что-то делать пришлось разбираться, как всё работает, а также прибегнуть к помощи отца (и не зря). Для подключения использовалась схема:

Всё делали по схеме, единственное плюс для зеркал брали от прикуривателя. Провода идущие к бортовому компьютеру как-то не внушали доверия.
Для подключение было приобретено:
— кнопка обогрева заднего стекла + колодка
— 4-х контактное реле + колодка
— предохранитель на 7,5А + колодка
— болтовые клеммы
— провода
— ежи для обшивки.

Кнопку заднего стекла дорабатываем острым предметом (скальпелем или иголкой), придаём вид зеркала.

Получилось неплохо.

Скрутить часть схемы можно на столе.

Провод массы от зеркала идёт короткий, явно расчитанный для подключения на двери. Поэтому удлиняем провод. А с водительской стороны и плюсовой провод оказался короткий, не дотягивается до центральной консоли. Судя по всему расчитанный для подключения к проводке обогрева заднего стекла, идущая вдоль порогов водительской двери (как всё примитивно). Поэтому и его тоже удлиняем.

От зеркала тянем проводку вниз вдоль внутренней стенки двери, убедившись что провода не мешают опускаться стеклу. Для того чтобы провода не гуляли, лучше их закрепить, например изолентой к существующей проводке. Далее вытаскиваем с обоих сторон резиновую гофру и протягиваем оба провода (+ и массу) в гофру. Так просто они не пролезают, поэтому лучше взять толстую проволоку и протащить провода с проволокой.
Приступаем к протягиванию проводки. Массу было решено брать из салона, т.к. брать массу на двери не есть хорошо. Она может быть слабая и непостоянная, в следствии чего зеркала могут плохо греться. Разбираем обшивку двери.

Откручиваем накладки на пороги.

Ниже петель в салоне можно видеть отверстие, в которое можно вывести в салон провода. Для этого необходимо провода из гофры опустить в самый низ внутри стойки и вынуть из дырки. Сделать это оказалось самым сложным занятием. Толстая проволока пролезает, но проволока с проводами застревает внутри, судя по всему места внутри мало. Поэтому пришлось просто опускать провода и ловить их внизу.

Разбираем центральную консоль. Традиционно трудней всего было снять рукоятки регулировки климат-системой, т.е. рукоятки вхарю-вноги, печка-улица и лобовое. Для этого надо исхитрится отжать отвёрткой пластмассовые фиксаторы от металлических регулировок, а потом эти отлетевшие рукоятки искать под сиденьем. Но я нашёл!

Откручиваем все шурупы удерживающие центральную консоль, чтобы можно было подлезть и протянуть провода.

Тянем провода от зеркал под ковром к центральной консоли. К минусовому проводу скручиваем болтовую клемму, и можно сажать на металлический каркас внутри торпеды.

Далее подключаем провода по схеме. На габаритную подсветку нашей кнопки берём от кнопки обогрева заднего стекла с белого провода. А на включение — с жёлто-синего провода.
Кнопку обогрева зеркал сажаем на минус 2 чёрных провода, а на реле ведём 2 зелёных провода, хотя можно и один(второй пустой). Цвета проводов колодки могут отличаться.

Вроде всё собрали, всё супер. Пробуем включить габариты – кнопка светится. Включаем саму кнопку – не работает. Странно. Может кнопка не рабочая. Попробовали взять кнопку от обогрева стекла, тоже не работает. Попробовали включить сам обогрев стекла, и он не работает, хотя всегда работал. Так что же делать? Полезли в блок предохранителей, глянули а оказалось предохранитель на 20А сгорел. Ну хорошо что у меня оказался запасной. Всунули, обогрев стекла заработал, включаем обогрев зеркал – не работает. А потом и обогрев стекла не работает. Опять предохранитель сгорел. И опять к счастью у меня оказался ещё один запасной.

Начали смотреть проверять подключение. Вроде всё правильно включено, но подозрение пало на реле. Попробовали взять плюс для реле от прикуривателя — заискрили провода и магнитола выключилась. Значит замыкание.
Гадать на кофейной гуще бессмысленно. Поэтому надо действовать по уму — пришлось задействовать тестер и прозванивать всё по порядку. Проверили само реле — оно щёлкает. А реле в колодке уже почему то не работает. Подозрение пало на защитный диод который соединяет 85 и 86. Было решено попробовать его перерезать и О чудо – реле заработало.

Пришли к выводу, что судя по всему защитный диод был не той стороной припаян и сгорел после включения питания, и в следствии чего происходило замыкание. Или вообще колодка не для этого реле. Пришлось припаивать новый диод.

Всё собрали, подключили и заработало. Зеркала греют. Из-за какой то ерунды вся схема не работала. Сам бы я не догадался в чем может быть дело.
Фиксируем провода изолентой, чтобы не болтались. Вот что получилось.

Собираем всё что разобрали и радуемся. Для обшивки купил новые ежи, чтобы обшивка лучше сидела.

Также мною было куплена кнопка передних противотуманок. Противотуманок у меня нет, но заглушка как то напрягает. Кнопку сразу подключил, т.к. колодка под торпедой уже есть. Светит она почемуто немного ярче остальных кнопок. В итоге осталась одна заглушка, пока не знаю как её задействовать. Вот готовый результат.

Что касается самих зеркал, то греют они отменно. Нагреваются буквально за пару минут. Не сказать что прям горячие, но очень даже тёплые. Зима покажет как они себя зарекомендуют. Но что касается обзорности зеркал, то они уже отлично себя зарекомендовали. Видно всё что делается сбоку. Также очень помогает правая асферика, неоднократно выручала при перестроении, когда машины были прям сбоку и их с обычными зеркалами небыло бы видно. Не зря пришлось заказывать именно такие.






Комментарии 110
А зачем реле? Ток там мизерный! Что там разгружать-то? Чтоб прикуриватель не прикурил?)) Почему двери хреново использовать для массы? С завода у ЭСП масса запитана на двери, а там ток не маленький, само сечение провода массы тоже не маленькое. Петли дверные массивные, площадь не маленькая, и инженеры АВТОВАЗа не такие дураки, если бы было хреново, то не стали бы вешать массу на дверь! Почему масса должна пропадать и быть плохой? Посетуйте, пожалуйста
Вечер добрый! Такой вопрос. Обогрев зеркал можно только подключить только на кнопку обогрева заднего стекла (имею ввиду отдельную) или можно другую купить?
Любую, какая нравится)
Доброго времени суток!)
Схема, указанная в начале поста в итоге рабочая?)
Можно ей руководствоваться, или что-то доработать надо?)
И по поводу реле- брать указанное в схеме, или какое-то другое?)
Все отлично работает, уже который год)
Интересно. Отверстие под петлями есть. Но из того отверстия, где гофра, вниз не попасть… Там перемычка какая-то что ли…
Сделал все по схеме.
Сначала грело, но на след день не греет.
И во теще что, при выкл. кнопки габариток подсветка обогрева горит, при включении габариток уже не горит.
При этом нажимая кнопку габариток слышен шелчек релюшки обогрева.
ну раз грело, наверное стоит проверить контакты, масса и прочее. может чтото отошло
Я понял. А почему тогда при вкл. кнопки габариток, индикатор обогрева гаснет?
Как я понял, обогрев работает только при вкл. зажигании?
да
Меня интересует ты обычное рэле взял или тепловое? Тоесть ты их вкл и выкл? Просто если я правильно понимаю то они должны сами откл.
нет, обычное. я их в дождь и не выключаю.
что за фигня с двумя зелеными проводами?
Всмысле?
Колодки для реле и кнопки для удобства присоединения взял или в этом какая-то необходимость? Для чего диод стоит в колодке?
норма, я на своей подключал к подогреву заднего стекла.и норм.
Т.е. можно без проблем подключиться просто к кнопке включения обогрева заднего стекла? А то для себя не вижу смысла делать отдельную кнопку.
привет, скажи, а у тебя на кнопке которую ты купил контакт С был? я сколько кнопок проглядел там нет контакта просто дырка под него.
привет. не помню. давно это было)
я просто в магазинах кнопки смотрю, там не хватает этого контакта.
его там нет
А почему не подключился в штатной кнопке обогрева заднего стекла?
так написано же. что обогрев стекла жрет много, а зеркала немного. чтоб не нагружать сеть, если мне нужно только зеркала просушить. я так и пользуюсь раздельно, очень удобно. редко когда есть необходимость включать и зеркала и обогрев стекла
День добрый! Подскажи 85 и 86 контакт на реле надо соединять между собой или нет? А то я на 86 контакт кинул массу, а на 85 контакт провода с кнопки. Так как со схемами ни очень, вот сижу думаю почему не работает реле щелкает, подсветка кнопки тоже но зеркала не нагреваются.
Здрав будь ! Реле с какой телеги брал и сколько денег отдал ?
Приветствую. Что значит с какой телеги? Покупал в магазине, уже не помню почем, порядка 100-200 рублей.
благо дарю !
Привет
подскажи а кнопка с фиксацией или без?
Да
да — с фиксацией?
С фиксацией. Это кнопка от обогрева заднего стекла.
Вчера собирал все по схеме, все работает, греет)) только вот один косяк нашелся. когда вкл или выкл любую из кнопок обе щелкают( подскажите, у кого была такая фигня?
В общем установил зеркала, с обогевом, провода прокинул.осталось, подключить. Схема точно рабочая? Колодку просто к реле надо правильно подключить?
Всех тонкостей не помню уже, но всё по этой схеме делается.
Спасибо.буду пробовать.а то схем много в интернете. Эта вроде самая понятная))
Написано что прошло уже почти два года с момента установки подогрева. И спустя все это время ставил бы, пользуешься ли подогревом? Может что то хотел переделать?
Стоит ли ставить?!
Я считаю подогрев надо ставить с завода, но это же ВАЗ, у них машины самим доделывать надо. Пользуюсь не часто, когда дождь, или вечером когда всё запотевшее, и зимой. Вещь очень нужная. Всё как поставил меня устраивает. На отдельную кнопку очень удобно))
Вчера зеркала подключил всё работает отлично только плюс брал от бк а не от прикуревателя
Спасибо за схему подключения
Пожалуйста)
Привет. Не могу в курить в чем проблема. В общем все подключил как у тебя по схеме. Кстати эту же схему на этом же сайте я уже видел. В общем подключил все и тишина. Обогрев заднего стекла работает, подсветка кнопки работает. Кнопка подогрева зеркал подсвечивается но не включается. Разбираю реле на обогрев зеркал перерезаю диод между 85 и 86 контактом. Реле заработало, зеркала греют, но только если включена кнопка обогрева заднего стекла. Плюс на предохранитель брал с прикуривателя
Если честно, рад помочь, но я уже и не помню как там чё делается, и я в электрике не шарю практически. Тут уж лучше сам смотри. У меня была проблема в релюхе как раз.
Bobrov-Oleg
Привет. Не могу в курить в чем проблема. В общем все подключил как у тебя по схеме. Кстати эту же схему на этом же сайте я уже видел. В общем подключил все и тишина. Обогрев заднего стекла работает, подсветка кнопки работает. Кнопка подогрева зеркал подсвечивается но не включается. Разбираю реле на обогрев зеркал перерезаю диод между 85 и 86 контактом. Реле заработало, зеркала греют, но только если включена кнопка обогрева заднего стекла. Плюс на предохранитель брал с прикуривателя
Сам собирал по этой схеме вчера — она не работает. Поглядел схему электропроводки (цветную) и все стало ясно. Собрал по своему и все заработало. Если надо, попробую вспомнить как собирал (сейчас лень). По поводу диода — даже не знал о его существовании, на схеме реле его не было, в колодке — тоже. Значит у меня он отсутствует, либо не нанесен в схему реле и мне повезло с "угадыванием" полярности =)))
В монтажном на одном контакте реле был обрыв. Подключили в обход дорожки. Большое спасибо!
Спасибо за отклик! Подключал знакомый, опыт у него в подключении есть. Схема простая, один провод со стекла на дверь, второй провод скрутил на плюсе с кнопки. Насколько я знаю обогрев заднего стекла пропал сразу после подключения, может быть могли что-то задеть? Не подскажете откуда идут провода до обогрева? Реле менял на другое, не помогло. Насколько я понимаю тут дело может быть только в проводах идущих до обогрева, но где они проходЯт я не знаю((
Провод плюсовой обогрева заднего стекла идет по полу под стоковой шумкой и ковролином рядом с порогом водителя вместе с остальными проводами, идущими назад. Он оранжевый; сечением жил не менее 1го квадрата на сколько помню).
Откуда плюс на кнопку был взят? И кнопка эта для зеркал отдельная?
b0ringh3ll
Спасибо за отклик! Подключал знакомый, опыт у него в подключении есть. Схема простая, один провод со стекла на дверь, второй провод скрутил на плюсе с кнопки. Насколько я знаю обогрев заднего стекла пропал сразу после подключения, может быть могли что-то задеть? Не подскажете откуда идут провода до обогрева? Реле менял на другое, не помогло. Насколько я понимаю тут дело может быть только в проводах идущих до обогрева, но где они проходЯт я не знаю((
Я провод один раз проверял этот тестером прям на клемме обогрева (с левой стороны плюсовая) и в монтажном блоке на контакте реле. Использовал длинный проводник как удлинитель для тестера.
Ребят, у меня подключение обогрева зеркал сделано к кнопке обогрева заднего стекла и в итоге пропало напряжение на обогреве заднего стекла, а зеркала греются нормально… Пробовал другое реле, другой предохранитель, другую кнопку — история одна и та же. не подскажете в чем может быть дело? Лампочка при включении обогрева вообще не загорается… Прислушивался к реле — щелчков вообще не слышно. либо я глухой
А немного поподробнее насчет того когда пропало: сразу после подключения? Или через некторое время?
Инетерсно также
— кто подключал, есть ли схема?
— а при включенном обогреве зеркал обогрев стекла включается?
— а пробовал менять реле в ЧЯ или хотя бы тестером проверять наличие напряжения в цепи контактов 85-86 (реле обогрева стекла)? (после нажатия кнопки)
— пробовал замыкать контакты реле обогрева стекла в ЧЯ 30-87 куском хорошей проволоки или скрепкой? Лучше замыкать при выключенном зажигании. Зажигание включать удостоверившись в хорошем контакте. Я так начинаю проверять карлсон системы охлаждения ;-) (Правда он не в цепи зажигания — включается сразу при замыкании.)
Я вроде не глухой, но без музыки редко слышу щелчки реле поворотов ;-) Такие сейчас реле, что в полной тишине слушать надо напрягая слух.
1. Диод не защитный — а гасящий паразитные (индукционные) токи, возникающие в катушке реле при его отключении.Эти токи должны уйти на массу при пропадании напряжении на реле.
2. Колодка правильная. Вы просто неправилно соединили 85 и 86 выводы. Надо было наоборот, чтобы диод стоял следующим образом: "-" --|>|-- (диод схематично) "+" ;-). Не помню с какой стороны 85, с какой 86. Хотя может "повезло" с диодом. Но это шанс 1 на 10-100тысяч. :-)
3. Кстати, такую колодку еще не встречал в автомагазинах. Мне попадались только 5тиконтактные без диода :-)
Ага, спасибо за инфу. В электрике дуб дубом. А колодку мне с витрины сняли, так что неизвестно сколько она у них висела. А может просто не так подсоединяли.
Пожалуйста :-)
Я и сам не очень силен в электрике. Но считаю что познаний достаточно чтобы в вазовских авто ковырять ее ;-) В случае чего гугл в помощь ;-)
А про диод сам на днях прочел на сайте автоэлектрика ;-)
vovik8.ru/page/relau/
Аааа, ну тогда логично) Не досмотрел.
Может я чего то не знаю, но не проще ли просто врезаться в проводку обогрева заднего стекла? Я себе на 2108 купил зеркальные эдементы ERGON, установил в блоки, провел проводку, и врезался в обогрев заднего стекла. Это было еще в 2009-м, так и продал авто в этом году, все работает без нареканий.
Конечно проще, как на иномарках) Но я написал, что мне так удобней, т.к. обогрев стекла много потребляет, а в тёмное время суток его нет смысла включать, всё равно не видно через тонировку.
Да бывает банально обогрев заднего стекла просто не нужен. Например в дождь (если не потеет снутри). Или сильный снегопад при околоплюсовой температуре (все равно стекло будет засрано). А кушает он действительно очень много ;-)
Это точно.
Да, кстати, у меня на 15ке задок в усмерть тонирован, но я в темноте вижу через салонное зеркало 8-). Особо тяжелых случаях помогают ночером при езде задом включенные задние противотуманки ;-).
Правда я давно уже им не пользуюсь, если не паркуюсь задом к другой машине. За что периодически в незнакомых местах задком то столб "облизну", то дерево =). Хорошо хоть тихонечко финишную часть маневра выполняю :-)
хаха, повеселил. поэтому я и поставил парктроник))) жалко машину, она ещё новая.
А мне не жалко, на то он и бампер ;-)
Когда вдоль дороги в оживленном месте паркуешь, все равно найдется мудила/чайник/туфелька, которые его "облизнут". Так что я просто философски подошел к вопросу ;-)
Да, это точно.
спасибо! напиши если вспомнишь что-нибудь)
его ослаблял. почти уже наполовину открутил, и всё равно( думал что контакты под стеклом в стенку упираются, так их тоже немного отогнул. нифига((
Тогда может открутить крепление к двери. я помню был косяк. как исправил не помню уже. может когда вставляется зеркало в корпус, неправильно вставляется.
А у тебя само зеркало после установки хорошо регулируется? а то у меня после установки оно смотрит слишком низко, а выше поднять не получается.
было у меня такое. непомню как исправил. попробуй ослабить болт с пружинкой, который держит зеркало под заглушкой.
Зачетная статья! Все грамотно расписано!
Спасибо)
спасибо за подробную инструкцию, тоже буду на днях ставить
Всегда пожалуйста ;)
на других кнопках (противотуманки, задние противотуманки) тоже нет этого контакта, походу он не нужен )
а у меня на кнопке обогрева 4 контакта(А, В, 1,2), "С" контакта нет ((( . Что делать?
незнаю. на самой кнопке 4 контакта, или на колодке?
на самой кнопке 4 контакта, а вот С пустая
Погляди на других кнопках, если ли этот контакт. Может он и не нужен. Я уже и непомню как там что сделано.
получил сегодня зеркала, на днях займусь подключением, спасибо за описание и схему
Да незачто)) Удачи!
молодец, респект. бортовик кстате классный, у меня такой же))
Ништяк, подскажи пожалуйста, а реле как называется. Тоже хочу замутить?
Да просто 4-х контактное реле. И колодка к нему.
т.е. я так понял, всё таки в стойке есть маленькое отверстие, через которое реально протянуть провода вниз, где порог? а то мне казалось что там глухая стенка и обойти только проводами вверх если.)
Конечно можно. Там во что-то упирается в районе петли, но протащить можно.
тогда надежда есть на успех))))) а провод примерно какого диаметра там пройдёт?
Я брал 1,5 мм2. Нормально проходит. Просто надо изловчится чтобы просунуть.
а если на кнопке отсутствует контакт С можно на массу кинуть контакт А?
точно не знаю, но наверно можно.
PlushTeddyBear
а если на кнопке отсутствует контакт С можно на массу кинуть контакт А?
там от кнопки идёт 2е массы, верхняя с индикатора включения, нижняя с подсветки кнопки, на современных кнопках эти два контакта спаяны, поэтому идёт только один провод, либо с А либо с С.
Ставь кондей, тогда вместо заглушки можно кнопку включения кондея воткнуть :)
Хаха, уж проще просто кнопку воткнуть)))
Красавчик! Где ты раньше был) я уже к электрику съездил…
Да всё небыло времени. Хорошо к зиме успел. Вообще довольно запарно устанавливать если никогда этим не занимался, хорошо что съездил к электрику.
Хорошая работа! Себе так же все делал — только провод от зеркал ни как не могу в салон пропустить. А так зеркала, кнопка, реле — все на месте уже с лета. С лева так же вниз к порогу провод пропускал?
Да также. Там в районе петли упирается во чтото. Мучился долго чтобы просунуть.
Вот я тож пытался — подумал что нет там сквозного отверстия. Спасибо, теперь точно проведу.
теперь не страшны морозы
Ага, и ледяной дождь, в том году попал.
я помню раз ехал по ледяному дождю что ни дворники не помогали ни обогрев стекла ехал на ощупь, теперь мысли уже о подогреве хотя бы низа для дворников
Хорошо всё сделал! Молодец)
Спасибо))
Отличная РаботА, молодец все грамотно!
Спасибо большое!
Круто, полезная опция, в плохую погоду то, а я бы сам с электрикой не разобрался, тоже не дружу совсем с ней, даже омыватели так и не починил))А ты вон пол машины разобрал
Разобрать то одно, а подключить другое. Без бати врядли сделал. Теперь чуть больше комфорта в авто, лишённого заводом. Тебе надо прозванивать омыватель.
Это да, теперь надо еще противотуманки тебе воткнуть, совсем супер будет. Да мы прозванивали, толку то, разбирать то не стали, там все под торпедой, я схемы нашел на омыватели, а так времени и не было проверить спокойно
Ладно, разберёшься ещё. Туманки нужны, но как их поставить надо думать.
может вместо оставшейся заглушки кнопку аварийки нового образца поставишь? намного удобнее нажимать: www.drive2.ru/cars/lada/2…4062246863888506927/#post
Раньше думал зачем все переносят, а сейчас сам подумываю так сделать. Может и поставлю, надо же чем то заполнить.
вот-вот. я тоже сначала не планировать её ставить, но как надо руку согнуть чтобы поблагодарить кого-то — это жесть (а благодарить приходится часто). поэтому решил поставить её
Конструкторы ВАЗ явно не благодарные люди, незнают что её надо в нормальном месте размещать. А на приборке мелькающий треугольник мне понравился. Незнал что он там есть.