Первый автомобиль на котором я решил установить радиатор АКПП.
Никакого колхоза делать не хотелось, все максимальный сток.
Радиатор от LandRover отпал ввиду его дороговизны. За основу построения радиатора АКПП был взят радиатор от соплатформенника Ford.
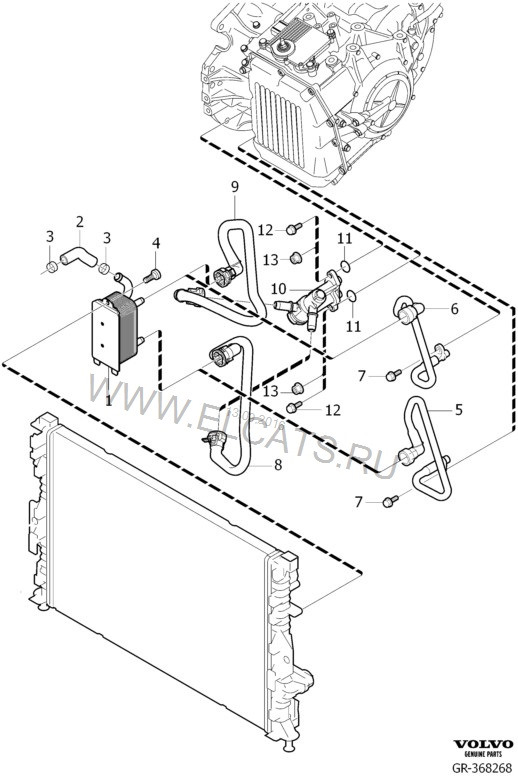
Встает в верхнюю часть радиатора. Два кронштейна на основном радиаторе идеально его фиксирует, не хватает только одного верхнего фиксатора. Был изготовлен из алюминия.



Шланги взял GATES масло бензостойкие, быстросъемы Ford, хомуты нержавека Volvo и защитную оплетку для кабелей "чешуя змеи". Чтобы оплетка не трепалась усадил на термоусадку.


Вот так в собранном виде выглядит бутерброд радиаторов.


Все собрал! Масло поменял на Petrocanada. Мне оно больше нравится, и цена привлекает.


Пока замеров не делал, не было времени, может жара придет сделаю замеры. Радиаторы заодно промыл )))
Комментарии 137
Евгений, здравствуйте. У Вас инструкции по установке этого комплекта не осталось?
Доброго времени суток, подскажите, заказать доп радиатор охлаждения АКПП со всеми комплектующими на вольво хс70 3.0 Т6 2013 год, у вас возможно? Ещё актуально?
Давно уже не собираем
Здравствуйте хочу тоже доп радиатор поставить на хс70.а можно ваш контакт.
Жень подскажи, для подключения фордовского доп.радиатора, внутренний диаметр используемых шлангов 10мм или 12мм?
Многие пишут 10мм но на быстросъеме НОРМА хвостовик 12,6мм.
Привет) тоже интересует набор xc70 d5 2011 .А зимой масло не будет очень вязкое?
быстросъемы Ford- отдельно продаются?*
Здарова, а где купить это набор подскажи.
Подскажите пожалуйста, правильный номер радиатора. а то приобрел вот этот 5165817, а он совершенно другой…Не может же быть чтоб два разных радиатора были под одним номером
Радиатор охлаждения акпп-1357588, Dominant FO13057588, масло Petro-Canada DDMVATFC12, Патрубок охлаждения АКПП нижний-ZV1323817, верхний -ZV1488219
Комментарий удалён
Комментарий удалён
Вот что пришло под номером 5165817
Комментарий удалён
И от меня тоже спасибо, а то я уже на б.у. почти повелся.
Евгений здравствуйте. Скажите пожалуйста, я могу переобрести доп радиатор у вас на коробку на вольво v70
Комментарий удалён
а фотки радиатора нет
xc70 2008 г. D5 подойдет
вопрос такой, а на s80 2007 он встанет?
К сожалению нет
А почему?
Радиатор ГУРа мешается
Но они дают гарантию, и это главное, кому как делать решает сам .
Радиатор нашёл -4100, термостат 1300, шланги хомуты около 2000 руб, прямые руки и знания теории гидросистем и охлаждения и всё получится . А вольво град 12000 руб только за радиатор и шланги хочет + за работу на меньше 10000 руб .
Привет! Подскажи у стандартных шлангов акпп какой внутренний диаметр?
8 мм если не 6
Комментарий удалён
Спасибо тебе дружище за номерок!
Приветствую, какие условия, сроки. Живу в Калининграде. ХС 60 2013 года. Собираюсь мыть радиаторы и менять масло.
Тема с комплектом ещё актуальна?)))
Да, www.drive2.ru/market/offers/186382
Земеля, и как ощущения после установки? Термобаланс двигателя не ухудшился? Как сказалось на работе коробки?
Теперь ещё в бампер сетку защитную для радиаторов надо поставить: www.drive2.ru/l/9724075/
Привет. Комплект не готов? Очень нужно.
Засада с комплектующими. (((
Жаль((( придется колхозить самому. Твои радики ведь от фокуса? Или Куги?
Цена вопроса радиатора, ?
www.drive2.ru/market/offers/186382
Спс
Привет.тоже собираюсь ставить на лето радиатор акпп.по фото, так вы теплообменник оставили? Как именно вы подключали радиатор не обходя теплообменник?можно подробней?у меня акпп еще без термостата.ломаю голову, как лучше подключать радиатор.
Подскажите на фрилендер 2 встанет?
Вроде радиатор охлаждения и штатный акпп совпадают…
У нас дополнительный крепится прямо над интеркулером…
Думаю встане. Если интересно: www.drive2.ru/market/offers/186382
Тоже заморочился установкой такого радиатора. Канечно поинтересовался у автора. Смог бы продать отдельно быстросъемы, но увы коммерческая составляющая главная. Авторские права ни кто не отменял. Сделана классно за это спасибо. Сами быстросъемы ни кле не нашёл. Облазил все магазины, грузовых, вызов, газелей и т. п. Исено таких нет. Да от Каменса есть трубки стоимостью по 400 рублей. Но хочется всё-таки на вольво поставить хорошие детали. Самы быджетный вариант это вольвовская трубка 31319277. Цена около 2 000 рублей. Так что скоро буду ставить .
Скажите а на хс60 2014 тоже можно установить?
Да
Можно в эту же тему добавить такую же установку мне — мелкосерийная пошла ну и не только мне
Комментарий удалён
Надо вин смотреть. может у вас и нет охладителя ГУРа уже.
Я тоже поставил радиатор и доп.масленный фильтр, он за 20т. км так забился, что масло начало выдавливать на входе фильтра, хорошо запасной был. Зато теперь коробка очистилась, стала работать мягко и масло красного цвета а не коричневое как было. К стати масло залил toyota atf ws, у меня 2013 г.в.
Как работает коробка на этой жидкости? Тоже думаю её залить.
Хорошо работает, недавно вторая замена была этого масла. Есть ещё аналог Идемитсу, за 12 литров дешевле на 5т. В следующий раз хочу его попробовать.
Про идемитсу я читал, пишут, что оно идёт как основная замена тойота ws.
Привет. Подскажи пожалуйста, на xc70 2008г, D5 подойдёт такой радиатор?
Нет. У вас на этлм месте радиатор от гура стоит
А как быть тогда в этом случае? Искать другой радиатор? Странно а как тогда у Вас жидкость ГУР охлаждается.
Жень, есть номер масла Petrocanada? В городе нет, только на заказ.
покупаю коробками, номера нет
vaucher
покупаю коробками, номера нет
Такое?
да
большая просьба. в тексте самой записи напиши пожалуйста когда всех всех запчастей)
Можно вопрос? А где стоит штатный термостат коробки?
На акпп прямо и стоит )))
Пытался по каталогу найти. Не смог. Нет случаем картинки или номерка под рукой? У меня 08 год. Хочу попробовать внедрить себе на коробку.
см позицию 10
Добрый день.
Номера не подскажешь быстросъемов, а то я не хочу пилить штатный шланг, а радиатор уже стоит.
Блеаеае., от форда подходят фиксаторы на шланге, а я родные покупал по 6000, вот не хватает злости.))
Кстати, не раскрыт способ подключения. Последовательно с основным или вместо?
Последовательно
Женя, если жалко артикулы указать, нафига этот пост тогда? От того, что кто-то повторит, у тебя убудет? :)
Коммерческая составляющая )))
Если интересно 10 000 комплект, могу выслать.
Понял, вопросов больше нет :)
Сам пока в сомнениях ставить или нет. Замерял дайсом, выше 95 получить не удалось
Если надумаю, обращусь ))
Я это больше к чипу готовлюсь ))))
ant0nk0
Понял, вопросов больше нет :)
Сам пока в сомнениях ставить или нет. Замерял дайсом, выше 95 получить не удалось
Если надумаю, обращусь ))
Не надумал?:)
Взял :)
Толк есть?:)двигло 1.6? Я просто подумываю еще.
Еще не поставил. Забрал только 2 дня назад. Двигло 2.4
Эх, везет тебе) На мою 1.6 точно надо ставить, по ходу.
vaucher
Коммерческая составляющая )))
Если интересно 10 000 комплект, могу выслать.
Это с радиатором?
пиши в лс
А скажите такую вещь:
— Шланги Gates выдержат давление и температуру в коробке?
— Какой брали (топливный на 10мм)?
— Как сейчас у Вас состояния соединений?
— И если врезать доп.р., то может подскажете переходники какого диаметра брать?
Спасибо
12 ММ шланг. А что с ними должно быть? Там нет давления высокого.
vaucher
Коммерческая составляющая )))
Если интересно 10 000 комплект, могу выслать.
А что входит в комплект?
И термостат обязательно надо ставить?
У меня ХС70 2009г штатно нет его
На 2009 год не посиавить, у вас на этом месте радиатор ГУР стоит. Только с 2010MY можно мтавить.
ant0nk0
Женя, если жалко артикулы указать, нафига этот пост тогда? От того, что кто-то повторит, у тебя убудет? :)
1446535-номер радиатора, Ford Mondeo IV 2007-2015.
avtodetal9.ru/?s=1306040&search=Поиск
номер 1306040
Привет. Очень мне нравится, когда люди подходят к любой проблеме с любовью и с грамотной технической стороны. Супер.
Блин, текст прочитал, посмотрел картинки — це ж Вольвоград. Посмотрел кто автор и всё понял.
Привет землякам!
А номер радиатора кто-нибудь скажет?
avtodetal9.ru/?s=1306040&search=Поиск
номер 1306040
Ваучер, и ты туда же?.. Термостат то хоть внедрил?
Термостат с завода, если не понравится сниму.
В смысле с завода? Я думал, что там прямая связь с теплообменником. По идее же надо отдельно еще и на доп.радиатор свой термостат, что бы подключался в контур исключительно при приближении к верхней границе нормальной температуры
С завода стоит термостат. С 2013MY на всех авто усианавливается штатно.
Я так понимаю, он пошел на "новых" коробках с более жидкой жижей
Нет, новая жижа с 2010 года пошла.
У меня 2012мг (2011гв), жижу вида выдала старую
Не может быть. Скинь вин в личку
Скинул. Может конечно мы разные жижи "старыми" называем :)
Старая 640, новая 775
Вот 640 мне и пробивали по вину, что в московском клубном сервисе, что в Калуге
vaucher
С завода стоит термостат. С 2013MY на всех авто усианавливается штатно.
а на 2011 год (MY 2012) надо ставить?
MEFistofeles
В смысле с завода? Я думал, что там прямая связь с теплообменником. По идее же надо отдельно еще и на доп.радиатор свой термостат, что бы подключался в контур исключительно при приближении к верхней границе нормальной температуры
До компа доберусь выложу фото
ты бюджет то напиши по запчастям, а то народ думает, что все копейки стоит…
и по времени сколько ты часов пять прозанимался…
… ну что если все путем — готов отдаться… как обычно :)
Дядь Лёнь, ты тоже кстати ПК заливаешь?
Да, первая замена была на 50-ти, вторая на 90 (уже писал меняли хорошее на новое) — доволен на все 200% — зимой коробка в мороз не тупит пока греется, летом переключения мягче и незаметнее
Короче говоря не жалеешь что не залил тойоту или оригинал например?)
80-ка отбегала на оригинале 200 тыщ (раз в 60 замена) — тоже не было вопросов, ПК и дешевле и по мне мягче коробка работает
Я думаю мягче, это потому что у тебя поколение тф80 новее, чем у меня и у тебя на 80ке было!
а так на 80ке сам сделал все таки выбор в пользу ПК, хотя порой читаю наши форумы — и говорят мультик зло и лучше ориг/тойоту…хз
Leo-Spb
80-ка отбегала на оригинале 200 тыщ (раз в 60 замена) — тоже не было вопросов, ПК и дешевле и по мне мягче коробка работает
А что за ПК?
Петроканада
Спс. А артикула случайно нету?
О чем и говорил: фордовский радиатор оптимален. Женя, а каталожные быстросъемов можешь дать? Их как раз найти я не смог.
Фордовские трубки акпп берешь и с них срезаешь.
Не, это не спортивно. Попробую поискать их. Делает Норма.
Ну трубка 1200, с нее два разьема, по 600 руб )))
Если это те быстросъемы, что я думаю, им цена 120 р/шт с хомутом. С обменником никак не выберусь к ребятам буквально в соседнем квартале:) Обменник опять в Москве, а я опять в Сарапуле.
Я нашел упаковку из 100 шт, около 7000. Мне дешевле было шланг купить один )))
Исходные по упаковке есть?
90 градусов поворот, на 10 мм.
Я имел в виду артикулы. Ок. Найду, свистну населению.
Я нашел телефон типа представителя norma в спб. Позвонил ему сказал что интерисует, он потом отзвонился сказал что 7 дней поставка и партия от 100 штук.
vaucher
Ну трубка 1200, с нее два разьема, по 600 руб )))
Ну хоть номер трубки тогда напиши. А то вольвовские по 5 тыс, их резать рука не поднимается :))))
vaucher
Ну трубка 1200, с нее два разьема, по 600 руб )))
Артикул есть?
Ты на подъёмнике, а левее наверное машина Димы?
Ваучер один из лучших специалистов по Вольво в России! В Питере точно лучший!
Класс! Напиши номера быстросъемов, мне тоже надо.
Попробуйте от газели с дизельным двигателем каминс топливную трубку которая подходит к топливному фильтру, на ней быстросъем правда один, но и стоит она 150р.
А вы пробовали, подходит?
Не пробовал, пока небыло надобности.
красиво выглядит!))
Я на фон попал :)))
Ыыы)))
Женя напиши номера деталей
Где ставили? Радиатор заранее покупал?
После покатушек по серпантинам Сочинского побережья почуствовал необходимость в установке допа на радиатор. И масло АКПП тоже надо заменить теперь… Коробка от перегрева пинаться начинала при переключениях. А переключаться ей приходилось очень часто. Потом на равнине остыла и всё нормализовалось.
Ставил сам. Материалы все сам покупал.
думаю в жару коробке легче будет в пробках температуру рабочую держать
Вот это тема!
Надо было тож от форда брать, но не очень бюджетно это(
А я помню ты был не сторонник допников на коробку)
ПК больше оригинала/тойоты нравится имеешь в виду?
Я только сравниваю оригинал и петроканаду. Петроканада больше нравится.
помягче или что тебя больше привлекло?
Лучше, скажем так ))
Ну значит я сделал правильный выбор, залил ПК!
А то некоторые говорят что лучше Тойоты или Оригинала НЕТ… а ПК "мультик", типо универсальная жижа для всех, а универсальность не есть хорошо…