Штатный сигнал на Весте звучит совсем не солидно. Поэтому решил поменять на сигнал от Волги. Стало намного лучше!
Была когда-то 9ка. На нее я ограничился установкой жигулевских дудок, красных таких. Вроде было норм. Потом была 10ка. Немного смущала вазовская пищалка. Поехал к электрикам, они пхнули в нее дудки от Волги. С реле, как положено. Было вообще атас, но и были проблемы. Реле и дудки стояли за решеткой радиатора, дудки направлены вниз. Звук был хороший, но часто терялся контакт из-за попадания воды на реле и дудки. Итог — окисление контактов. Приходилось иногда разбирать, очищать, подгибать …Благо решетка на 10ке снималась с двух болтиков.
Купил Весту. И был немного опечален тем, что она сигналить противно писклявым голосом, как Ока какая-нить или шоха. Полгода катался, терпел это дело. И даже как бы стеснялся сигналить) Для предотвращения ДТП пикал, конечно. А вот знакомым, к примеру, только ручкой махал). И еще заметил — вот заезжаю я на наш рынок. Ну там у нас типа "центр", широкая площадка, стоянки, машины, рынок и основные магазины аля "Магнит". И народ по дороге ходит, как хочет. И вот едешь за кем-нить, он прется по дороге, сигналишь — ноль эмоций. Или не слышит, или просто пофиг…
Решил я все же эту ситуацию исправить. Но подошел к этому более основательно, чем на 10ке. Сигналы решил прятать за бампер, чтоб никакой воды. А реле и всё такое тоже за бампер или в подкапотное. И делать сам)
Итак закупил всё нужное. Сигнал от Волги, две дудки, два тона — высокий и низкий) (с302д и с303д, применяемость ГАЗ, ПАЗ), четырех-контактное реле 75.3777-10 (с креплением под саморез) (так же подойдет, вроде, 904.3747-10) и колодка к нему, провода, клеммы, гофра, навесной предохранитель 25А, термоусадочные трубки. Кронштейны под дудки не нашел, вырезал сам из нескольких слоев оцинковки из старого подоконника.Все мне обошлось примерно в 1500р., из них 1000 с копейками сами сигналы.


Начал химичить. Для начала снял бампер. Об этом я уже рассказывал www.drive2.ru/l/465834215582205001/
Получил вот это:

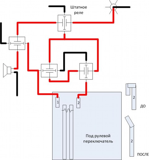
Некоторые меняют сигнал без снятия бампера. Но довольно сложно найти место и не так удобно пропускать провода и крепить сигналы. Тем более я собирался еще добавить сетку в решетку радиатора. Поэтому я снял бампер, тем более всё просто.Так же многие меняют сигналы напрямую, то есть просто взамен штатных. Я не рискнул, решил поставить предохранитель и реле — мало ли.Я не хочу, чтоб всё сгорело). По паспорту сигнал Весты берет 5А, в реальности и того меньше — где-то 3,5А. Волговских два, каждый берет по 7-8А, а это в общем 14-16А. А цепь на 5А, получается. Поэтому ставил реле. Для тех, кто не особо понимает в электрике — через реле у меня питание идет напрямую с АКБ (через предохранитель) по довольно толстому проводу. И сигналы сигналят от АКБ. А со штатной проводки идет только управление на реле, чтоб оно замыкало контакты основного питания. Это наиболее безболезненный вариант для проводки авто.
Теперь о штатной клавише сигнала (на руле). В инете нарыл, что с нее идет минус. На штатной таблетке сигнала плюс постоянный, а минус с кнопки. Проверил. У меня наоборот. Плюс на сигнале появляется при нажатии кнопки. Плюс на штатном — красный провод с белой полосой. В общем я не стал париться с проводкой, взял и плюс и минус со штатного сигнала, с колодки, и до лампочки, что именно там приходит. Можно подсоеденить и штатный, будет и он бибикать вместе с волговскими, но я колодку не одевал — толку от него мало. И снимать не стал — висит про запас. Если что случится с волговскими — одел колодку — и работает штатный.
В обязательном порядке снял клемму "-" с АКБ. И начал искать место под дудки. Нашел, на видео видно. За бампером, чуть ниже фар мне понравились места. Плюс там есть готовые болтики под мои кронштейны. Напрямую к кузову прикручивать сигналы не рекомендуется. Будет резонировать, отдавать в кузов при дудежке, поэтому пришлось изготовить кронштейны. Вырезал, просверлил дырки. Всё методом тыка и подгонки)

Повесил сигналы. Всё прикрутил, затянул. Тут филонить не надо, должна быть хорошая "масса". Дудки направил внутрь, друг на друга. Можно вниз. Главное не вверх, чтоб вода если и попадет — то не затекала дальше, внутрь дудки.
Провел проводку согласно моей-же схеме. </i> Врезал предохранитель от акб до реле, закрепил на кузове реле (в любом удобном месте поближе к акб, чтоб не тянуть далеко силовой провод), ну и провода к самим дудкам.Все заизолировал, одел гофру. К штатной колодке сигнала тупо примотался и заизолировал, на гарантию я забил. Да и можно аккуратно "отмотаться") Можно использовать врезные зажимы для проводов. Всё соеденил, одел "минус" на акб и …

…проверил. ОТЛИЧНО, Гудит, как автобус. На видео не такая разница, как в живую. Гудит знатно. Сердечного приступа у пешеходов не будет, но в сторону отпрыгнут отойдут. Всё собрал назад. Более полугода уже всё работает без каких либо проблем. Замыкания не боюсь — если и будет, то только при нажатии на руле кнопки сигнала, да и есть предохранитель. Ни разу не было несработки. В общем ДУДЮ)
Пешеходы стали резвее убираться с дороги, уже никто без внимания не оставляет. Участники движения меня все отлично слышат, даже со своими "супермузыками и сабами") Сигналю без стеснения, во всяком случае. Без фанатизма, конечно, чего зря всех пугать. Кратенько так дуднул и всё, все слышат. У машины в моих глазах сразу повысился статус))) Уже гудит, как нормальная ино, хотя многие ино гудят хуже. На мой взгляд (и слух) одна из самых моих полезных доработок. Хотя всё просто и недорого.
Вот и всё, всем удачи. Будут вопросы — задавайте, чем смогу — помогу. Хотя я сам не автоэлектрик, но справился без проблем. Пока
P.S. Сравнение сигналов в конце видео. Штатный, потом волговский.





Комментарии 90
ВОПРОС ТОЛЬКО ОДИН========= НАХРЕНА СИГНАЛЫ РАЗНОСИТЬ В РАЗНЫЕ СТОРОНЫ… не проще в одном весте и дудками в разные стороны…
Да какая разница? Дудят все равно, как надо. Мне так удобнее было ставить.
Здравствуйте скажите пожалуйста а длинна самого кронштейна сколько?
Здравствуйте. 11-12см. Эти размеры я дал именно в то место, куда я ставил. Поэтому и размеры дал, чтобы по болтам становилось. А можно и произвольно лепить, по месту смотреть.
Всем привет!
Поставил себе волговские сигнал, не стал добавлять доп. реле и реды, вспомнил, что до Весты у меня был Рио, вот туда ставил тоже волговские сигналы без всяких реле и предов дополнительных, всё работало хорошо.
В итоге на Весте сигналы поставил без допов, работают хорошо и замечательно.
Настигла идея взять с управляющих контактов 85,86 штатного реле (выкинув или переделав его как бы в вилку при этом спилив силовые контакты на штатном реле ) и сразу прокинуть провода на контакты 85,86 во 2ом доп. реле рядом. При этом будет минимум переделок не влезая в штатную проводку.
Для тех, кто "не понимает в электрике" — на этой машине стоит штатное реле сигнала и дополнительное, что собаке пятая нога, как впрочем и на десятке)))) А предохранитель стоит такого номинала, не потому, что сигнал столько потребляет
Понимающие в электрике обычно выкидывают пред и ставят свой, большего номинала для более мощного потребителя. А иногда и монетки)
Ну, так то наверное инженеры дураки, х.ли, тут так пол драйва считают, а потом, что же делать? И начинается поиск халявы по решению проблем😂
Инженеры вкорячили слабенький писклявый жигулевский сигнал на 5А и поставили пред на 10А. И сказали — и так сойдет. Оно и правильно — работать оно работает. А я захотел волговский на 16А. И просто вешать его на штатную проводку мне не хотелось. Кто-то будет ездить с родным сигналом, на штампах 15 и даже без тонера. Я не хочу так.
MIG79rus
Понимающие в электрике обычно выкидывают пред и ставят свой, большего номинала для более мощного потребителя. А иногда и монетки)
Ага, чтобы потом проводку подпалить. не смешите народ.
Зачем родной сигнал в схеме остался?
Провода от родного сигнала идут на реле, на управление. Сам сигнал можно отключить (просто снять с него фишки), а можно и подключить.
Я тоже нашел два сигнала у себя. Один как на фото — он гудит с кнопки на руле, а второй под воздушным резонатором, он видимо для штатной сигнализации используется. Думаю у всех так.
Так и есть. Точнее раньше было. На новых Вестах один сигнал. Но такой-же паршивый)
Теперь вообще 3А
Тоже себе поставил👍 Только я обе дудки закрепил под правым крылом, места там предостаточно. Купил производителя СОАТЭ, продаван уверил что это тот же оригинал, только без ГАЗовской наклейки, понравились тем что в комплекте крепёж, ничего не нужно колхозить. И ещё у меня оказалось два штатных гудка, один тоже справа от радиатора, смотрит на улицу, второй слева от радиатора, под резонатором, смотрит во внутрь.
Второй сигнал на штатную охранную систему
Ясно👍
Всё по делу. Молоток! Тоже недавно прицепил гудки, пока к штатному разъёму. Времени много не было, а поставить нетерпелось) На выходных буду переделывать. Тоже хочу через отдельное реле, провода разгрузить.
А без реле они встанут? В иномаоках есть все, а тут как? Спс.
Многие ставят без реле. Меняют только предохранитель. Все работает. Реле свое есть уже. Я поставил на всякий случай, так как не был уверен в штатных проводах, вот и не стал нагружать их.
Ок. Спс.
"как Ока какая-нить или шоха. " Зря шоху обидел)) На них стояли приличные 2 сигнала высокой и низкой тональности. Поскромнее и потише конечно волговских, но очень даже неплохих
)) Ну извиняюсь) Но волговские солиднее гудят всех жигулевских.Круче только с компрессором, но это уже слишком)
Я согласен, круче волговских нет… 👍 Воздушные сигналы это вообще другая тема
Странно что Диллер говорит: установка волговских сигналов ставится под штатную проводку и место🤔. У меня сомнения что провода не выдержат, а мастер говорит выдержат. ХЗ. Склоняюсь конечно к вашей схеме так как надежнее
Ну это перестраховка. Многие ставят на штатную проводку, только пред меняют — вроде нормально)
Kolenval-Spb
Странно что Диллер говорит: установка волговских сигналов ставится под штатную проводку и место🤔. У меня сомнения что провода не выдержат, а мастер говорит выдержат. ХЗ. Склоняюсь конечно к вашей схеме так как надежнее
Был у дилера на ТО-2, задал вопрос по теме сигналов. На штатную проводку волговские сигналы ставить не хотят, мол, проводка не выдержит, но за 6500 готовы и проводку передожить, и сигналы поставить. Отложил вопрос замены до лета. Приеду на дачу, сам поставлю по схеме автора.
Реле на сигнал стоит на 20 ампер, пред вроде тоже на 20, да даже если на 10, хватит замены на 15… электрик со стажем мля
А еще некоторые монетки пихают вместо предов. Флаг вам в руки)) Просто менять пред на более высший — это умно, вам любой электрик скажет)) Автоматы в доме у вас сороковые, наверное, стоят) Чтобы не выбивали.
Купил недавно Весту, звуковой сигнал от мотоцикла стоит на ней.Читал много форумов и так и не смог понять:зачем люди колхозят?До этого Приора была, так я просто купил два гудка и развёл провода с одной фишки на две.Реле звукового сигнала в Весте стоит 20ампер, предохранитель 10ампар.На те же 16ампер нужен провод сечением 2,5мм кубических или 1,8мм диаметром(сама жила).Есть вестоводы, ставят даже не меняя 10амперного предохранителя.Есть сигналы продаются на Ладу не с одним контактом, а с двумя, а по звуку ничем волговским не уступают.Не делайте из своей Весты копейку, это современный автомобиль с достойными проводами.
Если вам волговский сигнал дудит так же как и "жигулевский", то тут и спорить нечего) А реле я ставил, чтобы снять нагрузку со штатной проводки. Все уже не раз разжевано. Штатный на 5А, пред на 10. А Волговский на 16А. Просто менять предохранитель на штатной проводке на более высокий номинал — не мой вариант. Не люблю я этого — и все. И за более 20 лет возгораний авто у меня не было, тьфу-тьфу. Выдержать то она выдержит, но долго ли? А когда провода греются? А когда они окислятся и износятся через несколько лет? С таким же успехом некоторые пихают монеты вместо предохранителей) Кто как хочет, тот так и др.т. Мне не трудно потратить рублей 100 на лишнее реле и провода.
Проводка выдерживает, на Ютубе полно видео, как люди ставят на штатную проводку.Может если нажать на клаксон и держать ну например минуту, провода может и нагреются, но кто держит на клаксон минуту? Я с 2003 года капаюсь в проводах АвтоВАЗа, внедрял различные электрические примочки и даже дымка не пошло.Вот если ставить как я собираюсь, комплект волговских и комплект с другой герцовкой( гудок будеьют как два авто сигналит одновременно) вот тут уже на штатной проводкой только управление останется. И кстати, волговских 7 ампер каждая, предохранитель на 15 потянет.
Ну, к примеру, в кортеже на свадьбе можно долго дудеть)) Все видео на Ютубе на новых Вестах. А раз вы копаетесь с проводкой, то видели, наверное, провода почти в труху. У меня на 10ке через доп реле сигналы стояли и то мозги делали. (ставил не я). То контакта нет, то намокли, то окисление, то все вместе. Пока не психанул и не кинул нормальные провода с нормальным сечением. Здесь я сделал сразу. Сам не разбирался, но люди писали про маленькое сечение штатных проводов. При перегреве, плохом контакте его ожет и не хватить. Сейчас уже не помню цифры. Так что решил перестраховаться, хуже от этого не будет. Кстати, когда я делал — даже схем не было на Весту. Есть там реле, нету, как там проводка идет…Поэтому я сделал по своему, а вы уж делайте, как хотите)
Ну главное, чтоб душа спокойна была.И для сводьбы можно кнопку на руле продублировать кнопкой с фиксацией или тумблером.Или в Китае купить, там есть с различными режимами и переливами.На Ютубе есть видео таких ништяков.
что за бред? зачем снимать бампер? какое нахрен еще реле?там есть уже реле штатное!все прекрасно работает. и без снятия бампера все прекрасно там влезает около левого и правово крыла, единственное, что придется открутить два болта на воздухане))
Да делайте, как хотите. Я написал, как я сделал, а не как надо всем) Работает и будет работать 10 лет — разные вещи. Охота корячится без снятия бампера — пожалуйста. Мне проще несколько болтов открутить, на снятие бампера уходит минут 10. И проложить проводку, как мне надо. Насчет реле — хозяин барин. Я не доверяю тонюсеньким заводским проводам. Никогда не менял в авто предохранители на больший номинал на какую либо цепь и не ставил более мощные потребители на штатную электрику. . И никогда не буду считать это правильным.
Классная работа. Слежу за владельцем здесь на драйве и на ютюб. Тем более что мы земляки. Очень интересно.
Спасибо. В профиле у вас написано — Москва)
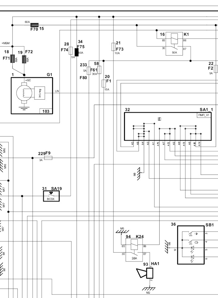
Однозначно — нужная доработка. Вот только я не пойму почему многие ставят доп.реле или штатное реле звукового сигнала есть только в люксе? На приведенном куске схемы это хорошо видно. Предохранитель штатно установлен на 10 А, можно заменить на 15-20 А. А контакты реле коммутируют ток до 20 А — самое то.
Я тоже приобрёл волговские сигналы, время будет установлю. Но в моём случае надо будет только заменить предохранитель на более мощный и доразвести плюсовой провод на два сигнала, ну и закрепить сигналы. И всё.
Во-первых — когда я ставил, не было еще ни схем, ничего. Потом народ начал ставить напрямую. Во-вторых — а на сколько проводка рассчитана? Все просто — заводской потребляет в три раза меньше, чем волговские. Для перестраховки реле и свои провода до акб. С заводской проводки только управление. Споров много на эту тему, кто так ставит, кто эдак)
у меня заводская не с таким звуком была, но не спорю, волговские четко работают
Вчера всё сделал по вашей схеме, отлично работает, Спасибо)))
Не за что) Дудите на здоровье)
А какой провод +на штатнтм сигнале? И можно фото как ты подклюсился к нему?
плюс — красный с белой полосой у меня. Появляется при нажатии кнопки сигнала. Минус постоянный — другой провод, коричневый, кажется.Фото не делал. Зачистил провода возле фишки и прикрутил свои)
А чем отличаются сигналы с302д от с302?
Не знаю) У меня 302Д и 303Д, знаю, что это оригинальные волговские. А просто 302 — без понятия)
быстро срабатывает после нажатия на гудок? Задержки нет?
Быстро. Задержка обычно с компрессором.
спасибо за инфу! Всегда ставил на все свои авто такие сигналы, а на этот раз купил Итальянские LEB, посмотрим, как сигналят… ))
Это первое что я сделал на весте!
Как раз сегодня утром просматривал эту запись с поиска в яндексе)
обстоятельно
а родной сигнал тоже получается гудит?
Я фишку снял. То есть можно одеть и будет дудеть вместе с волговскими.) Только толку с него. Пусть висит про запас)
Ааа. понятно. просто я по схеме… то есть там к фишке подключаемся
ну все. дотумкал )
Круто:) Тожа так сделаю!
А провод какой использовал от АКБ?
Да точно не помню, надо лезть смотреть. Какой нашел кусок в гараже, такой и поставил. Главное — медный многожильный)
По твоему описанию затарился. завтра установка. Провод только купить надо.
Правильно) Провод возьми автомобильный любой, на питание от акб можно немного потолще, типа того, который на предохранителе у тебя на фото.А дальше можно стандартный. Удачи в установке)
Почти как Бош звучат.
Четкое видео.👍👍👍
Спасибо)
У меня заводские совсем по другому сигналят. У тебя когда выпущена машина?
2015г
Ну может в этом разница. У меня как на приоре сигналит. 08.2016
Как по мне — они все фиговые Лучше волговских нет) Ну это на мой вкус)
Согласен. Сам волговские на днях брать буду
А если подключить сигналы от волги к штатной проводке но при этом поменять предохранитель на более мощный? По схеме посмотрел там стоит реле на 20А и пред на 5А. Поменять только предохранитель и все!
А фиг его знает. Где какие провода, может где клеммы слабенькие. Я лично забил и с проводкой в машине не заморачивался. Хотя некоторые ставят на прямую. По теории прокатит, но утверждать не буду)
Вот, добавлю. Можно на сигнал подключить свет. Когда сигналишь — он моргает. Когда моргаешь, сигналит. При включении света не дудит. . Но схема сложнее, естественно, и куча реле. Нашел на просторах инета. Источник club-vesta.ru Вот
Огонь, только какого типа реле?
И если одно из них в дороге накрывается, свет и/или сигнал вообще не будет работать?
Думаю, если штатные в строю — то будет работать. А какие реле не знаю, не разбирался. Себе такое не стал мутить)
Фотки ест где установлены сигналы? Лень все видео смотреть
Фото нет. 3,20 показываю место, 4,40 сигналы стоят)
Тоже стоят сигналы под бампером и крылом — теряется половина громкости сигнала там . думаю про другие места установки
Как по мне и так гудят неплохо. Громче и не надо. Луди щукарем будут прыгать с дороги)
Закладки и подпись!
Всё по делу, спасибо автору! В закладки
Хорошо сделал.Смущает только крепление из тонкой оцинковки, даже в 4 слоя. Всё таки это не нержавейка .Сигналы тяжёлые, со временем могут начать болтаться на креплениях и ищи потом откуда идут стуки.
Как по мне наоборот, не жестко закреплены, есть небольшой ход. Лишняя амортизация для сигналов) Стуков не будет, я их хорошо поболтал при установке, они ни до чего не достают. А так то смысл не в этом. Крепления можно купить или сделать из чего угодно. Я просто взял то, что первое подвернулось под руку)
Grizli71
Хорошо сделал.Смущает только крепление из тонкой оцинковки, даже в 4 слоя. Всё таки это не нержавейка .Сигналы тяжёлые, со временем могут начать болтаться на креплениях и ищи потом откуда идут стуки.
Почти везде штатное крепление сделано из набора тонких пластин.Сигналы должны быть закреплены на вибрирующем крепеже.Там же за счёт вибрации звук идёт.
Крепление согласен из набора тонких пластин залитых между слоями каким то клеем или лаком.Достаточно жёсткая и в тоже время упругая конструкция.
Да на 10ке у меня на таких же креплениях лет 8 стояли. И сейчас стоят) Ни разу не откручивал и не подтягивал их)
В закладки!
Зачетно, тоже лежат такие же сигналы — лета ждут… Запись в закладки, уважение тем людям кто пишет все толково и по делу, а не снег выпал, колеса поменял…
Спасибо.
Raiven-Tumen
Зачетно, тоже лежат такие же сигналы — лета ждут… Запись в закладки, уважение тем людям кто пишет все толково и по делу, а не снег выпал, колеса поменял…
Полностью с тобой согласен дружище.