Вчера ВНЕЗАПНО перестал запускаться мой Теплостар. Впервые за 4 года. Ошибка №1 Перегрев котла. Полазил, поперекидывл датчики. Выяснил, что врёт датчик температуры котла.
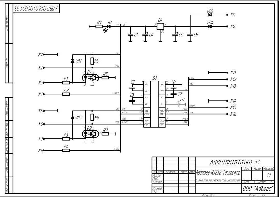
Новый в Кирове вроде есть, цена около 700 руб. Заказывать с сайта теплостара это 300 руб+300 руб доставка+ждать хз сколько. Решил убедиться, что причина в нём. За вечер изучил вопрос с диагностикой этих котлов. Оказывается, на сайте Теплостара есть схема адаптера, для подключения к компу. Но она мало того, что сделана пьяным индусом (за каким-то чёртом она рассчитана на 2(!) котла одновременно) и подключается к компу через COM-порт, которого на ноуте сейчас отродясь не бывает.

Существуют переходники, COM-USB, но это уже костыли не хуже, чем спаренный адаптер.
В итоге, для диагностики этого котла, а так же всей остальной продукции Теплостар (Бинары, Планары, Теплостары и протча) я собрал обычный переходник на FT232RL, которая прекрасно преобразует USB в нужный мне RS232. Кто в танке, могу дать наколку. Этот адаптер не что иное, как шнурок от телефона. Если с дата-кабеля мобилы срезать разъём, то в кабеле обнаружатся искомые VCC, RX, TX, GND.
Вот что показывает программа диагностики котла:
Утро, до включения:

Розжиг:

Малый ход:

Сильный:

И завершается всё продувкой:

Есть возможность включить програмно помпу, посмотреть Параметры и версию. Есть два каких-то теста, но они просто запускают автономку. В чём между ними разница, я не понял.
Так же есть странная программа "Чёрный ящик". В ней видно, сколько раз стартовал котёл, минимальную температуру при старте и некоторые другие параметры:

Вот в общем и вся диагностика автономок от Адверса. Самое ценное, что всё это доступно без какого-либо дорогого оборудования. Если кому интересны подробности-спрашивайте, отвечу.






Комментарии 33
Купил сегодня в чипдип. Осталось программу скачать и подключиться. Спасибо за инфу. По факту отпишусь
Здравствуйте. У меня все обогреватели на 24 в. Планар. Стоят в будках для бригад на шасси хундай hd65-78. Переходник USB to ttl работать сможет с такими ценами? Или там везде одинаковое питание шины?
про цены не знаю, USB-TTL работать будет. Данные там 5 вольтовая линия
Здравствуйте. Поделитесь пожалуйста программой Гном 6
Правильно написал Petrov-kamensk. Судя по схеме АДВР завода изготовителя там токовая петля. Потому заморачиваться не стал и просто купил заводской адаптер с переходниками.
На днях у меня была проблема с Планар 4ДМ2-24 по коду 2 (мигания светодиодом). Благо на сайте производителя есть доступная документация, но и в ней под кодом 2 целая куча причин.Гадай не хочу, хоть на кофейной гуще или на светодиоде.Там же на сайте и была выше опубликованная схема.Вот и возник вопрос какой стороной эту схему подключать?Судя по Вашей информации переходник на FT232RL это USB-UART(TTL), а не USB-RS232. Если это так то должен подойти и такой Сейчас камазы в рейсе когда приедут обязательно попробую.
в смысле какой стороной? USB в компуктер, пины вместо пульта управления и погнал диагностировать от зари и до заката
К плате usb кабель, а от платы к проводу вместо пульта и всё?
Приветствую.можно ли с помощью этой штуки делать диагностику планар?если да, то можно схему как сделать?
можно. Подключаться вместо пульта управления, RX, TX и GND
Решили проблему с перегревом?
Да, конечно
Похожая фигня, пытался запустить раз 5 наверно, в итоге одно мигание (как я прочитал сбой запуска), а оказывается перегрев… Иногда еще моргала 6 раз
Ну так диагностика решает
RediskaK
Да, конечно
Подскажите пожалуйста, куда копать, котел 14тс-10
RediskaK
Да, конечно
Я понял, сейчас нет возможности ее сделать, посреди леса)
добрый вечер. подскажите пожалуйста, нужно ли передически делать диагностику планара?
она ничего не даст. Диагностика сработает только на критические ошибки, при которых печка остановится и выкинет ошибку
Спасибо.Короче, как навернется тогда и в сервис правильно?
точно так
Железяку програматор этот если купить скинь обществу схему подключения к Бинару
ru.aliexpress.com/wholesa…044317&SearchText=FT232RL
Вот ссылка на Алиэкспресс )))
как сделать шнур как подключиь не подскажеш
www.ebay.com/itm/FT232RL-…afda5d:g:jk8AAOSwrklVMjIp
а ты разве не говорил что зарядной шнур отрезал?
Нет. Я говорил про дата-кабели для мобил, в них раньше этот адаптер встроен был. Сейчас ЮСБ это просто 4 провода
понял спасиб
Я в танке. дай наколку на адаптер
www.ebay.com/itm/FT232RL-…afda5d:g:jk8AAOSwrklVMjIp
схему подключения RS323 к адверсу, хочу поэксперементировать
у меня адаптер к лайн диагностирую им вебасто, TeplostarDiagnostic будет с ним работать ? И куда подключать к теплостару ?
Нет, не пойдет
Начнем с того что этой схеме уже много лет, её делали когда COM еще был на компьютерах и если постараться то можно было купить новый ноут с этим портом.
Два канала для диагностики двух устройств, если уж микросхема двух канальна то надо использовать.
со стороны устройства токовая петля в уровнях ttl те адаптер RS232 -TTL, ну или USB-TTL
выпущена новая программа диагностики, всё в "одном флаконе" плюс умеет отрисовывать графики.
www.autoterm.ru/forum/viewtopic.php?f=36&t=2099