Начало сезона выдалось не очень радужное — первая поездка показала, что лопнул по ребру расширительный бачок.

С заменой долго не думал — есть "проверенный" вариант от audi.
Был заказан бачок — MEYLE 1001210041
и к нему крышка — MEYLE 1001210042


Планировалось что все с учетом кронштейна станет как к себе домой.
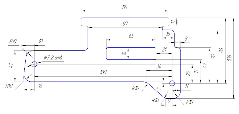
Поэтому набросал чертеж и отдал на резку

Готовый вид кронштейна

Дальше то, о чем все молчат.


Диаметры штуцеров на родном и аудюшном бачках не совпадают.
Диаметры наших патрубков рассчитаны на штуцера меньшего диаметра (2-4 мм меньше). Натянуть … на глобус конечно удалось, но это был не очень приятный момент (никто даже словом не обмолвился, что диаметры другие).


Дальше меня ждала неприятность уже связанная с конкретно моим авто — при закрывании капота газовая стойка капота упиралась в крышку бачка — пришлось изгибать кронштейн и занижать расположение бачка порядка 1 см.


В принципе на этом все, но в дальнейшем можно изменить кронштейн и постараться убрать бачок под крыло.
Раз пошла тема про обновки заодно сюда же закину и вкусности которые были приобретены в межсезонье
1) Заменена стойка пятой двери — теперь там Fenox A901006C3

2) Куплен компрессор для подкачки шин Mitsubishi + новый баллонник и аптечка новой комплектации.



Компрессор мощный, тихий, компактный (идеально помещается в нише в багажнике, а аптечка во второй)

Теперь в багажнике ничего лишнего


3) Куплены новые щетки стеклоочистителя Bosch 3 397 004 669


Старые силиконовые по сухому скрипели и уже начали пропускать полосы.
Этих пока графит не стерся трут мягко и бесшумно — даже по сухому стеклу.
На этом с обновками пока все.





Комментарии 50
Сейчас скину фото на свою страничку, как получилось. Датчик подключить осталось только
Родные патрубки натянул за пару минут, переходники не потребовались!
И у меня без переходника, но это не правильно
Уголочки пластины, которые вставляются в штатный крепёж лучше загнуть
Присмотритесь к фото — они загнуты
Извиняюсь, не разглядел(
Я под двадцатый штуцер бачка брал отрезок 18-го шланга, одевал на метал. переходник от газели 18/16, в свою очередь штатный тигаровский шланг на 15 отлично налез на шестнадцатую часть переходника. А маленьгий шланг тупо натянул, хотя через переходник тоже можно сделать. Датчег пока тоже не подключал, фишку под него брал на разборке за 50р, так как новая в экзисте стОит почти как сам бачок!
О спасибо, гляну переходник от газели. И датчик пора подрубать, а-то чет совсем скучно стало нечем заняться :)
LEhANLEhAN
Я под двадцатый штуцер бачка брал отрезок 18-го шланга, одевал на метал. переходник от газели 18/16, в свою очередь штатный тигаровский шланг на 15 отлично налез на шестнадцатую часть переходника. А маленьгий шланг тупо натянул, хотя через переходник тоже можно сделать. Датчег пока тоже не подключал, фишку под него брал на разборке за 50р, так как новая в экзисте стОит почти как сам бачок!
Обычные клеммы подходят, просто вынимаете металлические разъемы из любой клеммы и надевайте на контакты…
как всегда красиво сделано
Спасибо
Все машины занижают, а Тимур бачки ОЖ )))
Да ну джип рулит, вчера приехал в Фанироль в Омо на стоянку и какой-то недалекий заставил меня — долго не думая огородами, огородами и мы на свободе.
стонсерам тебя не понять ))))
ни кто ведь не опнимает как так можно лазить по бардюрам )))
Не по бордюрам а именно по грядкам
Замена конечно хорошая, желательно только обратить внимание на отсутствие вибрации нижнего подводящего шланга, т.е. хорошее крепление. А то у меня треснул штуцер на бачке у основания после примерно 30т пробега… )
Ок, буду наблюдать
я тоже беру всегда графитовые щетки, ненавижу писк силиконовых))
Силиконовые пока новые были чистили очень классно, эти вроде нормально, но после силиконовых немного хуже с мухами справляются
или такие
Эти совсем не бюджетные вроде по ценнику да и не квадратные они не квадратные :)
)))
Serge-SRS
или такие
Во, у меня как раз такой установлен, только без датчика. И проблем со шлангами что-то не припомню при установке, правда давно дело было.
Да, не квадратный, зато забавно смотрится)))
Его часто ставят из за его компактности в разные машины, обычно когда свап делают нестокового мотора
А такие не рассматривал? они уже под новую пробку идут у вага (хотя есть еще новее)
А ящик с инструментами всегда пригодится))
Ты выход воздуха с салона не закрыл случаем компрессором?
Там нет выхода воздуха в салон
Милота! Долгая лета "Старичку" ))
Спасибо!
Отличный бачок. Поставил я его лет 6 назад и забл про него. Родные раз в полгода стабильно менялись)
Да пока второй месяц с ним — открыл капот глянул на него, закрыл, надо еще датчик уровня подключить на приборку. Родной продержался с 98-го года.
tjDimON02rus
Отличный бачок. Поставил я его лет 6 назад и забл про него. Родные раз в полгода стабильно менялись)
что вы с ними делать то умудрялись? у меня с завода пашет без проблем. Правда у меня 41 бачок, может у святов качество хуже было… Тогда не понимаю зачем колхозить ауди с кронштейном, если можно поставить 41 бачок?
Ну красавец, чо) попал наверное в тот мизерный процент людей, у кого нормального качества отечественный бачок)
ага, мало того что попал в эти 0,0001%, так еще и на обоих машинах. Фантастика!
красаучег) у меня на 4х москвичах они дристали, по сварным точкам, где как бы колодцы.
С исправными крышками) Мистика, и еще у полфорума так же.
К слову говоря, на питерском форуме тем про текущие бачки нет. Может это особенность климата? =)))
Возможно, Ден. Прост лет 6 назад когда я себе его воткнул, на форуме многие обрадовались такому решению))
tjDimON02rus
Отличный бачок. Поставил я его лет 6 назад и забл про него. Родные раз в полгода стабильно менялись)
ну значит качество бочков уже не то, по сравнению с теми что ставились с завода, родной бачок с 98 года стоит, пока живой, но через его стенки практически уже нечего не видно пожелтел, но нет так сильно как старого образца бачок на 41
ПОнятное дело, что совковые были хорошего качества)
все цывильно…вид со стороны сделайте хочу посмотреть как он…если в идеале по плоскости то и себе поставлю так же!
с какой стороны?
со стороны двигателя с видом на крыло!
Ок, по случаю сфоткаю
DimonPumba
со стороны двигателя с видом на крыло!
спасибо большое!
а код можно?бачка и пробки тормозного бачка.
Так в тексте есть: "Был заказан бачок — MEYLE 1001210041
и к нему крышка — MEYLE 1001210042"
проглядел, пасиб!а крышка тормозного бачка от кого?
Рено 19, но поплавок переделывал под наш бачок.
вот как, благодарю.