Начнем сначала, огромное спасибо koreyka за предоставленный ЭБУ.
Для нормальной работы БКК ему нужно знать температуру двигателя-берет он ее через K-линию с диагностического разъема (пин M)

Так как протоколы обмена разные (ALDL и OBD2)-было принято решение поставить мозги от Нексии в старом кузове(в моем случае мозги IEFI-6) от 8 клапанной машины.

Для того чтобы их заставить работать нам надо:
1 провод для Диагностики — B7
5 проводов масс — A12, B10, C12, C13, D1
2 провода с плюсом — B1, C16
1 провод после зажигания — C4
эти провода заставят работать сам ЭБУ
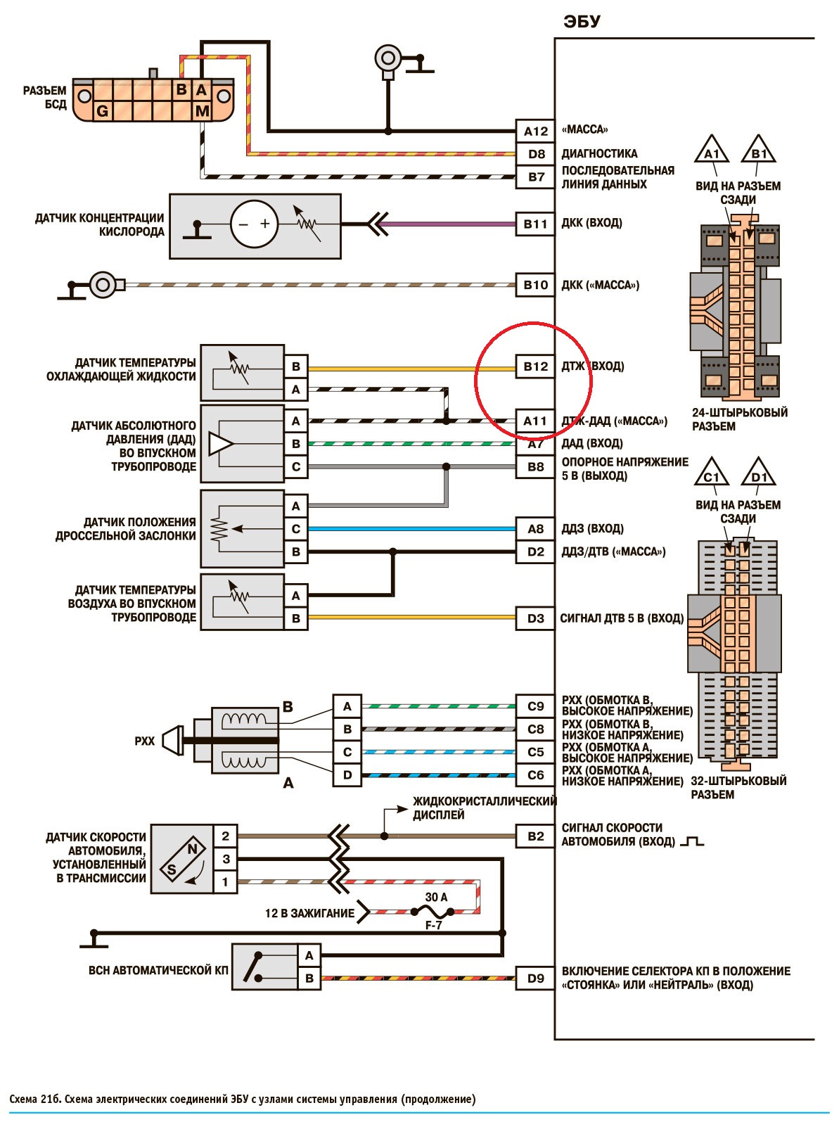
Чтобы у ЭБУ были данные о температуре нам надо еще 2 провода
1 провод массы для ДТОЖ — А11
1 провод ВХОД для ДТОЖ — B12



Вместо настоящего ДТОЖ можно поставить резистор 300 ОМ (что будет соответствовать 90 градусам)
или вкрутить нормальный датчик в радиатор и подать на него 2 провода что описаны выше.
Пока все было собрано на соплях, не удалось проверить с кондеем. Но есть большая вероятность что БКК через диагностическую линию управляет кондиционером. потому что в режиме авто я так и не смог заставить работать кондиционер(в ручном же режиме он работал), но это пока догадки.
По факту в режиме отопителя режим авто заработал, БКК двигает заслонкой увеличивая и уменьшая температуру, а также регулирует скорость потока печки.Считаю цель достигнута.






Комментарии 19
odin vopros eto blok mojna predelat dlya matiz?
Простите, наверно не догоняю, но получается штатно в OBDII климат не воткнуть? Корректно "авто" режим работать не будет?
В обд2 нет, есть человек кто делает конвертер, не знаю об успехах. Я пошёл по другому пути и все работает
Спасибо. Значит надо штатную систему возвращать.
У вас есть блок климата?
Зачем купите на разборке за 500р мозги от старой нексии
На нексиях с кондиционером этот блок работает?
Он и нужен под кондейные Машины, на машине без кондиционера он зачем?
Работает на любой машине
Клево! Но теперь его по ходу не найти совсем( 2 часа потратил не одного живого объявления…
У koreyka спроси.
DedberliN
Клево! Но теперь его по ходу не найти совсем( 2 часа потратил не одного живого объявления…
Если планы не изменятся, я продавать буду весь тюнинг со своей машины и бк тоже
Думаю не многие вкурили что это такое. При продаже блоков я всем объяснял про не корректную работу в режиме авто на н-150. Многих это оттолкнуло от покупки. Хотя лично для меня это не важно.
Что не важно?
Что у меня не работает в режиме авто.
я когда покупал знал на что иду
Маньяк, как и обычно)
Молодец. Первый отчет. Пусть теперь идут по твоему пути.
народу много кто купил.
а кроме как внешний приятный вид-толку 0
летом и зимой ладно, либо печка шарашит либо кондей, а вот в межсезонье!осень и весна.
у родного больше функционал, а тут либо жарко либо холодно или сиди 5 минут лови заслонку так чтобы комфортно было.
а теперь все автоматически регулируется
Только окна в мокрую погоду могут потеть, т.к. поток обдува уменьается при достижении заданной температуры.
они и так потели)даже на крутилках. для этого режим отпотевания есть.кодей+печка в авто работает этот режим