Привет! Как-то при замене задних тормозных колодок столкнулся с такой проблемой, одну стороны ключом от болгарки вкрутил, вторая не поддалась. Пришлось ехать брать у знакомого инструмент для вдавливания тормозных поршней. С его помощью, не без труда, но все же одолел.

Видео для самостоятельного изготовления.
Загорелся заиметь и себе такую приспасобу. Инструмент не сложный, решил сделать самодельный. Пошурстел в интернете, нашел много примеров.

Начал искать чертёж.


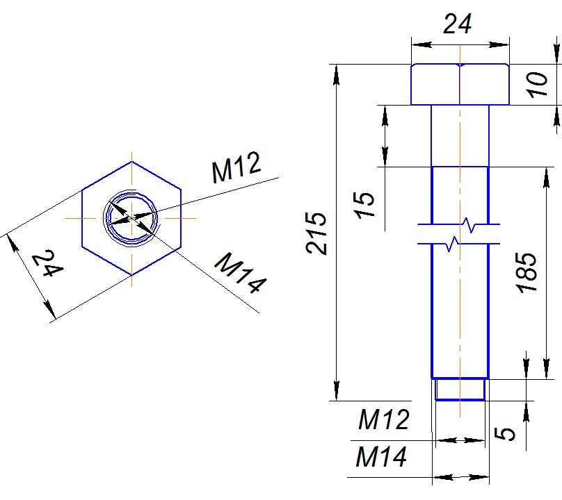
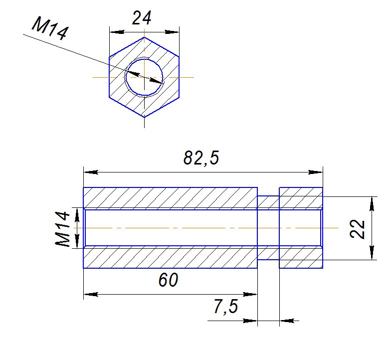
Пошел к знакомому токарю. Вот что получилось:



.


Результатом доволен. Не часто используемый инструмент, но хорошо когда есть, и не нужно нигде искать и просить. Приспособу делал полгода назад, при написании статьи, нашел еще пару интересных вариантов. Кому интересно, фото и ссылки ниже. Всем спасибо за внимание.











Комментарии 10
Да.
Дело техники 820005 артикул в Exist.
На наши фольцы подходит?
Тоже интересно, в автодоке написано для тормозной системы VAG
Подходит. Т.к. я такой же и использовал при замена колодок.
VovanVW
На наши фольцы подходит?
Да, подходит.
Круто.
Я ключом от болгарки отлично справился. Подходит, как родной )
Это да, но у меня одна сторона не пошла ключом от болгарки.
Тогда да, спец ключ.
Он и выручил.