Всем привет!
Как обещал, публикую пост о светотехнике, точнее повторителях поворотов.
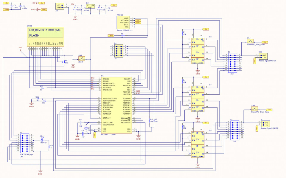
Следующее повествование частично связано с моей основной работой, а именно написанием программ для микроконтроллеров. Естественно для своего проекта я не мог обойти данный момент и повторители поворотов (а также габариты и огни тормоза) я реализовал под управлением микроконтроллера. В схеме задействован широко распространенный микроконтроллер PIC16F877A. Для начала набросал электрическую схему. 2 порта микроконтроллера задействованы под управление левым/правым повторителями (по 6 бит на каждый), 2 порта по 8 бит остались под резерв на будущее, 5 каналов под внешние прерывания (для тех кто в теме) и до кучи прилепил LCD-дисплей 16х2 символов, не знаю зачем, но может потом пригодится. Также на микроконтроллере реализован режим «аварийка» когда работают оба канала повторителей одновременно, реализована такая функция переключателей поворотов, как «короткое нажатие», при котором левый/правый повторители моргнут только 3 раза. Схему делал в проге Altium Disigner 17, в итоге имею:

По схеме делаю печатную плату, на фото ее 3D модель:

Следующий этап, делаю печатную плату 2-х стороннюю. Плата сделана по технологии «фоторезиста»:

На следующем фото готовый контроллер с LCD-дисплеем:

После сделал аналогичным методом сами передние повторители. Сначала трафарет для фоторезиста:

Их 3D модель в программе:

Вот так выглядят в живую передний повторитель:

На следующем фото тот же повторитель только в сборе с рассеивателем:

Фото 3D-модели и самого заднего повторителя без рассеивателя (извините за качество фото, телефон подвел):


Задний повторитель только в корпусе. Корпус оранжевый (для тестов), в итоговом варианте будут стоять новодельные красные или попробую реанимировать те что сейчас стоят сзади:

Вот такой запас сверх ярких светодиодов пришлось приобрести, здесь их 500 шт!, 300 – желтых, 200 –красных. Красные пойдут на стоп-сигнал. Эти же светодиоды использую для 2-х цветной подсветки тумблеров «бороды». Многие скажут: «ЗАЧЕМ?», можно было поставить по одному мощному LED-светодиоду! НО, ведь это слишком просто, не интересно и банально! Так что, только «аналоговый, ламповый» звук, точнее свет!

Все собрано. Можно проверять. Сделал 2 варианта свечения.
1 вариант (назвал его «LEXUS»):
2 вариант (назвал его «Волчонок»):
Если не сложно, прошу проголосовать, поставив «+» под тем или иным типом гирлянды.
Всем пока!






Комментарии 146
Ну зёма, ты усердный! Отличная работа!
Спасибо!
Первый
Он будет основным. С возможностью выбора других вариантов.
второй вариант смотрится интереснее
Повторитель вообще шикарен, а вот по заднему есть предложение: Может попробовать сделать "перелив" не слева на права, а снизу вверх? Я понимаю что это указание на сторону маневра, но по почему-то что-то в этом варианте смущает))
Второй хорошее:)
Безусловно вариант номер 2 !
А 3-й рассматривался?
да после того как тут написал))) я за 2 или 3, сложно выбрать)))
Они оба останутся )
Вариант 2
На заказ не делаете?Или хотябы подсказочку как можно такое реализовать на тайота премио 02г.в в задние повторители.Былбы благодарен.
Ответил в личку.
Мне больше второй вариант понравился, только я бы добавил таймер паузы после полного зажигания и угасания, чтобы более похоже на мигание было, а не на перелив. Интересно, что выйдет в итоге
Задержки добавил.
Второй вариант очень крут!
сделай медленней! как на лексусе вальяжно и не пренужденно)))
уже сделал в 1,5 раза медленней
3-ий вариант )) Если не будет, можно и первый
Вечером будет 3-ий, уже процессор запрограммировал )
второй понравился больше, но чуток помедленнее бы
Согласен, сам тоже так чувствовал, сделал в 1,5 раза медленнее. Вечером 3 интересный вариант будет.
Лучше первый. Но надо ещё подумать, что-то не вяжется
Третий вариант будет лучшим! (От DenisChas)
1й однозначно. Вот если бы ещё задние от центра разбегались, а не с одного края
От центра сделать не проблема, но хотелось чтобы с направлением поворота была ассоциация.
Знасит леаый с правым разные будут?
Естественно — обратно симметричными )
1й
За 2- й вариант, но с небольшой поправкой: "движение" света должно идти в сторону поворота и не возвращаться обратно.
это 3-й вариант, его уже предложили, вечером выложу видео.
Привет! Слушай, на заднем точно надо делать бегание по длинной оси. Будет смотреться круче 100%.
С текущимм вариантами тебя потом замучают вопросом, почему по длинной оси не сделал )))
Буду отвечать что "лень переделывать!" )
А программно перепрошить порядок зажигания диодов?
Сколько сезонов отходит плата не окислившись и не подгнив?
Плата под 2-мя слоем спец.лака, служить будет долго. Разъемы будут изолированы сырой резиной 3М.
Что за резина ?
Идет рулоном шириной 40мм, толщиной примерно 5мм, когда ее начинаешь тянуть она все вокруг себя "обволакивает", поверх проходишься хорошей изолентой и соединение на века. Мы так раньше герметезировали разъемы антенн сотовой связи которые круглый год подвергаются неблагоприятными климатическим воздействиям: солнце-дождь-мороз. Чтобы снять такую обмотку с разъема чтобы к нему добраться — еще надо постараться!
Первый
Очень здорово. Мне нравится волчонок (2й вариант). Но для красных, действительно лучше бы смотрелось в завершение плавное угасание также в том же направлении что и розжиг. Для круглых нужно увеличить время горения и время паузы, т е полное отсутствие свечения.
Принято, вечером покажу.
вариант 2
Не могу определиться, но мне кажется 1 вариант лучше
Не спешите определяться, вечером будет 3-й вариант от DenisChas )
За второй вариант
2 +
а если сделать для красного повторителя бегание огней не слева на право, а снизу вверх
Придется переделывать печатную плату, а так не охота это делать! )))
Мне тоже кажется снизу вверх было бы логичнее, исходя из формы самого фонаря.
вариант "Волчонок", но для круглых повторителей нужно обязательно частоту моргания уменьшить + добавить небольшой период времени, когда светодиоды вообще не светятся, это необходимо для сигнала поворота, так сигнал будет лучше восприниматься.
Ну, и как уже много раз написали, для верхнего фонаря сделать "убегающие" поворотники — загорелись с одного края, плавно разожглись до полного, потом, с этого же края плавно потухают. Будет круто.
Сегодня вечером покажу этот 3-й вариант.)
Надо объединить — Круглый Волчонок + Овальный Лексус
2 вариант Волчонок лучше. На повторителе точно. На вертикальном фонаре не было желания угасание сделать не назад влево, а вправо? то есть слева начало светиться, а справа закончило.
Этот вариант вчера вечером предложил первым DenisChas, сегодня его реализую и вечером выложу видео, посмотрим что получится.
Волчонок лучше
Ты еще и на машинке вышивать умеешь?
По поводу поворотников: вариант 2 (Волченок) для белых (от центра) — понравился.
Красные не понравилось ни то ни то. Тоже надо как-то или от центра или тупо мигать интенсивностью. Эти все "бегущие экраны" раздражают.
Или уж сделать чтобы "пробегало"
Чтобы "пробегало" будет сегодня вечером, этот вариант предложили ниже, еще не успел подправить прогу. )
Я сам придумал — потом прочитал :-). … мысли сходятся.
)))
Все как обычно на должном уровне! Но вот только не понятно, почему выбор пал на обычные светодиоды? Почему например не использовать адресуемые RGB со встроенным WS драйвером, типоразмера 5050? Тогда бы и затухающие эффекты были бы на другом уровне, и перелив и вообще все что угодно))
Тут и так как на елке получилось, а еслиRGB использовать, то это уже для следующего проекта "НЛО". )))
2 й вариант с полным "убеганием" вертикальной полосы и затуханием слева направо
Зачеет
Класс👍 Wolf
А не сделать ли чтоб в верхнем фонаре световая волна полностью проходила слева направо, полностью "отрываясь" слева?
Такой вариант предложил ниже DenisChas, сегодня вечером покажу видео что получится.
Посмотрел несколько раз и то и то. Не сочтите за критику, но не понравился ни первый вариант, ни второй. Первый вариант смахивает на проблесковый маячок службы газа. Второй на заклинивший маячок службы газа. Очень частый интервал, который мешает воспринимать сигнал. Если смотреть с этой точки зрения, то первый вариант при уменьшении частоты будет лучше.Как то так. А вобще конечно тема, хочется диодной темой заняться тоже.
2 вариант замедлил в 1,5 раза. Мне тоже показалось частота высокой. Сегодня вечером будет 3-вариант, не пропустите, может он понравится.
Будет интересно!
Второй вариант по душе. А что, если сделать на заднем поворотнике разгорание снизу вверх с обратным притуханием. Как второй вариант, но по вертикали?
Плата разведена как 6 вертикальных дорожек, переделывать не охота! )))
Ну, тогда второй вариант подтверждаю)))
Сейчас как раз наступает Год собаки! Пора бы уже покрасить "волчонка"… )))
Мной поставлена задача в новогодние праздники отдать Волчонка в покраску )
Второй режим
Первый вариант уже как-то попсово. Второй интересней.
Ром.Третий вариант не рассматривал?
Поделить задний фанарь по вертикали.внутренняя долька стоп/габарит.внешняя поворотник.
Так будет информативней.
Долька будет маргать по лексусу от центра на уменьшение, показывая направление действия.
Не притендую на истину, но не удивлюсь, если переделаешь)))))
Так не думал, на заднем повторителе еще круглая бляшка есть, она все таки под тормоз. Если честно печатные платы уже готовы и переделывать их совсем не охота )))
Есть кооперативные стекла задних фанарь, без кругляхи)
Или пятак на габариты, оставшиеся дольки на поворот и стоп
Все таки не хочется платы переделывать. Стоп-фонарь будет работать так: 2 крайние полоски LED будут работать габаритами, 4 средних полоски под сам стоп-сигнал. При нажатии на тормоз 4 полоски быстро 3 раза мигают и далее светятся постоянно пока не отпустишь педаль тормоза.
Lexus
Оба хороши, но всё-таки лексус
в первом варианте просматривается анимация (суть задумки), а во втором анимация не видна практически, как обычные лампочки
Lexus
Второй вариант, ИМХО, лучше смотрится. Подкину ещё вариант (на задние): от краёв в середину либо от середины в края. Как, пойдёт?
Здесь преследовалась цель показать направлением мигания показывает направление поворота )
Мне кажется можно сделать чтобы Нижний вспыхивал, а верхний переливался вверх. Тогда будет интересно
Как верхний может переливаться вверх?
2+
Волчонок. Херали на тот Лексус ровняться) а если честно, "волчок " приятнее глазу
Останутся оба варианта, переключение между ними простым тумблером )
2+
Lexus
Ты бог 😂🤝🖒😎
Нужно было добавить два своим комментария, один лексус, второй волчонок и собирать на них лайки.
Да, ступил, придется вручную подсчитывать! Шутка, на самом деле, независимо от голосования будут реализованы оба режима и они будут переключаться обычным тумблером, в зависимости от настроения )))
1+
Первый
Второй!
Второй
1+
Вариант 2 ! Огонь!
Второй вариант
Вариант 2
Фонарь лексус, круглый повторитель вариант 2
1+
Обалдеть! Маньяк светодиодный :-) Вариант 2.
второй вариант более ламповый.
2 Вариант
Чёт не увидел принципиальную разницу, особенно в круглом повторителе.В нём диоды вообще по сути выглядят как лампа накаливания.Для динамического поворотника нужна сравнительно длинная горизонтальная фара, а здесь она (сзади) вертикальная.
Может сделать в круглом повторителе как в радарах, чтобы от центра прямая линия по кругу крутилась? (как раз на волчок похоже слегка будет) А с задними даже и не знаю, проситься если и динамический, то от центра вверх.
Согласен что нужна горизонтальная фара, но ее нет. А делать «радар» не сложно, но есть всему мера, хватит имеющихся вариантов, они останутся оба, переключение между ними будет осуществляться простым тумблером.
1+!
1 режим lexus
Второй!
Второй, я так понимаю всегда будет возможность поменять программу в контроллере?
Они оба останутся в контроллере, переключение между режимами будет реализовано обычным тумблером.
+ LEXUS!
2 вариант
1
Второй вариант
Вариант второй, а так это был последний гвоздь. Все эмоции на пике. Печатная плата разнесла понимание о том где такие руки, и я не понимаю из каких мест они должны расти, что бы так и во вмех областях. Я за себя плачу горючими слезами. Когда будет готова, я обязательно приеду в Пензу )))))
Спасибо, но это не «последний гвоздь» время до покраски еще есть )))
)))
+ за Lexus
+ за LEXUS
Прошу учесть мое мнение, вариант номер 1. ;)))
Принимаются ВСЕ мнения, задержки и варианты включения можно легко поменять. Как уже раскрыл тайну, останутся оба режима, переключение между ними обычным тумблером )
Первый !
Волчонок больше понравился
+ за LEXUS вариант
Первый вариант.
Второй вариант.
Лучше сделать обычное моргание, без этих приблуд всяких)
Внимательно читаем начало поста: «ведь это слишком просто, не интересно и банально!»
1-й гармоничнее.
2-й на "пятаке" смотрится очень хорошо, но на заднем мне не очень понравилось, может сделать от центра к краям разбегание? т.е. центр 100%, к краям по нисходящей 90-80-70-60-50 ну как-то так ))
p.s. хотя глупость написал про задний повторитель, но стоит подумать в этом направлении.
«Разбегание» не хотел бы, все таки цель была показать миганием цвета — направление поворота.
тогда я за LEXUS.
НО! Может тогда сделать у варианта 2 не возврат, а, брррр, как бы это объяснить… ну чтобы он не от 0 до 100 доходил, а потом обратно, а чтобы он тухнуть начинал сначала. ну т.е. он сначала зажигает сколько там линий? 1-2-3-4-5, а потом тушит начиная с 1-й постепенно. наверное не понятно. короче 2 варианта вместе и лексус и волчонок :) сначала как у лексуса, а потом не сброс, а тушишь от начала. вот.
Плюс за первый вариант! Супер
Много раз наблюдал за всякими Ауди, Лексус и т.д. с динамическими поворотниками и вывод — не видно их нихрена, а это информация и путь к безопасности. Отталкиваясь от таких умозаключений я за второй вариант, на мой взгляд он более информативный и в тот же час со своей изюминкой.
На самом деле останутся оба варианта, выбор режима щелчком тумблера)
Волчонок симпатично, но просится нормальная пауза между морганиями. Наверное.
Можно сделать чтобы после засвета всех диодов гасли они так же, от меньшего к большему (в том же порядке, как и загорались)
Реально, сегодня уже не охота, а завтра подправлю программу и посмотрим что получится, самому интересно. Большое спасибо за идею! )))
Тоже хотел предложить данный вариант. По типу бегущего огня. Интересно что выйдет. На передних уйдёт эффект обычной лампы накаливания, а на задних будет показывать направление поворота. И если данный вариант будет третьим, то я за вариант 3!
Сегодня вечером покажу что из этого вышло )
2 вариант больше понравился
Фантастика!