Продолжение. Начало тут.
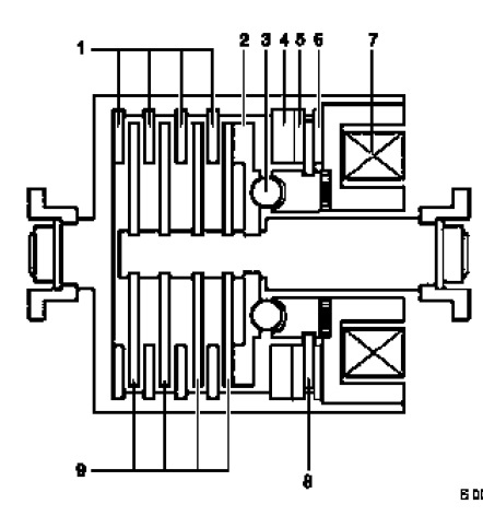
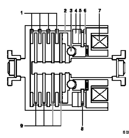
Межосевая муфта в сборе

Схема межосевой муфты в сборе

Электромагнитная катушка (6) притягивает якорь вспомогательной муфты (4). Ведущие диски вспомогательной муфты прижимаются к ведомому диску муфты. Ведомый диск удерживает кулачковую шайбу вспомогательной муфты.
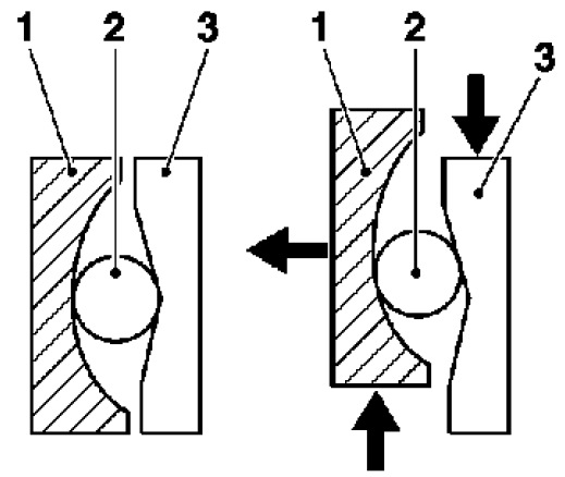
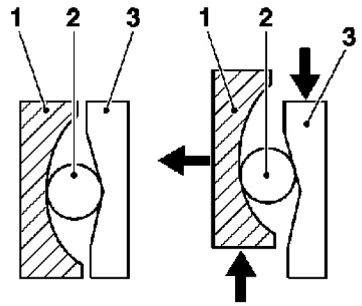
Шарико-кулачковый механизм

Кулачковая шайба вспомогательной муфты и ведомый вал межосевой муфты вращаются с одной
скоростью, если на электромагнитную катушку подается напряжение. Кулачковая шайба основной
муфты и ведущий вал также вращаются с одной скоростью.
Вспомогательная муфта

Вспомогательная муфта
Под действием разности скоростей вращения ведущего и ведомого валов межосевой муфты кулачки вспомогательной муфты вытеснят шарики, которые, в свою очередь, надавят на кулачковую шайбу основной муфты, в результате чего ее диски войдут в зацепление.
Межосевая муфта в сцепленном состоянии

Ведущий и ведомый валы муфты соединены через диски и снова вращаются с одной скоростью. Крутящий момент передается от двигателя на задний мост. В обычных условиях не происходит пропорционального управления межосевой муфтой. Наличие муфты позволяет плавно включить полный привод. Блок управления муфтой осуществляет подачу тока на электромагнитную катушку в импульсном режиме, так как электрическое сопротивление катушки слишком низкое и осуществлять подачу 12 В непрерывно невозможно. Сопротивление катушки должно быть низким для того, чтобы обеспечить быстрое срабатывание по команде блока управления. Скважность импульса определяет напряженность электромагнитного поля. Если необходимо обеспечить прочное сцепление муфты во время ускорения, на нее подается высокий ток. Если все четыре колеса вращаются с одной постоянной скоростью, подавать высокий крутящий момент на задние колеса нет необходимости, поэтому блок управления муфтой снизит подачу тока на катушку, чтобы предотвратить ее перегрев.
Конструкция межосевой муфты не предусматривает работы в режиме повышенного трения в течение
длительного периода. Трение приводит к повышению температуры муфты. При повышении температуры до определенного уровня блок управления муфтой перестанет подавать питание на катушку. Полный привод снова включится только после того, как температура опустится до нормального значения. Датчик температуры следит за температурой электромагнитной катушки. Блок управления муфтой рассчитывает температуру внутри межосевой муфты исходя из сигнала датчика и расчетного значения проскальзывания. И измеренное и расчетное значение можно просмотреть в перечне данных на диагностическом приборе TECH 2.
В обычном режиме проскальзывание происходит только в момент сцепления и расцепления муфты.
Для диагностики системы полного привода можно воспользоваться следующей методикой:
— Чтобы проверить включение и работу полного привода, следует съехать всеми четырьмя колесами с дороги, включить двигатель и выбрать передачу или диапазон передач (для АКПП).
— Если автомобиль исправен, все четыре колеса будут вращаться.
— Теперь поставьте автомобиль на стояночный тормоз.
— Задние колеса перестанут вращаться.
— Нажмите на газ и наблюдайте за задними колесами.
— Они должны начать слегка проворачиваться по мере набора оборотов двигателем. Это указывает на то, что система полного привода работает исправно.
После включения стояночного тормоза диски в межосевой муфте начнут проскальзывать и быстро нагреваться. В обычных условиях это никогда не происходит. По этой причине не рекомендуется проводить данное испытание с включением стояночного тормоза более чем на 5 секунд.
Дополнительные сведения см. в Технологии технического обслуживания.
Обслуживание модуля заднего привода
Задний дифференциал заливается синтетическим маслом для конических зубчатых передач. Замена этого масла в процессе эксплуатации не предполагается.
Если масло доходит до нижнего края наливного отверстия (автомобиль при этом должен стоять на ровной поверхности), значит коробка заправлена полностью.
Пробка заливного отверстия модуля заднего привода

Межосевая муфта залита маслом для автоматических коробок передач, которое в ходе эксплуатации не заменяется. Замена заводского масла в межосевой муфте на сервисное также не предусмотрена.
Диагностика модуля заднего привода
Сведения о диагностических кодах неисправности

Если в память блока управления муфтой (CCM) заносится диагностический код неисправности, будет работать только передний привод. На это указывает горящая или мигающая лампа индикатора системы полного привода.
Индикатор полного привода (AWD)
При включении зажигания проверка лампы индикатора полного привода не проводится. Лампа индикатора полного привода загорается при возникновении какой-либо неисправности в этой системе. При включенном индикаторе работает только передний привод.

При перегреве модуля заднего привода загорается индикатор полного привода, при этом привод осуществляется только на передний мост. После снижения температуры до нормального уровня индикатор выключится и полный привод снова заработает.






Комментарии 12
Нету в Антаре полного привода. что такое полный привод это 4х4 когда все 4 колеса гребут, а в Антаре 1 переднее и максимум 1 заднее. То есть не полный привод, а подключаемое заднее колесо…То есть передать часть момента на одну из осей 🤣🤣🤣🤣🤣
Спасибо за информацию! Очень помогло. Автору Спасибо!
Я правильно понял, что на Антаре обычный (не самоблокирующийся) дифференциал?
Обычные. В принципе назад можно. Воткнуть самоблок.
Выходит у антары подключаемый задний мост?)))) И на асфальте мы ездим только на переднем приводе а в экстренных ситуациях задний мост подключется по команде эбу?)
Эх.
Ещё бы поймать команды в CAN и попробовать управлять — зажимать муфту по требованию. Хоть на мгновение😃
… познавательно
ты помнится спорил с кем то про работу пп. поэтому и решил запилить запись?
Это регулярно возникает, а с антараклаба скачать не у каждого таланта хватает.
То есть если бы ты поступил в МАДИ, то писал бы про инженерку?
:) :) :)
В свободное от основной работы время я бы, наверное, писал про отопление и вентиляцию.
:) :) :)