Тема уже всем известная, но всё же))
Началось всё с того, что начал парить мозг звуковой сигнал, вернее штатное токопередающее устройство, которое выполнено в виде медного кольца на втулке рулевого вала и подпружиненного стерженька, который по этому колечку бегает… Можно было просто по стержню и колечку наждачной пройти, но это слишком просто)) Наткнулся я как-то на тему с установкой на волгу токопередающего устройства, он же клокспринг, он же улитка от Газели Некст, там же было расписано про вживление кнопок управления магнитолой от иномарки. Начал подробнее изучать эту тему, тем более лично знаю как же всё-таки удобно управлять магнитолой с рулевого колеса)), и понеслась…
Сначала установил улитку от Некста, при этом хочу отметить, что они бывают двух видов, простая, которая поддерживает передачу тока только для сигнала, и посложнее, которая поддерживает ещё и Управление кнопками магнитолы)
В общем снимаем Руль, с рулевой колонки скидываем злосчастную втулку:

На её место вообще без каких-либо сложностей устанавливаем вот такую улитку:

В итоге у нас остаются ненужные детали, которые можно отправить на свалку:

Далее Руль…
Я пошёл по самому простому пути, и намутил Руль от Газели Next с кнопками (артикул A21R23-3402010-10)

Очень переживал, что он будет очень стрёмно смотреться в Волге, но к моему удивлению всё очень даже норм вышло)) Как грузовик не смотрится точно)))
В общем устанавливаем его на законное место так же вообще без каких-либо сложностей:

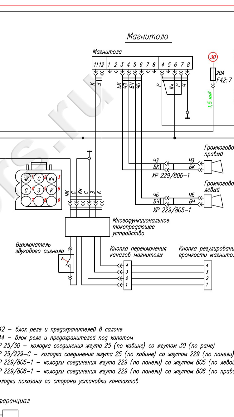
Кроме руля, мне ещё досталась абсолютно новая Магнитола всё от той же Газели) Её мы устанавливаем вместо штатной Блау…


Ну и остаётся дело за малым… подключение:

Имеем 6 проводов:
Чёрный и синий — масса
Желтый — звуковой сигнал
Коричневый — «+» после включения габаритных огней
Красный и зелёный — на 11 и 12 контакт в магнитоле:

В итоге получаем полноценный мультируль в Волге:

А кнопки ещё и светятся )

В общем я очень доволен результатом!





Комментарии 53
какая красота молодец я тоже так хочу
Ничего сложного, но как правило Всё в стоимость комплектующих упирается
Небольшое исправление к схеме — коричневый это подсветка кнопок. Его надо к габаритам вешать. Даже если его не подключить то всё будет работать, только кнопки светиться не будут.
Да, согласен, на этот же провод вешается ещё и подсветка прикуривателя и розетки, подправил.
По сути у меня в итоге просто с включением зажигания загорается и подсветка
Руль заказывал с центральной накладкой вместе?
Да, она в комплекте была
Вопрос по пришиванию этого руля к другим магнитолам уже прорабатывал?
Не пробовал честно говоря, но думаю в случае чего существует куча различных адаптеров
если выяснить как оно работает, и знать распиновки, адаптер не проблема собрать)если оно работает только лишь по принципу "есть контакт-нет контакт", то зада только запиновать как надо
Руль в твоём красивом салоне выглядит простовато и грубовато. Надо бы его как то украсить.
По хорошему нужно в аквапринт закатать декоративные элементы машины, но пока не до этого)
Классно получилось.
Спасибо
Молодец братан.идея замечательная.тоже собираюсь менять руль.хоца с кнопками.пожалуй воспользуюсь твоим примером.но, обещаю замудохать вопросами если что!))))
Без проблем)
на 3110 он явно не станет место родного…
В 3110 в нагрузку рулевую колонку от 105-ой нужно будет ставить…
да уже почитал…
psinax
В 3110 в нагрузку рулевую колонку от 105-ой нужно будет ставить…
зачем надо было делать разные шлицы? Делать кому то нечего было
Кто-то ещё за такое передовое научное нововведение наверное и премию получил)))
да да)
psinax
Кто-то ещё за такое передовое научное нововведение наверное и премию получил)))
Надо сказать спасибо что они после 24 Волги хоть рулевую колонку выровняли )))) «Высоцкий.Спасибо что живой» так и у нас «Горьковский.Спасибо ты пытался»
надо себе стандартную баранку заменить. Достало уже это недоразумение((( Хотя бы от бизнеса впенд…ть…
От бизнеса умирает оооочень быстро
Qattroo
надо себе стандартную баранку заменить. Достало уже это недоразумение((( Хотя бы от бизнеса впенд…ть…
От бизнес практически такой же как рестайл и внешне и качеством. Поставь тоже от газель некст, отличная альтернатива
мне от некста и нравится больше. Ставить буду без кнопок
Я тоже предпочёл без кнопок, хотя с ними вид лучше и современней. Но я особо не пользуюсь и незахотел переплачивать. Зато очень скоро буду его в кожу обшивать.
Если кнопки так не нужны — можно установить улитку, которая поддерживает кнопки и при перешиве руля подогрев внедрить))
Я кстати подумываю об этом… у меня сейчас по сути два провода на массу идут, можно оставить один, а второй отправить на подогрев руля
хорошее дело, но опасное, можно улитку пожечь большим током.
Тут не поспоришь)
если и тут не экономили должно сработать, но где наше мнение, а где экономия на газе)))
Тащем-то со стороны стрёмно руль смотрится. :) Его бы реально хотя бы в оплётку, а так обшить, конечно…
Фото непередаёт, в живую руль гораздо симпатичней
Я смотрю в сравнении с тем, что на фотках в профиле машины и теперь. Так-то не спорю. :)
Я понимаю. Но действительно, фото почему то непередаёт. У меня такой же руль, скажу очень симпатичный. Загляни где нибудь в кабину газель некст и поймёш о чём это я.
HorheZBig
Я смотрю в сравнении с тем, что на фотках в профиле машины и теперь. Так-то не спорю. :)
Спорт Руль по размеру вроде и норм, но в остальном вообще меня не устраивал
HorheZBig
Тащем-то со стороны стрёмно руль смотрится. :) Его бы реально хотя бы в оплётку, а так обшить, конечно…
Норм смотрится, фото реально не передаёт
Симпотненько родной баранки. Приборы все хорошо видно?
Да, всё видно, никакого дискомфорта точно не испытываю
Супер!
Вечером пришлю фото от лица водителя)
Ждём
www.drive2.ru/l/508831442420105936/
Вот тут кстати есть фото, но я тож сфоткаю обязательно
Dr666Gazgolder
Ждём
Зачёт!
psinax
А эта пенелька с кнопками встанет на руль Волги последних выпусков?
Нет
Скажу, вышло о.уенчик!
И не говори)))
Отличный руль, у меня такой же, только без кнопок, скоро в кожу его оберну. Смотрится на мой взгляд лучше родного, диаметром чуть меньше, это в плюс. Качество на порядок выше, особенно рестайлинговых рулей, которые стираются и крошатся. Тот кто думает что грузовой, тот наверно просто невидел в живую и не подержал в руках. Весит тоже намного меньше, это тоже плюс. Вообщем отличный руль, я бы сказал намного лучше родного любого.
Полностью согласен
Привет, руль в какую цену вышел?
Мне по сути на халяву достался, но цены колеблется от 3500 до 5500