Загорелся чек с данной ошибкой.
первым делом проверил все линии:
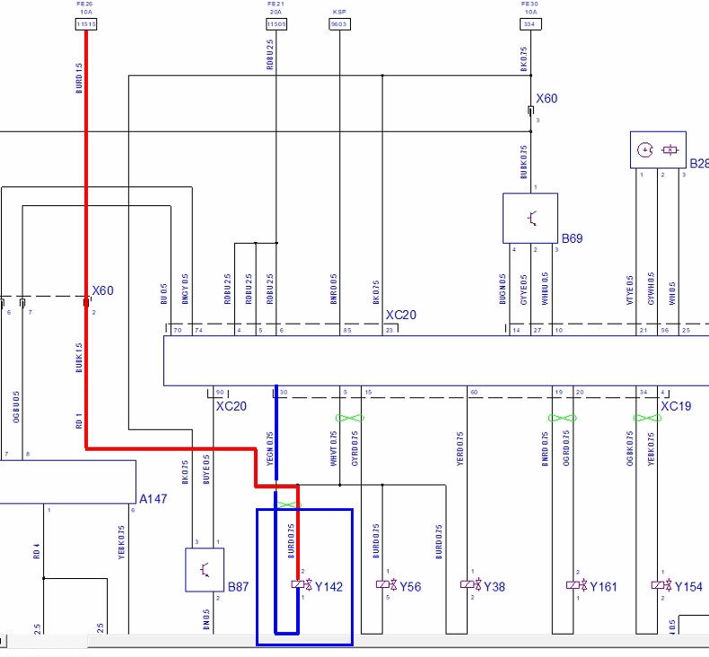
от ресивера до клапана вакуум есть.
от клапана то ткр при создании вакуума шток двигается.
соединив напрямую ткр с ресивером шток поднимается.
не удается поднять шток создав на клапане вакуум, он на ХХ закрыт.
напруги на клапане нет не ХХ не на 3000.
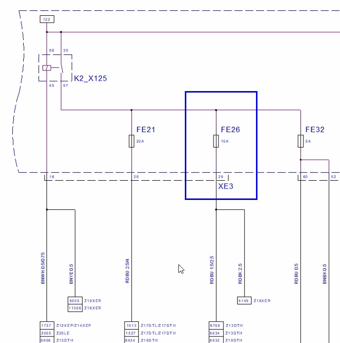
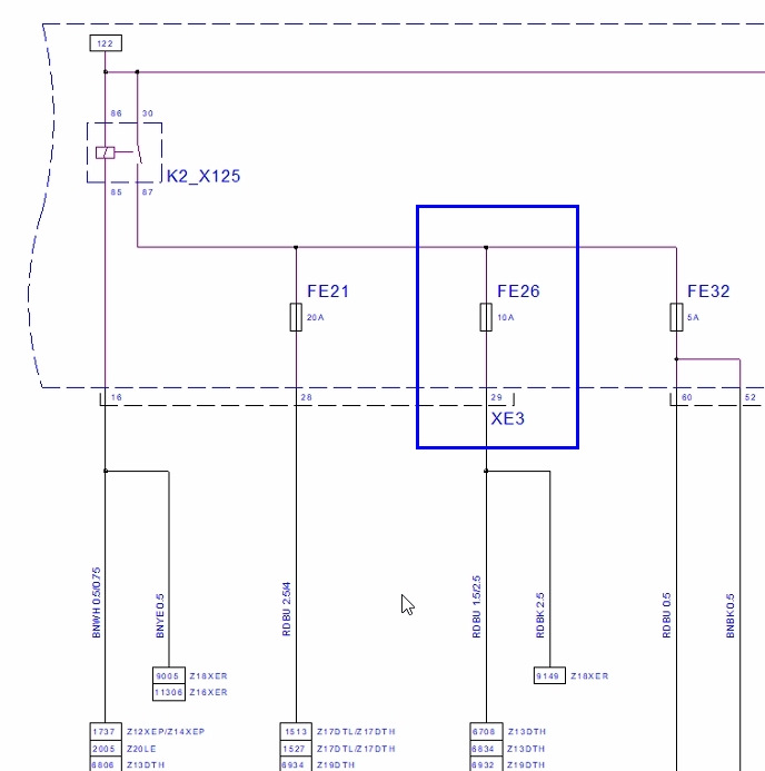
пред FE26 целый
если правильно понял схему работы то на хх на клапане должно быть напряжение и
он должен быть открыт соединив ресивер с ткр.
на больших оборотах клапан должен прикрываться и
сбрасывать вакуум с ткр в атмосферу.
куда копать?
ПС. подал +12 с акк на клапан -клапан заработал.
буду искать обрыв
ППС. Виновник найден












Комментарии 5
Возможно на реле контакты закисли, вот и не проходит напряжение
переломился провод у корня штекера
Урааа, нашёлся!
смотреть контакты на разъёме к мозгам… встречал запись на драйве, у кого не помню, сходу найти не смог, что аналогичная проблема была именно там… мозги не отсылали клапану сигнал… решилось пшиканием очистителем контактов
На выходе эбу попробовать посмотреть управляющий сигнал после сброса ошибки.
С другой стороны, вряд ли он будет, если линия цела.