Всем привет! С возрастом PajeroSport по непонятным причинам становится все холоднее и холоднее… С печки дует прохладой, былого тепла нет и в помине.
Можно промывать радиатор печки, можно менять. Но замена связана с очень большим разбором всего и вся в салоне.
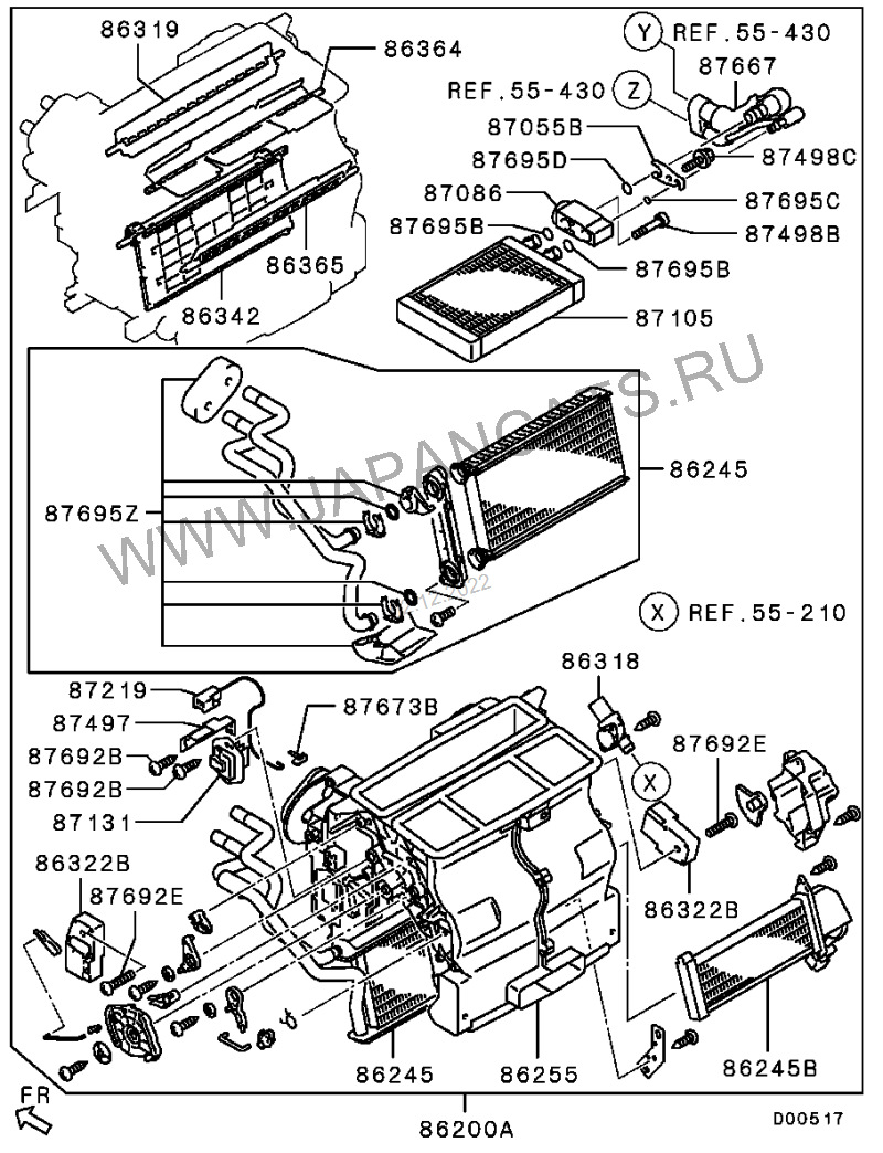
Камрад Александр нашел неплохой способ — он описан в статье про замену радиатора печки фирмы SAT партномер ST-MB93-395-0.
В статье все хорошо и наглядно описано как и что, повторяться не буду.
Александр так же провел анализ состояния внутренних поверхностей спиленного радиатора печки — вот тут отчетец
Важное замечание!
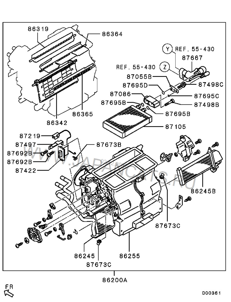
Начиная с определенного года выпуска (согласно каталога — с октября 2012 года) PajeroSport II в системе отопителя произошли изменения!




Таким образом выходит, что с определенного момента заменой становится сам радиатор — и геморроя с отпиливанием труб или разборкой торпеды для полной замены уже нет.
Сразу надо заметить — радиаторы разные и по форме и по размерам! Они не взаимозаменяемые!
Для справки — в качестве замены радиатора отопителя печки используем:
— радиатор с уже приваренными трубами (или вариант описанные в этой статье) — 7801A382
— радиатор 7801A913 с возможностью купить ремкомплект уплотнений для установки — 7801A914
Ну а я попросту распилил радиатор ради праздного любопытства. Забегая вперед скажу сразу — в моем случае замена радиатора была не нужна. С чем связано понижение температуры воздуха обдува — вот загадка.










С каждым распилом мое разочарование все усиливалось. Радиатор практически чист. Согласитесь — за неполных 9 лет вполне себе все хорошо. Можно было обойтись и простой промывкой.
Вполне себе объяснима чистота радиатора с точки зрения применения качественных антифризов и их регулярная замена (частичная замена раз в год после мойки радиаторов в ноябре каждого года). Антифриз использую такой — Ликви-Моли Langzeit Kuhlerfrostschutz GTL 12 Plus, красный.
Что в итоге? Замена радиатора была лишней. Родной радиатор можно было и промыть. Греть печка с новым радиатором лучше не стала. Почему? Дело не в радиаторе. Вполне вероятно, что умная климатическая установка считывает с датчиков температуры как внутри салона, так и за бортом, неверные значения в силу деградации/поломки этих самых температурных датчиков. Интересно было бы посмотреть по кан-шине что эти датчики на самом деле показывают.






Комментарии 36
Если выставить регулятор температуры на максимум, то по идее уже должно быть неважно, что там считывают датчики.
И, кстати, вебасто имеется? (Нашел в БЖ — имеется). Удлинение магистрали к печке тоже может замедлять ток жидкости. Решением может быть дополнительный клапан либо помпа.
запутался и не совсем понял… подача на печку приходит на верх радиатора? обратка соответственно с низу уходит
Ну вроде так… В другую сторону работать будет хуже
тогда непонятно как верх радиатора чист а низ зарязнен в углу? получается все таки подача с низу а выход сверху раз верх обсалютно чист а низ только угол.
вот ваш текст
1.Отпиливаем самое грязное место — дальний угол от входного штуцера.
2. Минимум семь каналов (кстати, спаренных) снизу заросли каким то песочком или отложением — скорее всего это результаты реакций этиленгликоля из состава антифриза с металлами
3. Отпиливаем дальше весь низ радиатора.
практически весь низ радиатора чист, за исключением дальнего угла
4 Отпиливаем дальше — весь верх радиатора.
И еще вы решили все таки проблему с отопителем. почему он не грел?
Мыл летом со снятием, сейчас жарит хорошо, много как песка было.
Эх не все просто с радиаторами от SAT. Недавно заказывал для знакомого радиатор так под тем же парт номером "пришел" но уже с трубками, как оригинальный.
Есть случаи, описан здесь на Д2, когда радиатор от SAT не влез в корпус печки НМПС
тоже пришел с трубками
Спасибо за ценный опыт!
Добавил в закладки.
Тоже надо отцепить фишку.
Помпа норм — новая
У меня 280т греет 🙄
Обычно термостат тупит при таких симптомах
Или помпа
crocodilered
Обычно термостат тупит при таких симптомах
Термостат новый-новый, сваренный перед установкой. Все норм. Дело скорее всего не в нем.
Привет. Рассказываю свой опыт с нашим климатом))) Снял я разъем с датчика температуры салона и теперь воздух, что на лобовое стекло, что в ноги дует одинаковый. То есть климат перестает регулировать температуру по салону, а поддерживает ту температуру которую я выставил крутиклой.
Ты забыл рассказать где у нас разъём датчика температуры салона )
Так он у нас со стороны пассажира на серебристой накладке )) Отметил красным на фото. А подлезть к нему можно сняв бардачок и пластиковую накладку)
пшикни прям в него через решетку ничего не разбирая, из очистителя тормозов, или если валяется то очиститель ДМРВ, станет лучше, у меня такое было www.drive2.ru/l/594174985212273992/
Если не станет, тогда снимай фишку, но мне пока норм
Я уже снял) меня прям очень устраивает работа))
instrucTOR-Z
пшикни прям в него через решетку ничего не разбирая, из очистителя тормозов, или если валяется то очиститель ДМРВ, станет лучше, у меня такое было www.drive2.ru/l/594174985212273992/
Если не станет, тогда снимай фишку, но мне пока норм
туда лучше просто воздухом дуть, там обычный терморезистор стоит.
не, там налипшая пыль толстым слоем, лучше очистителем, 100 проверенный вариант
Alex5024
Так он у нас со стороны пассажира на серебристой накладке )) Отметил красным на фото. А подлезть к нему можно сняв бардачок и пластиковую накладку)
уточните пжста, какую накладку снимаем?
Можно не снимать, а нужно снять бардачок, потом пластик и слева нащупываем разъем датчика и снимаем.
Aids42
Ты забыл рассказать где у нас разъём датчика температуры салона )
А вот сам разъем) И фото с камеры телефона)
Alex5024
Привет. Рассказываю свой опыт с нашим климатом))) Снял я разъем с датчика температуры салона и теперь воздух, что на лобовое стекло, что в ноги дует одинаковый. То есть климат перестает регулировать температуру по салону, а поддерживает ту температуру которую я выставил крутиклой.
И прям хорошо стало? У меня климат дурит страшно, при включенном кондее пытается постоянно дуть холодом, если только на максимум температуру не выставить.
Отлично стало, если раньше зимой я ездил и крутилку температуры ставил 30 или за 30, то сейчас 26.
а раньше я наоборот ставлил 18, потому что на 17 дико холодно, а на 19 и выше уже жарко))))
Получается еще роль играет сам блок климата… так как допустим у меня на спорте с 3.2 мотором блок климата с крутилкой температуры делений 30. А есть спорты с 2.5 моторами где крутилка с цифрой 27…
неважно что написано на крутилке, по факту климат ставит 17 минимум 22 середина 27 самое жаркое, смотрел через МУТ.
машина у меня тоже с 3.2.
Еще у меня периодически возникают ошибки по климату, когда их сбрасываешь кажется что начинает работать более адекватно.
Да я только предположил… не играет, значит не играет… Ошибки по климату у меня кстати то же бывают.
Alex5024
Отлично стало, если раньше зимой я ездил и крутилку температуры ставил 30 или за 30, то сейчас 26.
а можно поподробней, что происходит, если отключить датчик температуры салона? у меня наоборот ставишь 20 — жарит сильно. доп. вентилятор кондея помог, вроде терпимее стало, но все равно не могу найти идеальное положение.
А как доп вентилятор кондиционера который установлен на улице может помочь с температурой внутри салона? Особенно зимой.
Alex5024
Привет. Рассказываю свой опыт с нашим климатом))) Снял я разъем с датчика температуры салона и теперь воздух, что на лобовое стекло, что в ноги дует одинаковый. То есть климат перестает регулировать температуру по салону, а поддерживает ту температуру которую я выставил крутиклой.
Отключив этот датчик, климат точно поддерживать температуру не будет. Без него это просто печка.
Вы сами лично проверяли? А я проверил на протяжении 280 км, и мне очень понравилось как стал работать климат. Что из верхних, что из нижних воздуховодов дует один и тот же воздух. С той температурой которой я выставил на регуляторе. А раннее при тех же параметрах с подключенным датчиком температуры салона я регулятор температуры на трассе ставил за 30 чтобы в салоне было тепло. А точнее жара… А сейчас без датчика температуры салона регулятор выставлен на 26…и в салоне очень комфортно.
А остальные крутилки в положении авто были? Отключение датчика лично не проверял. Я температуру больше 24 никогда не выставлял, было тепло. С датчика температуры сигнализации тоже 24 показывает. Единственно что очень долго заданная температура устанавливается.
Нет в ручном режиме.
Alex5024
Вы сами лично проверяли? А я проверил на протяжении 280 км, и мне очень понравилось как стал работать климат. Что из верхних, что из нижних воздуховодов дует один и тот же воздух. С той температурой которой я выставил на регуляторе. А раннее при тех же параметрах с подключенным датчиком температуры салона я регулятор температуры на трассе ставил за 30 чтобы в салоне было тепло. А точнее жара… А сейчас без датчика температуры салона регулятор выставлен на 26…и в салоне очень комфортно.
тоже пробовал отключать его, вскрывал заслонку, и смотрел, крутя крутилку…перемешается ли она, и оказалось, если подключить датчик салона, от реагирует тока на 29 градусов где то, а снял с датчика, начал с 26 реагировать. но ниже 26 не регаигрует, не двигает заслноку, по ходу еще что то влияет на температуру эту