Этот софт я начинал делать для себя, но постепенно пришел к тому, что он может быть полезен для многих. Предназначен он для автомобилей SPA / CMA платформ и умеет помимо чтения и сброса ошибок еще кое-что полезное.
Спустя несколько месяцев работы в фоновом режиме, уже можно говорить о скором выходе первой публичной версии.

Для основного сценария использования не требует регистрации, смс, подключения к интернету и подписки.
Он включает в себя чтение и сброс ошибок, запуск/сброс различных калибровок, сервисный режим стояночного тормоза, сброс межсервисного интервала и просмотр онлайн полезной для диагностики информации из блоков управления, примерно как это делает VIDA, детализация ошибок конфигурации, чтение пробега из всех блоков и другое.









Добавил пару отчетов, чтобы получить в PDF список ошибок, номера софтов всех блоков управления и конфигурации авто.


Из непубличных возможностей VTool — умение грузить софт. За подробностями можно обращаться в личку.
Для работы понадобится проводок для подключения к сетевому адаптеру компьютера. DICE и другие J2534 адаптеры не поддерживаются и вряд ли будут, поскольку это не имеет смысла.
Еще немного скриншотов:




Доступен для скачивания: vtool.info






Комментарии 165
Добрый день!
Можно ей сделать калибровку блока тормозов
Хс60 2020 год
да
Здравствуйте, какой шнурок для работы с вашей программой
Приветствую, вашей программой на xc90 2 калебровку эур возможно произвести?
Добрый день
А на хс40 через нее можно прожиг сажевого запустить?
можно в коммерческой версии
Здравствуйте! У вас под одним из скринов, написано адаптация заслонок и разблокировка стояночного отопителя. Что такое разблокировка стояночного?
Стояночный отопитель блокируется после нескольких неудачных запусков. VTool позволяет разблокировать
Понял, спасибо!
ant0nk0
Стояночный отопитель блокируется после нескольких неудачных запусков. VTool позволяет разблокировать
А если он все равно блокируется? После нажатия кнопки
Если отопитель первой генерации, то он блокируется после наработки определенных часов (для сервиса), надо сбросить это интервал на 0
ant0nk0
Стояночный отопитель блокируется после нескольких неудачных запусков. VTool позволяет разблокировать
Не работает эта функция(
Ок
При переключении с красного кружка на зеленый сразу же возвращается обратно в красный(
это говорит о неисправности подогревателя
Похоже од подменил его, пока тачка стояла на долгом ремонте у них (замена двс) раньше работало все(
ant0nk0
это говорит о неисправности подогревателя
Посмотрите в лс, пожалуйста, вопрос о приобретении полного функционала.
Здравствуйте! А как получить учетную запись?
Такой же вопрос, но автор не отвечает
Добрый день. Монджаро рест 2025 эбу бошь, будет сканировать?
Я имел ввиду плашет xiaomi Pad, или нужно подключать комп. Это мой первый опыт владения Volvo
Доброе утро! Хочу получить подписку VTool. Авто XC60T5, имею планшет и преобрел Vgate vLinker MC+, каковы мои действия. Хочу получить более широкие доступы к авто. Как оплачивать.
доброе. внимательно посмотрите на скриншоты, разве там планшет?
Машину 21 года s60 можно русифицировать?
Здравствуйте, а беспроводного решения для подключения нет?
Как актуализировать показания уровня масла на Geely Mongaro? Показывает 1665 мм, но это непонятное число. Возможно данные в восьмиричном исчеслении или ещё как-то их нужно переводить в обычные мм?
Нужен SDDB для Mongaro
Что это такое?
Anton4242
Как актуализировать показания уровня масла на Geely Mongaro? Показывает 1665 мм, но это непонятное число. Возможно данные в восьмиричном исчеслении или ещё как-то их нужно переводить в обычные мм?
При смене масла провел эксперимент с уровнем на монжаро см. у меня в журнале.
Автор сможет помочь интересно или нет? Скорее всего ему нужен автомобиль для эксперимента.
Добрый день.
Что добавится в платной версии?
И сколько это будет стоить?
Больше интересует диагностика и обслуживание GEELY.
Как осуществляется оплата.
Приветствую, на форуме не нашел инфу, подскажите пожалуйста, какую версию винду нужно использовать? достаточно домашней или лучше pro?
Для тех, кому интересен запуск программы на маке под OSX
Получилось подключиться к машине используя такую комбинацию: MacBook Pro M3, сетевой адаптер TP-Link UE300C, адаптер для BMW ENET. На маке запустил UTM виртуалку с Win 11, в настройках сети выставил "Network Mode: Bridged (Advanced)" и всё заработало
Не затруднит ли Вас ответить, где именно выставляется "Network Mode: Bridged (Advanced)"? У меня по такому же сетапу как у вас но не запускается
Вот здесь, в редактировании свойств виртуалки, если я правильно помню
В "Bridged Interface" может понадобиться указать конкретный адаптер. На скриншоте сейчас выбрано неправильно, en0 это встроенный wifi адаптер. Внешний сетевой адаптер у меня определился как en7 или что-то вроде того (цифра могла быть другой) — вот его и нужно указать.
На днях доберусь до машины с компом и восстановлю точный сетап, если вы меня не опередите
Спасибо вам большое, вечером попробую )
Здравствуйте. Можно узнать цену на лицензию и способ оплаты (в л.с.)
Здравствуйте, программа V-Tool для андроид имеет тот же функционал?
Можно информацию как получить учетку.
программа для телефона не имеет никакого отношения к этой программе, совпадение названия случайное
Ссылка на кабель не работает, сможете обновить?
Здравствуйте. Можно ли сделать адаптацию спидометра? По штату стояли 19/245/45(не помню точно), поставили 20/245/45. Врет зараза на 4км/ч и далее с увеличением скорости.
это делается через изменение конфигурации, а не калибровкой спидометра
Понял, без покупки про никак😒
Скачал программу, как снять ограничение скорости и отключить кнопку SOS на volvo s90 2022 из Кореи?
Добрый день. Как получить учетную запис?
Здравствуйте! Как получить учетную запись, можно получить ответ в ЛС?
А програмирование доступно в программе?
Да
Здравствуйте! А как получить учетную запись?
В ЛС
А можно, чтоб эта программа была на русском языке?
Здравствуйте. А скажите, возможно ли понизить предел разряда аккумулятора, для запуска вебасты? На данный момент 11.8В и перестает работать, а с утра вообще не запускается.
подзарядите или поменяйте лучше аккум, с таким напряжением все блоки будут кидать левые ошибки в систему
Спасибо.
Удалось запустить через Whiskey (wine) на Apple Silicon. Распаял переходник – работает. Думаю, на других Wine тоже не будет проблем с запуском.
Если приложение на Python, то может не будет больших проблем поддержкать нативную сборку под OSX?
Через crossover тоже запустил наконец без ошибок, но пока не приконнектился к тачке. Стремно немного, но я решусь.
MBP13 2020 на m1
Здравствуйте! Такой адаптер подойдёт? aliexpress.ru/item/100500…&sku_id=12000038371835005
Для Vtools и SPA.
Не знаю, пока не проверишь — не узнаешь
То есть попробуем на мне :-)
я никого ни к чему не призываю
Да я сам любопытный!
Подскажите подошёл данный адаптер?
Купил простой с проводом.
Wolff33
Здравствуйте! Такой адаптер подойдёт? aliexpress.ru/item/100500…&sku_id=12000038371835005
Для Vtools и SPA.
Я вот такой покупал, подходит
ozon.ru/t/25ubvoU
Не думал выложить в open-source? Я бы поучаствовал в разработке
Привет
А можно ли заиметь учетку?)
Спасибо, Антон!
Очень крутой софт получился 👍
Вопрос:
какой информации по уровню масла больше верить, Vtool или то что показывает электронный уровень на планшете ?
Так как разница существенная получается.
На "заполненность" шкалы уровня масла в vtool можно не обращать внимания, т.к. ECM выдает уровень в миллиметрах. Сколько миллиметров соответствует отметкам Min и Max — неизвестно, по крайней мере пока. В идеале нужно собрать статистику, сколько "мм" соответствует какому % на разных моторах и конвертировать уровень в уже привычные %. Если у кого-то таблица соответствия или формула — я готов это реализовать.
В моем случае уровень на планшете ~96 %, а во Vtool 35 🧐, что очень насторожило
А то, что единицы измерения разные? 😉 VIN в личку можете прислать? для статистики
Конечно👌🏻
а поддоны одинаковые дизель\бенз и датчики уровня тоже. хоть их и 3 номера поддона.
было бы не плохо инструкцию для чайников )))
Пока всё что могу предложить — регистрироваться на форуме и задавать вопросы
Добрый день, пара вопросов, а кто-то испытывал vtool + macos с поднятой виндой на виртуалке, будет работать? И куда донатить? :)
welcome на форум :) создайте там тему с вопросом
Spark-R
Добрый день, пара вопросов, а кто-то испытывал vtool + macos с поднятой виндой на виртуалке, будет работать? И куда донатить? :)
Xentry у меня так и работает
Супер красавцы!
Вопрос, возможно ли будет разблокировать скрытые функции на авто?
Огромное спасибо за колоссальный труд! Начал тестить, подскажите, планируется ли описание функций? Большая часть понятна, но некоторые хоьклось бы понять за что отвечают.
будет на форуме
Добрый день! Когда всё-таки планируется выход программы?
Добрый. Сегодня
vtool.info/
Большущий респект! 👍
Будем скидывать предложения по улучшению!
Добрый день! Планируется ли выложить программу, как было заявлено в анонсе?
Странно
Человек один сказал что ему поставили V-Tool который работает через BMW ENET …
Что касается отсутствующей поддержки протокола J2534 — это конечно очень зря… сомнительное решение отказаться от данного протокола
Добрый день. А софт позволяет узнать пин от сем, чтобы потом менять конфигурацию авто?
Без возможности правки конфига — что будете с этим пином делать ? Только если использовать с другими софтами, но уже платными. Да и правка конфига на SPA, это вам не правка его на Р1, Р2 и Р3, на что уже хоть руками или каким-нибудь софтом можно поправить … .
Имея пин можно пользовать Орбит или Вдаш. Правка основных опций уже описана в инете, так что глубокими исследованиями тут заниматься не придется (как это было на заре, когда ломали СПА)
Нюанс не в правке каких-то известных опций, а в контрольных суммах на них, которых там несколько … .
Я конечно сам не правил, но что не так с контрольными суммами? Естественно после правки она будет другой.
Вопрос в том — где они находятся и как их править. Без их правки изменения конфига не получится . .
Может я чего-то не понимаю, но после правки конфига сумма сама посчитается. И вот как раз ее не совпадение с зарегистривованной на сервере вольво приводит к бану авто. А на правку конфига она не влияет.
Не понимаете. Контрольная сумма сама по себе не поменяется. Ее меняют или руками в софте после редактирования конфига или в стороннем софте по работе именно с конфигом — там это должно быть заложено в программе … .
Тогда по какому принципу определяется авто с измененной конфигурацией?
Kostik-xc70
Добрый день. А софт позволяет узнать пин от сем, чтобы потом менять конфигурацию авто?
Как я понимаю, получение пин зависит от региона, где куплено авто. Если авто российское, то только со снятием СЕМ. Если нет, то можно дистанционно. И в любом случае, данный софт, как я понимаю, пин использует, а не получает. Причём пин этой суперской разработке нужен только для изменения конфигурации. Для диагностики он не нужен.
В целом все верно.
Нюанс не в Российскости авто, а в их блокировке. Мне просто было интересно пин получить для модификации конфига, снимать сем неохото.
Вы меня простите, но причина блокировки как раз в Российскости авто, так что нюанс как раз в этом. И как бы Вам не было интересно, но без снятия мозгов и их последующего подключения пока решения нет.
Пин можно посчитать и по ВИН-у, только удовольствие по деньгам это недешевое. Легче снять ЦЕМ и вытянуть программатором пин с него.
Читал Для наших авто не берутся по вину пин прислать
Kostik-xc70
В целом все верно.
Нюанс не в Российскости авто, а в их блокировке. Мне просто было интересно пин получить для модификации конфига, снимать сем неохото.
У двоих vtool подобрал пин. Долго правда: у одного за 4 дня, у другого 9 дней.
Подобрал пин на spa платформе? Там после 2018 года защита от перебора, ее обошли чтоль?
Обе машины ХС60 2018 года
Очень интересно было бы попробовать!
Жду с нетерпением.
Да, эта программа действительно выглядит очень хорошо. Приятно, что можно видеть не только диагностические ошибки, но и живые данные. Молодцы, действительно — жду, когда будет доступна.
Привет, ну когда уже? :) руки чешутся попробовать.
Офигеть! Это капец как круто! Респект!
Не являюсь владельцем spa, но безусловно — уважуха!
Молодец, жму руку 🤝
отличная идея. какая цена планируется?
Русский язык будет ? А то Английский язык наводит на мысль что тулза то заморская…
На р3 не будет работать?
На п3 есть p3tool
А на спа/сма p3tool не работает?
Ну если он п3тул, как думаете?
Ну мало ли…
Давно пора иметь россиянам простой инструмент по 2g платформе. Тут можно было бы и монетизазую небольшую применить. Жду
Отличная новость
Версия софта на русском языке будет?
Классная работа, обязательно попробую
Успехов в дальнейших реализациях своих проектов и желаний
Очень нужная вещь при даже мелких работах выполняемых своими силами
Так держать 👏🏻
Поддерживаю людей выше, этому проекту стоит прикрутить "краудфандинг".
Пусть будет добровольный, но владельцы Вольво не такие уж жадные ))
Обязательно сделайте хотя бы возможность донатов, если не хотите выпускать платную версию.
Отлично!
Круть и благодарность. Утрем нос забугорным инженерам вольво.
Круто! Будем ждать дальнейших новостей!
Предлагаю указать контакты для вознаграждения. Я бы закинул, да и некоторые в комментариях тоже не против.
Уважение и благодарность таким увлеченным и талантливым людям!
Убежден, нужен линк на донат!
Привет 👋🏼
Класс!
А куда донатить? 🥹
Антон молодец, ты лучший)))) ждем не дождемся)))))
Да, респект
Крутяк, попробуем конечно!
Это сигнал, что пора переходить на spa?! 🙂
Я ещё не все хотелки на Р3 поставил 🤦♂️😁
Антон жму руку 🤝
Полезное дело делаешь 👍
Респект и уважение!
Крутяк, соглашусь с товарищами, надо делать платную версию и развиваться дальше.
Круто! Надо искать под виндами комп. Наверное у сына завалялся 😉
Круто!
О! А с Р3 и с С1 будет работать?
Спасибо за софтину, мб давайте кто сколько может — переведет, чтобы авто мог купить себе кружечку кофе!
Вижу вин формы или WPF!)
Антон, ты топ! Прям лучше подарка и не придумать! Буду ждать с нетерпением. Лаунч все равно все что надо не может, а тут прям топ! Я готов, даже уже провод нашел!)
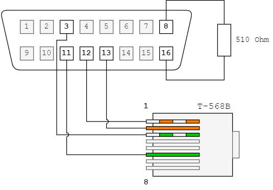
Оригинал/копия?
Переходник орига, провод самый обычный
Проводок тот же что и на орбит как я понял?
Если прям реально работает, очень круто. Мне кажется стоит подумать над платной версией, такая непростая работа должна оплачиваться, на одном энтузиазме далеко не уедешь, да и "партнерам" деньги уходить не будут.
Респект и уважуха
Респект и уважуха таким людям!
А RUS версия будет?
Вот это новость! Жму Вашу мужественную руку! И, жду с нетерпением саму прогу.
Антон, жму краба!
Вот это подарок сообществу!
Спасибо тебе огромное.
Офигенно, ждём и будем пробовать 🔥👍
Круто! Будем ждать
Вот это огненный подарок вольвоводам!
Провод же d5t5.com/eshop/detail/77/…e-adapter-9513108-genuine и его многочисленные реплики?
Вот это уровень! Высший класс.
Проводок только какой нужно приобрести не совсем понял?
Антоха! Огромный респект! Жду с нетерпением… ну и дай ссылку на проводок, что бы быть во все оружия!)))
Какой в итоге проводок?
Отличная работа! Только на Windows работает?
Haldex можно прокачать?
Я очень плотно занимался портированием Vida под Mac, но моих знаний к сожалению не хватило. Dice ни в какую не видит.
Тут дайса не будет…
Ilgam111
Я очень плотно занимался портированием Vida под Mac, но моих знаний к сожалению не хватило. Dice ни в какую не видит.
Это было бы очень красиво Vida под Osx!))
Пользоваться "параллелями" и виндой громоздко .
Технически проще, надёжней и практичней пользоваться разделом с виндой на маке.
Для Виды и прочих win приложений пользуюсь стареньким Эиром 11", практично и удобно!
(две ОС: Win7 + OsX)
qna.habr.com/q/447719
Абсолютно согласен с постом товарища на фото!
Что характерно, даже батарея за 12 лет не сдохла!))
Согласен, пользуюсь топовой Прошкой, последней на Интеле, работает на Винде как часы
Tokhan
Это было бы очень красиво Vida под Osx!))
Пользоваться "параллелями" и виндой громоздко .
Технически проще, надёжней и практичней пользоваться разделом с виндой на маке.
Для Виды и прочих win приложений пользуюсь стареньким Эиром 11", практично и удобно!
(две ОС: Win7 + OsX)
Всякие виртуалки да, но грузят мак сильно. Было желание переделать чтоб как нативная работала. Основа там DOS и писали программу фордовские программисты. 25 лет этим наработкам.
Tokhan
Это было бы очень красиво Vida под Osx!))
Пользоваться "параллелями" и виндой громоздко .
Технически проще, надёжней и практичней пользоваться разделом с виндой на маке.
Для Виды и прочих win приложений пользуюсь стареньким Эиром 11", практично и удобно!
(две ОС: Win7 + OsX)
Вас сейчас лаптями закидают за OSX :)
Вы красавчег)
Отличные новости, думаю такое будет полезно многим
Круто! Успехов в реализации!