Внимание! Пункты 2 и 3 в записи не верные и существуют лишь, как предыстория к финальной записи.

Кто-то в комментах предлагал мне купить новую сигналку. Ну, а что логично же — засорилась пепельница, купи новую тачку.
А у меня получилось достучаться до сигналки с помощью фирменного программатора взятого на время за 0 рублей.

Ещё в той статье, о которой я писал ранее, упоминалось, что подключались программатором на чипе CP2102, которого у меня к сожалению не было.

Зайдя в меню сиги, я обнаружил там пару несоответствий в значениях, из-за которых АЗ становился невозможным. Не понятно вообще, как до меня он осуществлялся и осуществлялся ли вообще.
Но стоило их поправить, как АЗ появился. А с ним новая неприятность — машина не позволяла совершить повторный АЗ, пока физически не включить и выключить зажигание. С решением этой проблемы, в очередной раз помог Sam1509
Теперь к нюансам установки. К сожалению, Starline A93 устанавливается на X-trail 32 с некоторым количеством костылей:
1. Замки будут работать лишь по аналоговому выходу, если планируется АЗ(а зачем она ещё нужна спрашиватся). Через CAN она не сможет открыться.2. С механической коробкой она тоже не дружит. По этому в мануале указано, что необходимо выставлять в настройках Автозапуска "АКПП".
3. Третий пункт вырастает из предыдущего — сине-красный провод разъёма х3 необходимо замкнуть на массу, дабы иметь возможность повторного АЗ без физического посещения автомобиля.
Но моя радость будет не полной, если я не осуществлю функцию мягкой посадки.
Как видим, у людей получается. Почему бы и не попытаться сделать себе такое.
Но есть нюанс — я не знаю где брать в салоне выход сигнала генератора и какой провод от замка зажигания пускать в разрыв через реле.
В данный момент мною найдены лишь вот эти схемы. Буду признателен за любую помощь в решении этой задачи.
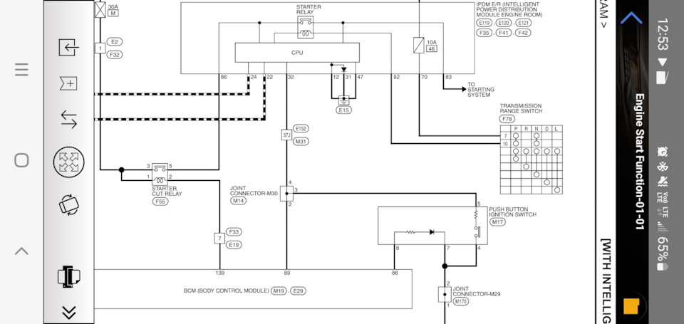
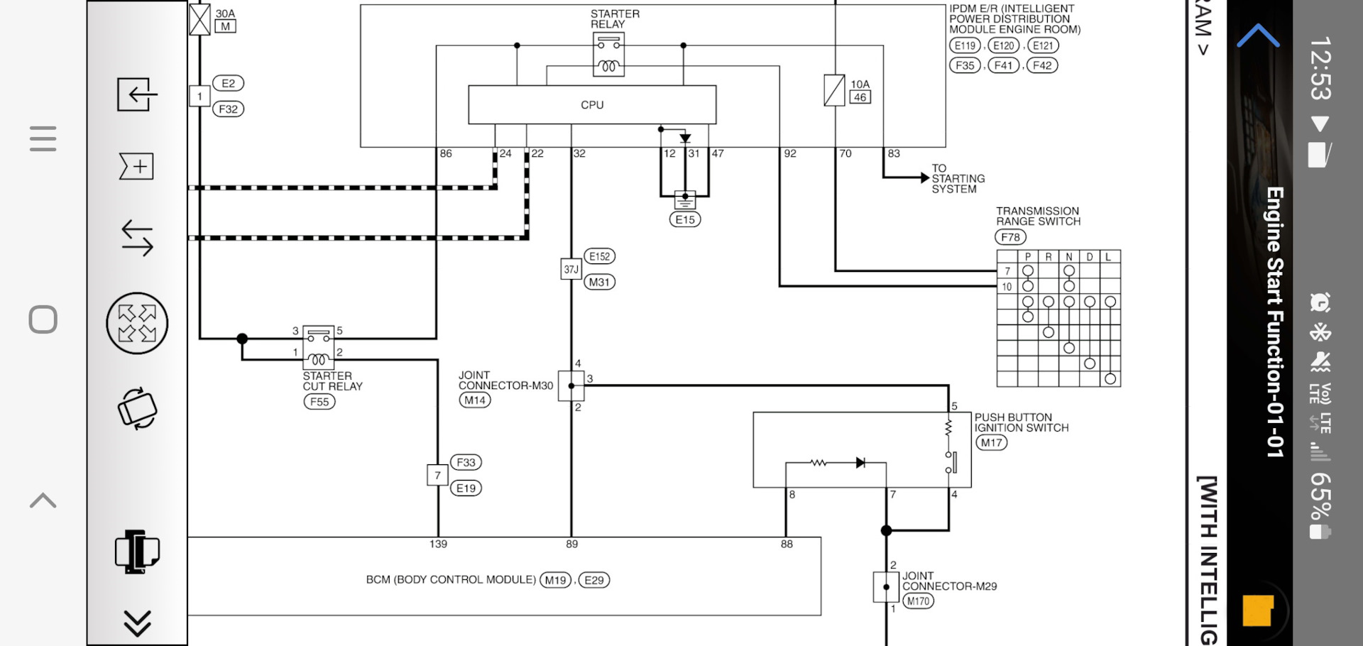
Одно из предположений в нахождении провода от кнопки зажигания это чёрный разъём блока ВСМ пин 101

А также серый разъём блока ВСМ пин 27 и 28

Тут на схеме провод от замка идёт на ВСМ и CPU и меня терзают смутные сомнения, что рвать надо именно тот, что идёт на CPU

Схему на приборку найти не смог. Предполагаю что сигнал генератора можно взять с блока ipdm, что стоит рядом с фильтром двигателя.
Да уж — легко сделать — сложно, а сложно сделать — легко.





Комментарии 24
В каком мануале так сказано: "необходимо выставлять в настройках Автозапуска "АКПП""? Странно это конечно. А в этих машинах датчик нейтрали есть? … на альмерах знаю что есть
Насколько я понимаю машина на "кнопке" (заводской бесключевой)? Если да, то я к тому, что всегда можно просто сделать по наиболее грамотной схеме (через имитацию нажатия кнопки) и как таковой вопрос "мягкой посадки" даже стоять не будет.
Что значит через имитацию? В статье выше чел обосновывает установку реле тем, что оно рвёт сигнал от мозга к кнопке, дабы обмануть сигу и она при снятии с охраны не глушила тачку. В моём же случае она сначала её глушит, а уж потом открывает двери. Даже не нажатием на педаль тормоза. Датчика нейтрали, как я понимаю нет, это же механика. А вот скрин из мануала по установке этой сиги именно на хитрилу.
датчик нейтрали как раз на механику и ставится … те, кто ставит сигу на альмеру (мкпп) в настройках ставят "акпп" и подключаются к этому датчику … чтобы не надо было проделывать программную нейтраль
Что касается "имитации" — имелось ввиду чтобы сига, когда вы дистанционно даёте команду на запуск не релюшками включала зажигание/стартер (как это предлагает старлайн), а просто вызывала штатный автозапуск, точно также как вы сами это делаете каждый раз перед поездкой
А насчёт "обмануть сигу, чтобы она не глушила" — возможно вы неверно представили, ибо зачем рвать сигнал с кнопки … Я ту статью, на которую вы ссылаетесь как то уже читал вроде … там речь про то, чтобы лишить блок смарта знания о том что включено зажигание и двиг заведен … и тогда он среагирует на нажатие кнопки как надо — включит штатные реле зажигания (по второму нажатию), а сига свои отпустит … и тогда будет безразрывный переход с колхозного старлайновского а/з на штатный а/з … правда тут тоже не всё так просто и на разных машинах может быть разная побочка … ведь получается что перед данной поездкой нормального штатного автозапуска (с правильной последовательностью включения штатных блоков) так и не произошло
Теперь понял на счёт датчика. Есть идея запитаться от кнопки ручника. Это ладно это просто.
Аз в моём случае осуществляется подачей сигнала на провод стартера в блоке Всм, а плата 2can2lin выступает как обходчик иммо.
А вот на счёт штатного Аз — вообще не понятно как он работает без ключа и есть ли он на моей машине.
И вопрос как осуществить грамотно Аз с включением всех блоков и возможностью мягкой посадки остаётся открытым.
он давно уже закрыт, этот вопрос … Самый грамотный а/з — это когда привнесённая система просто имитирует предусмотренную заводом последовательность, и всего лишь … иными словами, она должна делать тоже самое что и вы … Если для запуска двига вы нажимаете кнопку — то и сига должна делать тоже самое. Если запуск двига осуществляется ручной коммутацией (замком зажигания), то и сига значит должна производить ровно ту же последовательность коммутаций.
чтоб не повторяться вот некоторые ссылки на мои же комменты по данной тематике:
www.drive2.ru/l/678721656…9566/#a678800546911486456
www.drive2.ru/l/681302760…7694/#a681353887789103159
www.drive2.ru/l/679825841…9420/#a679835187353232037
Сига в первую очередь выполняет роль обходчика иммо. И как я полагаю, через кан шину имитирует кнопку. А если так, то именно она виновата в отсутствии мягкой посадки.
если она "имитирует кнопку", то зачем тогда её подключать к стартеру?
Интересный вопрос. Но как я понимаю, все сиги работают по такой же схеме.
И ещё там же по схеме она подключается к 2м проводам зажигания на блок всм.
Скорее всего по проводу стартера она отслеживает время его работы.
Нет, если б у вас машина была с классическим замком зажигания, с помощью которого вы вручную коммутируете канала зажигания и стартер, то подключение по "замковой схеме" было бы адекватным решением, ибо сига делала бы тоже самое … +ущербность бесключевого обхода иммо не проявилась бы … все бы думали, что всё нормально … но в конфигурации где есть штатный а/з костыльность сиговского обхода стала очевидной
В связи с чем возникает вопрос — как быть в этом случае и как добиться мягкой посадки?
Ну это легко — договоритесь с кем-нибудь (дайте ему второй ключ), чтобы по вашему звонку он шел и заводил двиг вашего авто … ну и чуть позже вы уже сами будете приходить … Таким образом вы организуете себе дистанционный запуск двига (разве нет?) и про "мягкую посадку" даже не подумаете, ибо в этом случае она не может быть не мягкой … не так ли? как думаете, почему?
Штош пойду искать желающих.
но я ещё забыл добавить — любая, даже древняя сига без а/з (с небольшими доработками), скажем 2003-го года, сможет без проблем по команде с пульта сделать тоже самое, что и тот "желающий" … а уж любая более-мене современная — тем более.
Про наличие доп каналов в курсе. Но по факту это те же костыли на релюшках, как и заводской способ установки. Сига установлена, теперь достаточно одной реле и одного доп канала чтобы получить мягкую посадку.
какой ещё "заводской"? — нет никакого "заводского" способа, ибо речь в принципе об установке левого, самопального, неодобренного никем оборудования… Или вы думаете, если что-то красиво упаковано, то оно какое-то там особенное? Любой старлайн, пандора …и все прочие — это серийно выпускаемый самопал, тут не надо себя обманывать, они хоть и всячески с помощью красивых терминов, коробок, надписей… внушают большинству, что типа всё так высокотехнологично … но факт таков, что когда ты подключаешь к штатной шине данных (can/lin…) этот самопал, то как ни крути с точки зрения производителя авто — это нехилое вмешательство.
А что касается "мягкой посадки" — может для начала попробовать в настройках (в программе) убрать галочки на "глушить при снятии с охраны" …итд и посмотреть что выйдет. Ведь сига убирает питание с реле (те самые зажигание 1 и 2) согласно каким-то настройкам, а не по собственной воле…
Уже стоит галочка "не глушить" — не помогает.
получается она игнорирует эту настройку, а это может быть только в случае, если такое специально включили в прошивку именно под вашу конфигурацию (либо этот кусок кода тупо наследуется для них)… а раз так, значит когда они выпустили прошивку и испытывали её, то не смогли придумать способ осуществить безразрывный переход. Там же задача какая? — чтобы сига свои те две реле отпустила, но к этому моменту штатные уже подхватили цепь, а они её подхватывают в рамках штатной последовательности автозапуска — именно об этом я подробно писал в тех комментах на которые давал ссылку выше… и ваша задача — для начала как-то не дать сиге глушить двиг при снятии с охраны и уже потом обманывать штатные блоки, чтобы они думали что двиг не заведен и зажигание не включено, чтобы они же включили свои релюхи по команде с кнопки. Уверен, что если хорошо изучить схему, всё это можно устроить … но себе например, я бы такой колхоз даже не пробовал устраивать … то есть изначально просто сделал чтобы сига туп "нажимала" штатную кнопку и всего то, тем более там у них всех прямо под это есть готовый сценарий (вариант) в той самой функции №01
Только сейчас прочитал твои каменты. Грамотно и по существу разложил. Согласен с тобой, что система идиотская. Что им мешало сделать по уму, если они не предлагают доп устройств для "мягкой посадки". Ну да ладно, это всё политес.
В функции 01 выставлено "кнопка". Просто скрин взял другой. И при этом МП отсутствует. Как же тогда переподключить сигу грамотно, чтобы оно работало?
Кнопка? странно… Я конечно в подробности не вдавался именно данной сиги, но раньше, когда только в сигах стали добавлять "кнопочный" сценарий, то для "нажатия" на кнопку использовали стартерный канал, обычно это черно-желтый провод. То есть если скажем ты в таблице выбираешь "кнопку", то после команды на запуск на этом проводе появляется короткий импульс, а зажигание 1,2 и асс уже использовались для каких-нибудь альтернативных нужд … например, "нажать" тормоз перед нажатием кнопки… в инструкциях обычно рисуют диаграммы какие сигналы на каких проводах появляются в зависимости от выбранного режима а/з, ну текстом уж точно расписано…
Когда выбрана замковая схема, то там обычно сначала подается питание на зажигание 1,2, асс, затем через пару секунд на стартер, далее стартер отпускается и всё — двиг заведен. — стандартная классическая последовательность
Короче, такие вещи надо в любом случае уточнять по конкретной инструкции. Возможно в вашем случае тот факт что выбрана "кнопка" не особо влияет на что-либо.
Чтобы 100% сделать мп, как я уже писал, — надо с помощью схемы сымитировать тоже самое что делаете вы при запуске двига самостоятельно — нажать кнопку, то есть реализовать соответствующую схему и сделать соответствующие настройки — сейчас у вас сделано по "замковой" схеме — и чтобы в рамках неё реализовать мп надо сделать то что я писал ранее — ""для начала как-то не дать сиге глушить двиг при снятии с охраны и уже потом обманывать штатные блоки, чтобы они думали что двиг не заведен и зажигание не включено, чтобы они же включили свои релюхи по команде с кнопки."" (но тут уже нужна некоторая квалификация)
Вообще сига очень странная. Хоть и 18го года, а настройка на кнопку есть. А вот механику можно выбрать, но при этом АЗ осуществить не выйдет, так как она тупо не считывает программную нейтраль. Сейчас найду где там выход с гены, чтобы запретить сиге отслеживать двиг по кану и перейти на аналог. Думается мне, что в таком случае она уже сможет пустить меня в машину не заглушив двигатель.
bitset
Кнопка? странно… Я конечно в подробности не вдавался именно данной сиги, но раньше, когда только в сигах стали добавлять "кнопочный" сценарий, то для "нажатия" на кнопку использовали стартерный канал, обычно это черно-желтый провод. То есть если скажем ты в таблице выбираешь "кнопку", то после команды на запуск на этом проводе появляется короткий импульс, а зажигание 1,2 и асс уже использовались для каких-нибудь альтернативных нужд … например, "нажать" тормоз перед нажатием кнопки… в инструкциях обычно рисуют диаграммы какие сигналы на каких проводах появляются в зависимости от выбранного режима а/з, ну текстом уж точно расписано…
Когда выбрана замковая схема, то там обычно сначала подается питание на зажигание 1,2, асс, затем через пару секунд на стартер, далее стартер отпускается и всё — двиг заведен. — стандартная классическая последовательность
Короче, такие вещи надо в любом случае уточнять по конкретной инструкции. Возможно в вашем случае тот факт что выбрана "кнопка" не особо влияет на что-либо.
Чтобы 100% сделать мп, как я уже писал, — надо с помощью схемы сымитировать тоже самое что делаете вы при запуске двига самостоятельно — нажать кнопку, то есть реализовать соответствующую схему и сделать соответствующие настройки — сейчас у вас сделано по "замковой" схеме — и чтобы в рамках неё реализовать мп надо сделать то что я писал ранее — ""для начала как-то не дать сиге глушить двиг при снятии с охраны и уже потом обманывать штатные блоки, чтобы они думали что двиг не заведен и зажигание не включено, чтобы они же включили свои релюхи по команде с кнопки."" (но тут уже нужна некоторая квалификация)
Сегодня меня осенило о чём речь "машина не заводила и блоки ничего не понимают".
Надо сигналы acc 1 и acc2 не на блок всм подключать, а через реле напрямую замыкать кнопку, как это делается когда ты сам её нажимаешь. И тогда машина будет будить все блоки адекватно и Мп будет доступна. Не понимаю только почему изначально в мануале не расписана такая схема.
это не "осенило". Это просто то, о чём я написал в первом своем сообщении
bitset
какой ещё "заводской"? — нет никакого "заводского" способа, ибо речь в принципе об установке левого, самопального, неодобренного никем оборудования… Или вы думаете, если что-то красиво упаковано, то оно какое-то там особенное? Любой старлайн, пандора …и все прочие — это серийно выпускаемый самопал, тут не надо себя обманывать, они хоть и всячески с помощью красивых терминов, коробок, надписей… внушают большинству, что типа всё так высокотехнологично … но факт таков, что когда ты подключаешь к штатной шине данных (can/lin…) этот самопал, то как ни крути с точки зрения производителя авто — это нехилое вмешательство.
А что касается "мягкой посадки" — может для начала попробовать в настройках (в программе) убрать галочки на "глушить при снятии с охраны" …итд и посмотреть что выйдет. Ведь сига убирает питание с реле (те самые зажигание 1 и 2) согласно каким-то настройкам, а не по собственной воле…
Даже не тешил. Это примерно как датчики колёс, но за очень дорого. Ардуино по цене золота.
www.drive2.ru/l/530832944969810552/
ShotJustice
Интересный вопрос. Но как я понимаю, все сиги работают по такой же схеме.
И ещё там же по схеме она подключается к 2м проводам зажигания на блок всм.
Скорее всего по проводу стартера она отслеживает время его работы.
она по этому проводу этот самый стартер и включает своей релюхой … а те "ещё два провода" это зажигание1 и зажигание2, которые как и стартерный тоже включаются сигой (за пару секунд до собственно включения стартера.) это и есть обычная классическая запитка по замковой схеме, именно она в той вашей табличке и выбрана. Именно так сига и запускает двиг — своими релюшками. Именно так и ваши штатные блоки запускают двиг — своими релюшками.
Вот только в первом случае это делается в обход штатных блоков, чему они сильно не рады.
А во втором именно они запускают двиг и всё происходит штатно.