Помню когда в 2018 году купил енота печка в в нем жарила прилично и это нравилось также как и свет, вместительный салон, и штатная музыка. И вот настал 2024 и печка приуныла, насколько? ну совсем, дула еле еле теплым. Хоть сколько грей, , , опыта было мало, начал с малого, замена термостата, ибо на первый взгляд казалось что когда идешь по трассе дуть начинало совсем холодным, в голове рождались всякие теории о том что термостат всегда приоткрыт и от сего не греет печка.
Заказал термостат, вот такой

далее взял ноутбук и решил посмотреть что там с температурой
и получил вот такой график

И тут начали закрадываться мысли, что термос не поможет и что-то не так с циркуляцией
сразу представилось как сгнила крыльчатка все еще родной помпы, хз сколько она прошла
сразу подкину график того как должно быть, когда все уже сделано и работает исправно,
но это будет уже в конце

ну а пока была заказана помпа
вот такая

замена термостата прошла первой и проблем не вызвала, комплектное резиновое колечко не стал использовать как и другие драйверы, ибо оно чуть меньше, использовал оригинальное бу, и встало и работает отлично. Таково состояние за термостатом

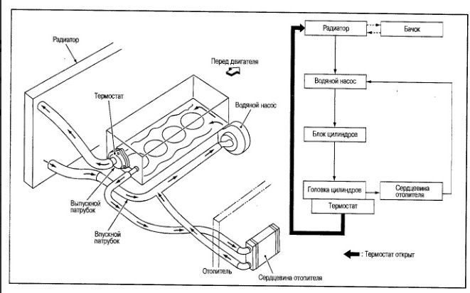
для удобства, но не скорости замены снял ресивер, аккумулятор, ведь заодно еще хотел заменить не оригинальный подающий патрубок на радиатор печки. и переделать схему подачи на заводскую где подача осуществляется в верх патрубок и слив снизу, до меня кто-то решил сделать наоборот.
вот официальная схема

далее приступил к замене помпы для сего нужно обязательно снимать правую опору и все ее кронштейны, двигатель опускать вниз на домкрате, также снять правое колесо и можно снять подкрылок, но я не снимал просто отгинал когда было нужно,
помпа сидит на 5 болтах м6, японские метизы спустя 18 лет откручиваются будто вчера закручены внури как новые.
два болта откручивал снизу из ямы

остальные 3 со стороны колесной арки, вот они на уже поставленой новой помпе

помпа сидит на герметике по заводу
я использовал тонким слоем вот такой

чтобы добавить удобства, накрутил временно две направляющих на м6 в виде шпилек, иначе хз как там все это делать ведь места в обрез и надо не размазать герметос по рычагам и шкивам когда будешь заводить.
Шпильки выручили! Собираем в кучу и заливаем антифриз по заводской схеме
сняв тот самый верхний патрубок на печку, от самой печки, но не от ГБЦ оставляя его на той же высоте на которой он штатно находится, льем антифриз (я использовал coolstream jpn) до момента как он потечет с того самого верхнего подающего патрубка, как полилось ( я со второй попытки подвесил на конец шланга стаканчик чтоб не терять ценность ) прекращаем лить и ставим патрубок на место, далее доливаем до уровня между мин и макс в расширительном бачке заводим греем ждем пока термостат откроется, чуть газуем и все ок, ПРОБКИ нет! все просто если у вас система исправна и не забита, крыльчатка на месте, термос термостит, а крышка на бачке сбрасыват излишек давления и стравливает при охлаждении вакуум. Иначе ни какие горки и газ в пол вам не помогут. я через это прошел, ведь дело было не в бабине, а в забитом в усмерть радиаторе печки. а ведь он полноценный участник малого круга на этом ноуте да и на волге у меня было также.
короче, следующий этап меняю радиатор. Почитал что люди там торпеду скидывают и ужаснулся, помню я чуть приспускал торпеду на волге и вытаскивал блок печки целиком, но тут! хреновы джапацы! поглядел как товарищ гнет тот самый не в тему установленный кронштейн и домкратит блок печки монтажкой, ну я подумал а я че лысый, , сделаю также, , , , сдергнул чуть назад центральный тоннель, снял панель с центральными подстаканниками, там все описано в инете и по наитию (тоннель два самореза сзади, заглушка под рычагом ручника, два пистона по углам тонеля спереди ( у меня один отъехал)) панель с подстаканниками два пистона и защелки. Далее интереснее хренос два этот кронштейн согнешь он толщины 2мм и профилированый сидит приваренный к трубе на три точки, если вы мощный мужик пробуйте гните, я пошел в магаз за чудо инструментом РЕНОВАОР и отпилил кусок кронштейна. Именно реноватор там поможет ни болгарка ни че больше, (портативный лазер если ток ; )

а еще подпилил нижнюю точку опоры кронштейна она будет мешать вытащить радиатор (сделал максимально сколько можно

И да, монтажка под корпус печки хреновенькая идея, ведь она ломает тонкий пластик дна корпуса, я конечно сделал так, но после хрусь, пошел пилить выше указанную нижню точку прикручивания кронштейна, чтобы не так сильно домкратить, трубки сползнают с определеным усилием но не сильно сложно, Резинки на трубках не менял так как верую в оригинал, , , а да еще нужно снять воздуховод в ноги водилы он мешается висит на двух саморезах,
новый радиатор поставил вот такой, оригинала нет а если и есть то он по цена как радиатор от боинга,

впринципе встал но не так идеально как оригинал, ведь если помотрите на оринальный valeo у него нет заднего бачка, и там такие ребра как бы и вот в корпусе печки есть свое ребро которое входит меж ребер задка радиатора valeo. а на неоригинале позади задний бачок и внем нет выемки под ребро в корпусе печки он доконца не заходит в корпус, пример 3мм, но длины тех 2 саморезов что удерживают радиатор в корпусе хватает. У лузара вроде конструктив как у валео, и да! когда будете забирать ваш новый радиатор из магаза обращайте внимание на ровность патрубков вот мои примеры

Далее
Unio то что я поставил в итоге

ну и вот со снятого валео

мое unio защелкнулось нормально я бы даже сказал четко
а вот nrf не на шутку испугал
ну и под конец добавлю два видео
Печка жарит аки пламенный дракон, и запомните, пробки могут быть воздушные и грязевые и ее кое какие, , ,
воздушные на таком ноуте уходят просто, если печка не начинает дуть горячим значит нет циркуляции и значит забит радиатор печки, от сего движку жакро а вам холодно






Комментарии 16
Тоже менял себе и термостат и печку, после замены печки жарила новая около месяца и потом вся забилась, сейчас в плана почистить оригинальную забитую, промыть систему, поставить фильтр для горячей воды с картриджем, поставить печку и месяц ездить с фильтром, потом говорят все ок.
Я старый радиатор смог прочистить, время покажет что произойдёт
чтоб такого не было раз в 3 года надо слить антифриз залить воду дистиллированную прогреть движок слить снова воды залить сливается муть после 3-4 раза сливается уже вода почище после все слить залить антифриз это из серии бюджетной промывки есть спец средства которые чистят возможно так не придется менять радиатор хотя ничего не вечно конечно же спасибо за фото если понадобится будем обращать внимание на этот момент как помпа старая новая? визуальные отличия потекла? может износ какой-то?
Вот старая помпа, крыльчатка на месте, люфта почти нет, не текла, помпа оригинал, хотя подшипник кажется скоро б вышел из чата — есть некий шум при вращении
По отпиливанию в труднодоступных местах. Сейчас есть мини болгарки, максимально злой аппарат. По повооду забития печки, если это остатки герметика от прежнего владельца, или новый тосол много даёт осадка, то вероятно повторение забивания. В идеале механический сантехнический фильтр поставить, у меня такой стоит, чищу периодичски.
Да, видал однажды такую мини болгарку, но это еще более специфичный инструмент даже чем реноватор, что до забития я думаю это не качественный антифриз жа еще скорее всего разбавленный водой
Силён.
Вернет так себе термостат, во остальном всё отлично, у себя такую же процедуру делал+доп помпа
да название говорит само за себя, но поглядим, старый кипятил — работает, может чуть позже открывается чем новый, но мерял пирометром не термопарой не оч точно
Garik41
Вернет так себе термостат, во остальном всё отлично, у себя такую же процедуру делал+доп помпа
Верно, размер меньше ориг. антифриз просачивается.
Ага
Сегодня у нас -34. Антифриз подтек из под крышки термостата, в расширителе тю-тю, перестала греть печка. Полный писец… Говозапчасти делают своё дело.
У нас так же холодно 2й день.
Автозапуск по температуре самое надёжное, иначе да, что то где то даванёт.
Так всё же, что именно было причиной плохой температуры из печки?
Забитый радиатор печки
Вскрывайте!
Народ должен узнать правду, которую скрывали от него десятилетиями
(производители, правительство и инопланетяне).