Собственно та странная история, которую мне поведал прежний хозяин, оказалась правдой. Всё это звучало как-то маловероятно. В машине со слов стоит ЭБУ от приоры, который там якобы стоял с завода, его непонятные мастера прошили неизвестной прошивкой и как-то отключили датчик распредвала, ошибки по нему нет.
Машина на этом блоке едет, чек не зажигает, но на каждой передаче при определенных оборотах провал на секунду и рывок, будто бросил газ и резко нажал. На 4 скорости это 3400, 3 около 3х. Периодически начинают плавать обороты на холостом, запуск печальный, крутишь стартером секунды 3-4.
Подкинул диагностику и не поверил, прошивка блока там действительно B105DR10, которая судя по поиску от 1.6л 16кл.

Начал изучать вопрос.
Как бы на 7.9.7 впрыск то уже фазированный и без ДПРВ он работать никак не может. Значит там уже что-то намутили, что по нему нет ошибки.
Полез к блоку. Вот собственно пациент, внутри следы перепаянного резистора, его прошивали, да и на корпусе указана родная прошивка.


Решил я прошить его сам, благо информации достаточно.
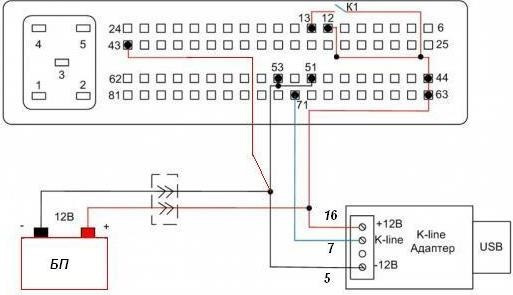
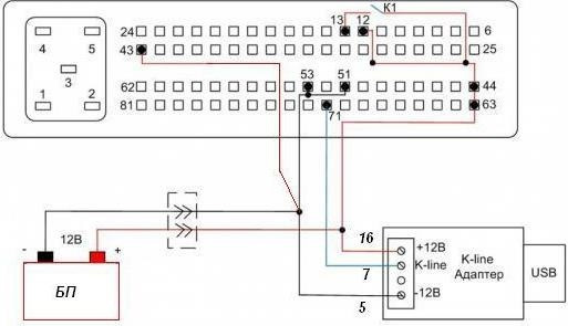
Нашел в гараже кучку проводов, взяль разъем от компьютерного блока питания, вытащил оттуда пины и собрал все по схеме.




Программку скачал ChipLoader.
Прошивкой стоковой и с убранным вторым ДК поделился 080184, чистый еепром был взят от калины.
Подключаем всё это дело к блоку, адаптеру и аккумулятору. Весь процесс есть на видео в ютубчике, наглядно и понятно.


Сначала диагностикой подключился, блок видно, переставил пин на 43 ногу и можно пробовать подключиться чиплоадером. Не забываем подключать 13 провод, это зажигание.

Считал флеш и еепром, зашил туда 22YC041S, еепром почему-то чистый не удалось залить. При попытке открыть его в программе, она просто закрывалась и всё. Оставил старый. Как я понял, он нужен чисто для иммо.
Установил на машину, всё запустилось, но через непродолжительное время выскочил чек по датчику распредвала)
Был заменен датчик и его разъем. Ошибка ушла, запуск теперь норм. Буду тестировать, но уже куда лучше она едет.
Так для меня и осталась загадкой зачем туда было городить блок от приоры, потом шить его другой прошивкой от приоры более свежей, избавляться от ошибки по дпрв, если можно было сразу прошить на ниву и поменять датчик.
Главный вопрос, как она ездила то вообще на прошивке от 16кл?!






Комментарии 15
Ну теперь пора покупать CTPro 7 и крутить прошивки)
Отличная работа!
Отлично, что помогла прошивка. Чиплоадер тоже могу свой скинуть, если надо, он с еепром нормально у меня работал, вдруг будет желание иммо отшить
Да, если можно. Пускай будет на всякий случай. Может еще поэкспериментирую с прошивками со временем, попутно и еепром залью
Ок
080184
Отлично, что помогла прошивка. Чиплоадер тоже могу свой скинуть, если надо, он с еепром нормально у меня работал, вдруг будет желание иммо отшить
Доброе утро! Можете тоже поделиться программой?
Куда скинуть?
alexi-plus@yandex.ru
Готово
Благодарю!пришло всё! Буду пробовать прошивать !
Машина какого года 2006г.в
Да. Блок 7, точно на ней не стоял)
У меня на работе шнива 2006г.в на ней эбу вош 7.9.7.+ пушка тачка мотор крутится вобще легко по трассе 120 не нарягаясь почти в пол газа в угоры даже разгоняется на пятой только чуть нажмёшь педальку, с параллельной смены человек ездил в район говорит до 170 разгонялся дальше страшно
Скорее всего там прошивка чуть другая, чем я залил. У меня с более свежей. На вашей там евро2, пишут что бодро она едет
На ней поидее евро 3 две лямбды вторая наверно отключена, х.з. чек горит, ошибки никто не смотрит едет и едет, рабочая разьезная машина там ещё кроме прошивы я думаю вал какой нибудь тюненый поставлен скорее всего иначе бы на одной прошиве она бы так ни ехала, мотор на столько легко крутится такое ощущение как будто поршней в нём нет