Запчасти
Комплект ремонтный PLP-127
Характеристики детали



- Производитель
- LADA
- Артикул
-
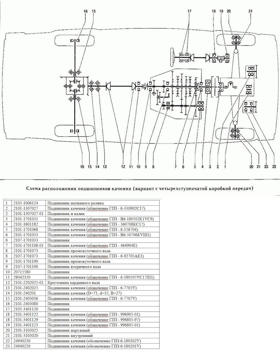
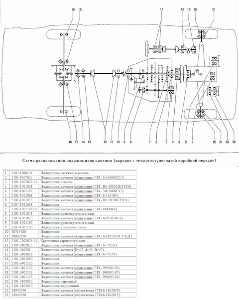
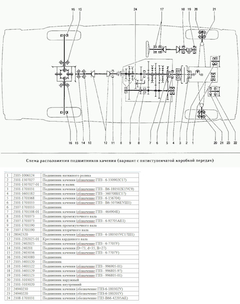
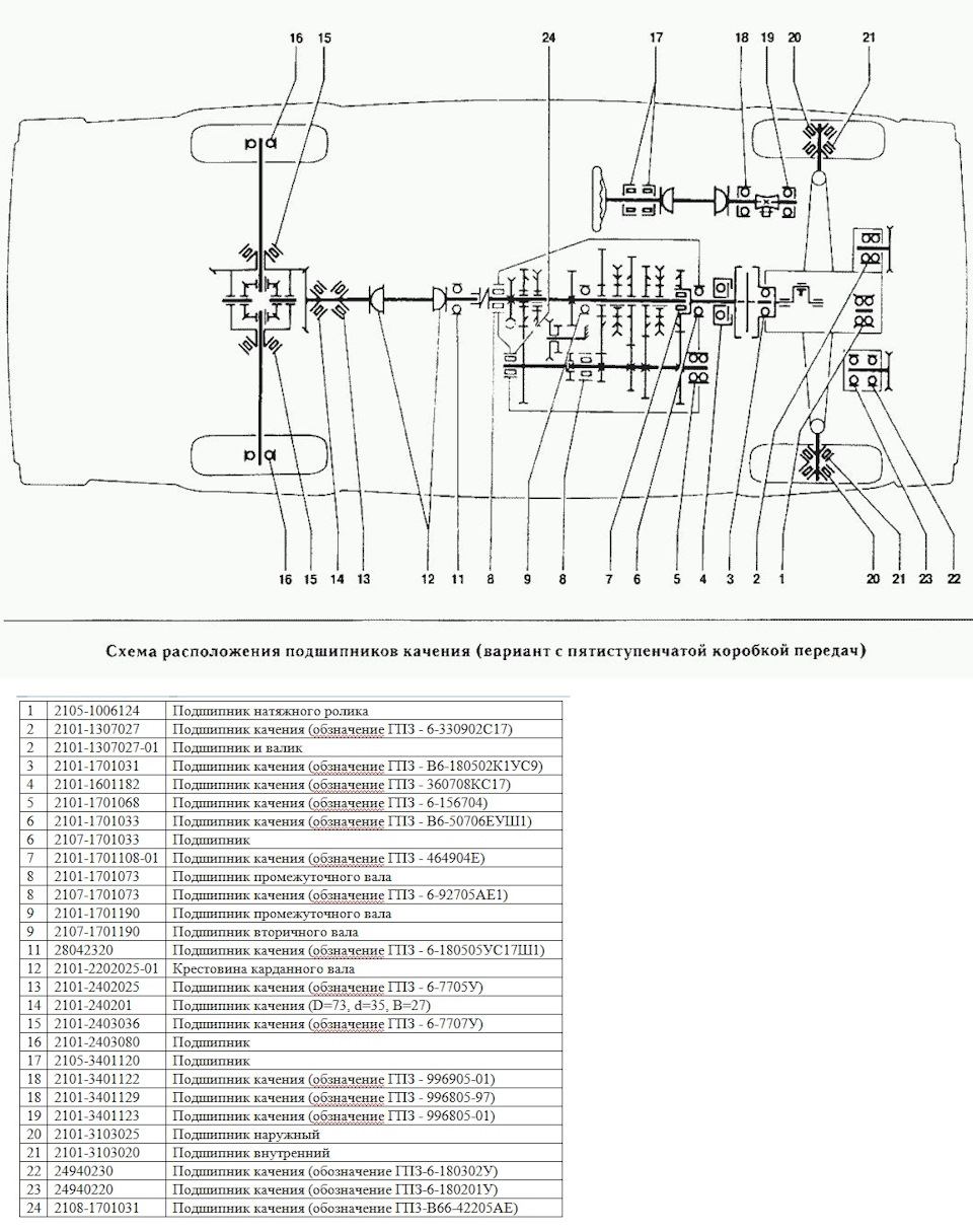
21011701190 - Название
- Комплект ремонтный PLP-127
- Аналоги
- 12 кроссов
- Фотографии
- 15 фото
- Упоминания в блогах
- 41 запись
Аналоги 12
Производитель
Артикул
Отзывы














































