Блог





+1
фотография
Мне уже начинают нравиться эти большие машинки)
Очередной Nissan Patrol Y60, на этот с двигателем TB45E. Вообще, судьба у него сложная: не знаю, что там стояло изначально, но история свапов такая: RB…





+4
фотографии
Товарищ взялся завести авто Nissan Patrol Y60 после свапа в другой мастерской.
Изначально авто было дизельным, на него установили TB42E, и почему-то решили использовать для запуска систему управления…





+2
фотографии
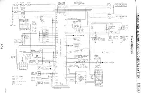
Блок управления двигателя Nissan Skyline RB25, проблема — не работает бензонасос. Нет сигнала управления с ECU — ножка 13, управляющий сигнал — "минус"
При прозвонке блока выяснилось, что с…





+3
фотографии
Зимой нужно ЗУ для автомобильной АКБ на всякий случай. У меня было два самодельных ЗУ, но одно отжал родственник, второе я спалил (переполюсовкой).
Однажды, во время весеннего карантина, у меня садил…





+2
фотографии
Брату понадобилось проверить давление в топливной рампе авто. Специальный инструмент для одного раза стоил дорого, подходящего манометра в ближайших магазинах не нашлось. Я предложил использовать ука…





+2
фотографии
Добрый вечер.
Возникла у меня необходимость знать влажность в помещении и заимев такой повод решил собрать поделку, которую в интернете называют "погодная станция".
У китайцев были приобрет…





+1
фотография
Часть 1
Наконец-то дошли руки собрать свой медиаплеер в корпус. Точнее, до меня дошел старый неисправный видеопроигрыватель (кассеты VHS), который не жалко было раздолбать.
Вооружившись минидрелью (…





+6
фотографий
Из серии "дурная голова рукам покоя не дает"…
В наличии старый ноутбук Samsung 410 plus, на котором ещё наклейка windows vista)). Сейчас работает под управлением windows 7, и, само собой, у…





+1
фотография
В наличии блок питания от какого-то устройства с выходом 12в. Надумалось мне записать от него автомагнитолу. На магнитоле слушаю радио, при отключении питания память станций сбрасывается — не очень у…




+1
фотография
Есть у меня телевизор — Philips (модель не помню, телеку 3 года)- 42", SmartTV, FullHD и прочие матерные слова. Большой экран, к качеству картинки я придираться не умею, вроде все красиво показы…





+14
фотографий
Паяльная станция на ардуино — это, конечно, не оригинально, но что поделать)
Начиналось все в качестве эксперимента, но вещь в хозяйстве оказалась полезной — термоусадку погреть, демонтировать большо…
Поиск
































