Инструкция по замене прокладок теплообменника, в принципе, схожа для всех двигателей GM серии A/Z16/18XER/LET.
Ниже изложено: суть проблемы, немного фоток процесса на Zafira Z18XER, инструкция с моментами затяжки на Z18XER и в конце артикулы запчастей.
Проблема GMовских двигателей серии XER/LET (A16LET, Z18XER и т.д.) распространенных на Opel, Chevrolet — вытекание масла через прокладку теплообменника (он же масляный радиатор двигателя)/либо попадание масла в антифриз через теплообменник.
Теплообменник расположен в труднодоступном месте, за выпускным коллектором, по-этому, если не обращать внимание на отпотевание масла или появление подтеков, то вовремя можно не заметить. Зато как только масло начнет во всю течь и попадать на выпускной коллектор, этот благоухающий запах гари сразу оповестит вас о неисправности.
Через теплообменник проходит антифриз и масло. Узел сильно перегружен множеством прокладок и трубок, уплотнения которых выполнены из резины.

Со временем, резина теряет свои свойства и "дубеет". Уплотнения теряют герметичность и масло начитает вытекать по блоку цилиндров, либо попадать в антифриз, т.к. давление в системе смазки (давление масла) выше, чем давление в системе охлаждения (антифриза).
У нас была Zafira X18XER, инструкция взята с CRUZE Z18XER, ничем не отличается. Один нюанс: где-то было написано, что на Zafira необходимо снять компрессор кондиционера. Ничего подобного не делали, просто сняли вентилятор охлаждения. Сделать это лучше сразу же, т.к. с вентилятором проблемотично даже теплоэкран выпускного коллектора снять.
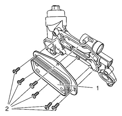
Кратко процесс разборки:
1. Снимаем вентилятор охлаждения, масляный щуп.
2. Сливаем ОЖ. Пробка на радиаторе. По ходу движения автомобиля справа снизу, с торца радиатора.

3. Отсоединяем колодку лямбды, теплоэкран выпускного коллектора.
3. Снимаем распорку выпускного коллектора (6)
4. Гайки крепления каталитического нейтрализатора к гибкой выхлопной трубе (1)
При сборке затянуть 22 Н·м
5. Гайки крепления каталитического нейтрализатора к головке цилиндров (8)
При сборке затянуть 20 Н·м

6. Отвернуть 2 болта (1) выпускной трубки радиатора моторного масла. Снять выпускную трубку радиатора моторного масла (2).
При сборке затянуть 8 Н·м

7. Отвернуть 2 болта впускной трубки (4) радиатора моторного масла.
При сборке затянуть 8 Н·м
8. Демонтировать входящую трубу (3) охладителя моторного масла.
9. Отвернуть 5 болтов (2) корпуса радиатора моторного масла.
При сборке затянуть 25 Н·м
10. Снимите корпус маслорадиатора моторного масла (1).

11. Отвернуть 6 болтов (2) радиатора моторного масла и снять радиатор моторного масла (1) с корпуса этого радиатора.
При сборке затянуть 8 Н·м
12. Все отмываем, меняем все прокладки, собираем в обратной последовательности.
13. При желании или необходимости меняем масло, фильтр, промываем систему охлаждения, меняем антифриз.
Визуально, уплотнительные кольца отличаются друг от друга. Вот фото, с какой стороны кольцо с каким артикулом устанавливается. По схеме запчастей делать это не рекомендую, бывает напутано.



Ну и немного фото разборки-сборки.



И в конце артикулы на Z18XER.
UPD 2018: Появился кит комплект прокладок GM арт: GM5650972KIT
UPD 2020: Кит комплект прокладок Elring 599.160
UPD Комплекты с обновленной прокладкой (увеличена толщина и высота основной прокладки) арт: GM25199750KIT
Первый артикул будет тот, что по каталогу (Opel — стоимость в разы дороже), второй артикул — оригинальный заменитель (GM или Opel). Общая стоимость всего комплекта, на момент написания поста, 4000р.

2 5650960 55353319
5 5650962 55353321
8 5650972 55354071
10 5650966 55353328 В комплекте по одному артикулу 2 кольца!
12 5650969 55353331
13 6338472 24445723
15 5650971 55354068
16 5650974 55556547

Можно брать Elring, качество отличное. Кто-то говорит, что Elring лежит в оригинале.
4 ELRING 355340 Да, если пробивать этот артикул написано Прокладка впускного коллектора. Но не беспокойтесь — прокладка на самом деле выпускного.
12 ELRING 077470
UPD 2021: гайки выхлопа медные
Я использовал Bosal 258028
Либо рекомендуют (читайте комментарии) Bosal 258038 (подходят и к коллектор-гбц, и к приёмной трубе)



Комментарии 270
Отличная получилась методичка! Думаю многим помогли!
В Элринге все резиновые прокладки в комплекте. Дополнительно покупать надо только прокладку коллектора и приемной трубы
Самые долго ходящие прокладки, это Febi, в экзисте у Феби пять звёзд по заказам, а у Элринга 1 звезда с натягом, так что смотрите сами…мне Феби хватило на 75 тыс км, 3 года…а элринг у некоторых течёт после 10 тык🫨👋🤦
А холодный если поставить и жить им и ерлингу и ростеко удастся?)
Парни подскажите пожалуйста, куда ставить плоские прокладки а куда круглые на трубки, не могу понять. Спасибо
ЗАСАДА! 55353328 — 1 кольцо! а не 2… EXIST
Пост 2017 года. Что-то могло поменяться, но сомневаюсь…
trafffic
ЗАСАДА! 55353328 — 1 кольцо! а не 2… EXIST
Это экзист конченные или подделка приходит, сейчас очень сложно купить оригинал.
Приходит либо в бумажном конверте, либо в зип пакете и утверждают, что это оригинал.
Подскажите артикул холодного термостат. Готовлюсь к ремонту теплообменника (думаю заварить), и сразу термос поменять.
Как я понял, после нужно перепрошить ?
Добрый день. Артикул по памяти не подскажу, думаю без проблем нагуглите и без меня.
Редактировать прошивку потребуется.
Без обид, но рукожопам очень советую почитать ТИС Опелевский прежде чем лезть кривыми руками без знания и переуплатнять теплообменник, и тогда проблем не будет никаких, прокладки только оригинал ставить, или Ростеко арт 21099 тоже хвалят. Плоскость радиатора охладителя Обязательно!шлифовать под мельчайшую риску 800 или 1000 шкуркой.Так же если охладитель древний как говно мамонта проверить обязательно не забит ли пирог радиатора в нутри отложениями и есть ли проходимость у него, иначе толку от прокладок никаких не будет. И самое главное, не нужно ничего выдумывать от себя 😂😂в этом узле всё придумано уже, поэтому сборка по ТИСу, Никакого герметика!, кольца перед установкой трубок силиконом можно слегка помазать чтобы садились лучше при установке, ну и крутит всё проще динамиком, моменты затяжки тут тоже важны.
Высокие они гнет их, 099 которые, я ставил потекли
Я лично за Оригу, найти сложно много левоты, но у проверенных поставщиков Оригинал есть всегда, дороговато конечно за резинки ценнег, но за чистый расширительный бачок и отсутствие запаха горелого масла нужно платить, впринципе на 50тыков нонешней Ориги хватает, а далее либо превентивно переуплатнить узел, либо ждать когда засцыт но тут гадать куда засцыт, либо на ружу, либо в бачок, а это история с промывкой. Поэтому я превентивно меняю. Ростеко 099 знакомый ставил второй год ездит проехал тысяч 20, пока говорит сухо.
Добрый день. Подскажите, нужно ли ставить под болты гроверы или сделать на фиксатор резьбы?
Извините, ничего не понял, о чем вы? Под какие болты, какие гайки?
Ставить на фиксатор резьбы. Впринципе везде — и сам теплообменник и болты на коллекторе
Оставлю это здесь как ответ на ваш вопрос :
Как открутить соединение с фиксатором резьбы ?
В первую очередь потребуется прогреть резьбовое соединение примерно до 250 °C. При выполнении этой операции необходимо строго соблюдать меры противопожарной безопасности.
После прогрева можно будет выкрутить болт или гайку с помощью обычного ручного инструмента, правда, прилагая вначале определенные усилия.
Соответственно на коллекторе бессмысленно, на теплообменнике наверное тоже в силу близости коллектора…
ooopel
Ставить на фиксатор резьбы. Впринципе везде — и сам теплообменник и болты на коллекторе
Зачем фиксатор там, в ТИСе где нибудь сказано про фиксатор в этом узле?
ooopel
Добрый день. Подскажите, нужно ли ставить под болты гроверы или сделать на фиксатор резьбы?
Какие гроверы, зачем? 🤦♂️
Сейчас есть комплекты с обновленной прокладкой:
GM25199750KIT
Ростеко 21099
И подскажите пожалуйста, гайки выпускного коллектора обязательно менять?
Гайки на ваше усмотрение, по состоянию.
Заваренный вечный.
А оригинальный ставить?, — за такую дебильную конструкцию ТО еще и денег платить? — пошли вы нахрен проиводители ГОВНА.
Его изначально надо было делать цельнолитым без дебильных прокладок. А они сделали так, чтобы мы носили им бабки покупая з/ч.
Уж лучше я отдам эти бакби один раз и своим мастерам-сварщикам, чем буржуйским ублюдкам конструкторам постоянно покупать новый.
Каждый выбирает сам свой путь.
И второе — обязательно установи холодный термостат — так все резинки будут жить дольше и масло будет жить дольше и все будет лучше работать в моторе!
Выбирайте свой путь, я разве мешаю вам. Самурай
Самурай))
Ахахахахах
igor2030ign
Заваренный вечный.
А оригинальный ставить?, — за такую дебильную конструкцию ТО еще и денег платить? — пошли вы нахрен проиводители ГОВНА.
Его изначально надо было делать цельнолитым без дебильных прокладок. А они сделали так, чтобы мы носили им бабки покупая з/ч.
Уж лучше я отдам эти бакби один раз и своим мастерам-сварщикам, чем буржуйским ублюдкам конструкторам постоянно покупать новый.
Каждый выбирает сам свой путь.
И второе — обязательно установи холодный термостат — так все резинки будут жить дольше и масло будет жить дольше и все будет лучше работать в моторе!
Подскажите пож, если ставить заваренный, то и сам радиатор можно выкинуть? и соответсвенно меньше прокладок требуется?
Заварить вместе с радиатором еще никому не удавалось, поэтому да, радиатор его выкидывать.
Но! Если вы соображаете хорошо, и руки растут из правильного места то можно после заварки шлифануть поверхности в плоскость и сверху прикрутить радиатор на термопасту или даже припоять!
Прокладки в заваренном вообще не нужны.
И не сомневайтесь — заварите один раз и забудете про проблему навсегда.
И обязательно ставьте термостат на 87-92 градуса — мотору будет намного легче жить и работать долго и счастливо. На драйве много тем на этот счет. Заводской термостат установлен только для экологии в ущерб ресурсу мотора!
Я уже 6 лет с таким езжу — намного лучше чем с заводским! Особенно летом!
Термостат на 92 уже стоит и все прошито) вот думаю и теплообменник заварить и забыть))
DNS2003
Подскажите пож, если ставить заваренный, то и сам радиатор можно выкинуть? и соответсвенно меньше прокладок требуется?
Потом двигатель выкинуть можно
Кто вам это сказал? Или откуда инфа?!
Заваренный теплак стоит уже 3 года, пробег на нём почти 100. Каждый день почти по пробкам и прочее — 90 км в сутки. В неделю авто стабильно 500 км проезжает.
Ну повезло вам, катайтесь дальше.
Что вы хотели этим сказать?
Я хотел лишь уточнить у кого стрельнул мотор?
🤝🏾.
Я начал подбирать все в автодоге и чет запутался в этих арктикулах.
Начал искать на просторах интернета комплекты.
В итого нашел оригинальный комплект на валбересе.
Там так же все прокладки + прокладка выпуска, приемный трубы и прокладка масляного щупа.
Заказал жду, посмотрим что придет
duk-off
Отличный пост. Главное есть моменты затяжек. Можешь добавить сюда комплект полный от Elring. Elring 599.160. Сегодня пришёл мне такой.
Как ходит?
Машины нет уже 7 лет:) на J ходят отлично
А масло нужно менять после?
Dicepticon
Классно!
А что нибудь можете сказать плохого или хорошего про набор AUTO-GUR AG56500972S, а то я уже заказал.
2.5 года на таком отъездил. Потекло одно колечко с трубки антифриза. Остальное норм
kal9mba
Держи!
258028 Bosal
Добрый день!
А как Вы использовали Bosal 258028?
Они же без юбок?
Шайбы?
Здравствуйте. Пост 2017 года. Я не помню.
Используйте 258038 — они с юбками.
Уже.
Те, что с юбками.
Поддерживаю Marat7783, Ростеко уже 24000 км, против GM всего 20000 км и цена 900 р комплект.
Ростеко хороший комплект. Не жалуюсь.
Добрый день, ну как ростеко-ходят еще?
Добрый день… Да, пока все хорошо… Если вы про теплообменник.
luchezarny
Добрый день, ну как ростеко-ходят еще?
Чуть позже напишу, пробег после замены. Не скажу на память. Но записано.
Ок, спасибо)
Мало проехал ещё… 3500км. всего лишь…
Ясно, спасибо!
Master1861
Такая же фигня, сделал тоже самое, но без ямы))
в общем ничего сложного, крутил пропеллер как бешенный, сменил датчик в радиаторе, корпусе термостата, бачок, перебрал крышку бачка, прокладки в теплообменник ставил все GM, вышло в районе 3,5 р, делал без динамо ключа, все работает четко, но на всякий случай добавил герметика на трубки где стыки
А как сливали антифриз без ямы?
На радиаторе краник, на штуцер шланг и в емкость
Под одним номером есть и gm и Daewoo. Это уже косяк поставщика, что он без вашего ведома меняет gm на Daewoo. Я бы тоже вернул
Комментарий удалён
Указывайте артикул запчасти, ссылки на exist бесполезны. Заказать можно любой фирмой.
Daewoo 565 009 72
Вот я заказал, GM по этим номерам . А пришло Daewoo
Задайте вопрос вашему поставщику запчастей. Daewoo gm OPEL один концерн
Как вы считаете, стоит менять, одинаковое качество ?
Это моя точка зрения: Daewoo самый дешман из концерна. Что там с запчастями не знаю. Я видел заменители Daewoo, но номеров этих не скидывал, потому, что для себя выбрал бы gm или opel
Так я тоже так считаю
Заказывал GM, а мне под этими номерами пришли Daewoo, наверно буду возвращать
kal9mba
Это моя точка зрения: Daewoo самый дешман из концерна. Что там с запчастями не знаю. Я видел заменители Daewoo, но номеров этих не скидывал, потому, что для себя выбрал бы gm или opel
А по факту все daewoo
kal9mba
Задайте вопрос вашему поставщику запчастей. Daewoo gm OPEL один концерн
Daewoo давно не входит в GM поэтому качество непонятное
Здорово, уважуха за детальное описание. Может я туплю, но все же, подскажите, эти две новые прокладки заменят те что на трубке стоят (красные линии)? Или они будут одеваться по направлению желтых стрелок? Хочу брать весь теплообменник в сборе и не знаю нужны ли еще эти прокладочки.
Заменят те, что стоят на трубке (красные линии)
Благодарю!
Привет. Наткнулся на такой грамотный гайд, но не по моему мотору( подскажи, на A18xer j gtc тоже самое все? у меня вопрос по этим медным гайкам? какой у них номер?
Привет, думаю, что тоже самое. Крайне сомневаюсь, что там что-то другое. Но подобрать запчасти желательно по каталогу, или хотя-бы сравнить номера по применимости.
VladLeeSin
Привет. Наткнулся на такой грамотный гайд, но не по моему мотору( подскажи, на A18xer j gtc тоже самое все? у меня вопрос по этим медным гайкам? какой у них номер?
Ваш ответ был в первых комментариях
спасибо большое за ответ. скажи а какое количество их надо? и для чего именно медные? какие идут в оригинале? это какая то особенность? улучшит что то?
Слышал, что при замене термостата на более холодный, прокладки не кукожатся и становятся вечными? Если знаете, что для этого нужно, кроме самого термостата и плюсы/минусы, буду очень признателен!
Насколько помню, коротко:
ставите холодный термостат от турбовой версии двигателя LET
Корректируется ваша прошивка, а именно:
-отключение электронного подогрева термостата
-снижение температуры включения вентилятора охлаждения, начало срабатывания что-то около 98гр
Благодарю за быстрый ответ)) термостат на 92 градуса, а вентилятор на 98?
Да, все верно
Romandiski
Слышал, что при замене термостата на более холодный, прокладки не кукожатся и становятся вечными? Если знаете, что для этого нужно, кроме самого термостата и плюсы/минусы, буду очень признателен!
Все это делается перепрограммированием.
Горячий мотор сделан, для экологии и полного сгорания топлива.
Romandiski
Слышал, что при замене термостата на более холодный, прокладки не кукожатся и становятся вечными? Если знаете, что для этого нужно, кроме самого термостата и плюсы/минусы, буду очень признателен!
Термостат греет впускной коллектор огромной температурой! Холодный термостат проблемы не решает.
Добрый вечер, если заказывать это все по отдельности, по тем номерам которые вы дали будет дешевле, чем брать кит, или я что-то пропустил?)Я в Экзисте сейчас это все доьавил в корзигу на 2800, кит 3600.И у меня еще вопрос, что лучше брать Эрлинг или же Джеэм?Я джеэм добавил
Здравствуйте, пост написан давно, по актуальным на данный момент ценам не сориентирую. Если выгоднее по-отдельности, закажите отдельно. В качестве элринг я не сомневаюсь, ровно как и в качестве оригинала GM. Выберите что для вас удобнее/выгоднее.
Спасибо, а подскажмте пожалуйста, при замене прокладок яма или подъемник нйужен будет, или все доступно сверху?
Читайте первые комменты. Всё зависит от степени вашего извращенства. Некоторые и кпп на машине без ямы снимают))
Понял, спасибо)
вопрос немного не по теме основной. какой расход масла был при текущем теплообменнике
Автомобиль был клиентский. Я, к сожалению, не в курсе.
Понял. Спасибо
grinkoov
Да, всегда оригинал. В этот раз заказал Rosteco 20730. Если и в этот раз проблема не решиться, так хоть денег не 3500, а 900 потрачено будет.
Ну как Ростэко ещё ходят?
Выше отвечал
Krugger
Чем лучше промыть потом систему и расширительный?
Стиральным порошком для машинок -автоматов (обязательно именно автоматы, т.к. там есть пеногаситель) в моём БЖ про Омегу это есть
Хорошо. Я понял. Придется делать свою страничку и там размещать информацию. Я только хотел довести до сведения всех, что решаю сейчас эту проблему с утечками. И причем не только для этой машины. Все, вопрос закрыли. Больше не буду. Николай, а дайте мне каталожный номер кольца №4 что под колпак маслянного фильтра идет, а то я не могу нормальный каталог найти по этому мотору.
Напишите вин авто
Я тру комментарии, рекламируйте свои изделия на своей странице. Имейте хоть каплю уважения. Это не рынок, а мой блог. И все здесь предоставлено абсолютно безвозмездно.
Добрый день!
Я правильно понял, что комплект GM5650972KIT содержит всё необходимое для замены?
Необходимое для теплообменника.
Добрый день, дайте апдейт, как прокладки?
Здравствуйте, машина клиента, да и продана давно…
SCAR48
Подойдёт
Не подойдёт
ChukPV
Прокладка самого маслоохладителя, которая самая большая фигурная подойдёт от z18xer на a16let?
Нет
projectXXX
Прокладки судя по цене неоригинал?
в общем-то через 2 года опять приехали))) давит сразу наружу и в бачок) ща оригинал попробую, но уже своими силами)
У меня в бортовике есть номера нормальных прокладок)
grinkoov
Победил)
Напиши в личку, вечером отпишусь с фотками
Понимаю что год прошёл, но вдруг вспомнишь. Какие действия предпринял чтобы устранить течь?)))
Первый раз у меня текло оттуда, где у всех и этот вопрос решился с первого раза заменой прокладок, а потом всегда текло только из одного места — тонка трубка из теплообменника в помпу.
Намотал на эту трубку белую фумленту мноооого слоев и с силой запихал в помпу.
Так проблема и решалась:-)
У меня эта трубка со стороны теплообменника потекла. Её отдельно снять можно? Не снимая самого теплообменника.
Теоретически можно, она же на одном винте. Можно попробовать открутить и затолкать её внутрь помпы, тем самым освободить конец из теплообменника.
Но вот вставить её обратно с будет думаю нереально, так как будет очень плотно.
Нужно пробовать
Не, у меня более толстая трубка которая на помпу идёт, ближняя.)))
MelomanKo
У меня эта трубка со стороны теплообменника потекла. Её отдельно снять можно? Не снимая самого теплообменника.
Приветствую! Как решили проблему? Снимали сам теплообменник, чтобы поменять прокладки на трубке?
Есть возможность снять трубку без демонтажа теплообменника. Но не всё так просто.)))
Очень интересно как! Похоже течет одна из трубок, сам теплообменник сухой, а катализатор и компрессор кондиционера в антифризе, прокладки уже заказал, не хотелось бы конечно снимать полностью, но похоже придется.
Было всё именно так. Текло по кольцу со стороны теплообменника.
Снял телевизор, Карлсона, выпуск и получил доступ к этой трубке. 😂
Diller-ups
Да! поменял пока сухо. Правда так и не понял какая сопливила 10 или 12) ставишь оригинальные?
Приветствую, вы все прокладки поменяли или только 10 и 12 можно отдельно?
Поменял все
Спасибо!
На 3 месяца хватило, при условии, что теплообменник был веденый "лодочкой" и я его отшлифовал вручную под "щуп". Взял новый теплообменник в сборе, надеюсь, поможет еще на 100 тысяч)
Подскажи пожалуйста номер теплообменника
GM12992593 на теплообменнике указан такой номерок.
Гайки выпускного м8 ?
kal9mba
GM5650972KIT
добрый день.
подскажи пожалуйста, кроме GM5650972KIT комплекта, что ещё нужно? что не пойму твой список. имею ввиду прокладки и гайки.
grinkoov
Победил)
Напиши в личку, вечером отпишусь с фотками
Можно мне тоже ))
Сегодня занимался такой процедурой, автору поста респект и уважала 👍
А на долго хватило этих прокладок? Мне заявили, что их хватает на 10000км. Типа его ведет от перегрева и прокладки на долго не хватает
Подтверждаю! Менял в том году все прокладки, все покупал по отдельности оригинал GM. Прошел год и проехал 11000 км, потекли. Первый раз текли в антифриз, сейчас наружу по блоку. Достал этот узел!
Нужно было проверять обменник на раковины, если что шлифовать его. И не ставить паленый оригинал. У меня к нему больше вообще доверия нет после бракованной прокладки КК, длиннее в углах оказалась и палённых сальников распредвалов, потекли через 100 км. Больше оригинал (прокладки и резинки) не беру. С тех пор беру только Elring. С ним проблем нет. У меня прокладки теплообменника были меняны на 105 тыс, покупал машину было 115, сейчас 183. Че предыдущий хозяин ставил не знаю, но всё сухо до сих пор. Знаю, что у него бахнуло в антифриз. Заколебался я бачок отмывать помню, но отмыл, меняя все патрубки, помпу, ремнь, термостат, антифриз. В этом году поменял прокладку маслонасоса, тоже последствия того, как масло пошло в антифриз у пред владельца. Но эта прокладка у меня ссала наружу, прям лила я б даже сказал. Планирую заменить прокладки теплообменника, чтоб не ждать, что начнут ссать. Взял полный комплект Elring арт.599160 (2693 р цена вышла)
А на 1.6 опель подойдут?
FoMoHAV
Нужно было проверять обменник на раковины, если что шлифовать его. И не ставить паленый оригинал. У меня к нему больше вообще доверия нет после бракованной прокладки КК, длиннее в углах оказалась и палённых сальников распредвалов, потекли через 100 км. Больше оригинал (прокладки и резинки) не беру. С тех пор беру только Elring. С ним проблем нет. У меня прокладки теплообменника были меняны на 105 тыс, покупал машину было 115, сейчас 183. Че предыдущий хозяин ставил не знаю, но всё сухо до сих пор. Знаю, что у него бахнуло в антифриз. Заколебался я бачок отмывать помню, но отмыл, меняя все патрубки, помпу, ремнь, термостат, антифриз. В этом году поменял прокладку маслонасоса, тоже последствия того, как масло пошло в антифриз у пред владельца. Но эта прокладка у меня ссала наружу, прям лила я б даже сказал. Планирую заменить прокладки теплообменника, чтоб не ждать, что начнут ссать. Взял полный комплект Elring арт.599160 (2693 р цена вышла)
Приветствую. Не подскажете, на сколько хватило Elring? Спасибо заранее
До сих пор езжу, проблем нет. Пробег 203 уже…получается 20 тыщ пока проехала
kipitok71
Подтверждаю! Менял в том году все прокладки, все покупал по отдельности оригинал GM. Прошел год и проехал 11000 км, потекли. Первый раз текли в антифриз, сейчас наружу по блоку. Достал этот узел!
а наружу по блоку, это как выглядит можешь фото скинуть? Получаается нет смысл брять Gm kit он сейчас в 3 раза дешевле стоит, и при elring еще понадобится оригинальную пупурчатую брать отдельно…
Привет, указанный у тебя KIT прокладок GM почему-то не находит Автодок? Где можно поискать ещё?
Здравствуйте. Заказывали по одной штуке? Какие признаки оригинала там есть? Заказал по одной. Пришли все из разных стран: Тайвань, Корея, Ирландия. Голограммы где-то есть, где-то нет. Голограммы у вас везде были?
Очень давно было, я не акцентировал внимание на голограммах
Glavnyyvrach
Здравствуйте. Заказывали по одной штуке? Какие признаки оригинала там есть? Заказал по одной. Пришли все из разных стран: Тайвань, Корея, Ирландия. Голограммы где-то есть, где-то нет. Голограммы у вас везде были?
Также брал по одной производители разные. Основную большую брал в салоне GM где машину покупал. Один фик хватилона год и 11.000 км пробегу. Мож комплект качественнее?
голограммы на джиэм обязательны. основную надо 25199750 вот эту брать, официальная замена старой
PG52137 — артикул комплекта резинок (без коллекторных)
SCAR48
Появился кит комплект прокладок GM арт: GM5650972KIT
И как комплект повёл себя есть смысл собирать все по отдельности или взять кит и все ?
Нужно смотреть, что дешевле выйдет. Ещё появился комплект силиконовых резинок от Ростеко. Установили на два авто, тестируем… Ценник интересный. )
Насчёт дешевле это точно кит комплект 3663₽ Написано кинул в корзину сразу 18315₽ стало лучше я соберу сам комплект 🤣 просто если изначальная сумму то думал зачем собирать если можно комплект купить да и точно все там будет а тут такое 🤦♂️
Попробуй силикон. Мне кажется он дольше ходить будет. Rosteco art: 20730
Привет. Спасибо за столь подробный отчёт. Особенно про моменты затяжки. Сия участь, как течь ТО не миновала и меня, к сожалению. Можно ли произвести замену резинок (прокладок) теплообменника без наличия ямы или подъемника?
Впринципи да надо только открутить защиту, приемную трубу и катализатор, через низ ничего вытаскивать ненадо
Номер 5 и 2
Вам виднее должно быть. Снимите теплообменник, проверьте его плоскость, если есть подозрения
на 12 картинке неточность…перепутаны номера 12ой и 13ой прокладки…13ая это 55353331.
Ребят салют, подскажите сопливит маслоохладитель, где соединяется с блоком Два раза разбирал ставил и серовно течет.Прокладки оригинал.Может поведеный?
с каким блоком? блоком мотора? напиши номер прокладки где сопливит
Спасибо за талмуд. :)
Пользуйтесь, с удовольствием!
Приветствую!
А в ките GM5650972KIT идут прокладки выпускного коллектора и глушителя?
Лично не покупал, но не думаю, что идут. Надо отдельно брать
Не знаешь точно по моментам затяжки ТО на j-ке с мотором a16xer они идентичные с теми, что у тебя прописаны в записи?Я проверил и все они вроде как совпадают, кроме 5 болтов корпуса ТО к блоку цилиндров — в мурзилке от "Третий Рим" прописан момент в 22 Н/м, а у тебя 25 Н/м…
Должно быть одинаково. 22 и 25 эт незначительно
grinkoov
Да, всегда оригинал. В этот раз заказал Rosteco 20730. Если и в этот раз проблема не решиться, так хоть денег не 3500, а 900 потрачено будет.
Ну и как комплект от Ростеко служит до сих пор? А то тоже посматриваю на него из-за бюджетной цены…
На момент продажи авто 18.10.2019 все было норм)
Значит прокладки от Ростеко годные за 800 р., тогда зачем платить 2300 р.за Эрлинг…
Я ставил несколько раз оригинал, один раз на герметик и все равно текло.
Главное, что Ростеко проверенные:)
barmalei-t68
Пост действительно лучший из этой больной темы…
Народ может кто пробовал кит Rosteco 20730 Прокладки теплообменника ROSTECO производится из силиконового компаунда ведущих мировых лидеров в …(www.autodoc.ru/price/7081/20730), может наши хоть резинки делать научились, хотя судя по презервативам ХЗ…)
Не ставил себе эти прокладки ТО от Ростеко? А то тоже посматриваю на них из-за бюджетной цены…
Оригинал все поставил, не охота два раза переделывать…
А я решил рискнуть либо проэкспериментировать и заказал комплект от Ростеко, на днях буду менять.
Заменил прокладки? Какой артикул заказывал? И какой у тебя двигатель?
Ага, вот моя запись www.drive2.ru/l/545813516020353014/, мотор a16xer, атмосферный.
600427
Силикон не совместитм c DexCool… Можно если заменить его на G30
Это достоверная инфа? А то тоже посматриваю на прокладки ТО от Ростеко из-за их бюджетной цены…
Это ровно та причина по которой Toyota Honda и Ниссан (чья технологическая политика подразумевает не резиновые и иные прокладки а силиконовный жидкие герметики/уплотнения) не приемлют DexCool и его отца прародителя Texaco/Chavron Havoline XLC и всяческие его инкарнации
Глубоко искать не стану щас, ибо давно все описано, как здесь, к примеру www.drive2.ru/l/461795984251291138/ (обращаем внимание на 2-EHA и все что с ней связано) !
А g12+ катит с силиконовыми прокладками?
Если он с 2-EHA то вряд ли…
Добавлю. Распорку выпускного коллектора (6) можно не снимать. Достаточно окрутить 2 болта, дополнительного крепления катализатора, с ямы.
kal9mba
Можно не сливать!
ну ты молодец, разжевал тщательно — осталось только нам проглотить ))
Master1861
Такая же фигня, сделал тоже самое, но без ямы))
в общем ничего сложного, крутил пропеллер как бешенный, сменил датчик в радиаторе, корпусе термостата, бачок, перебрал крышку бачка, прокладки в теплообменник ставил все GM, вышло в районе 3,5 р, делал без динамо ключа, все работает четко, но на всякий случай добавил герметика на трубки где стыки
лайк за герметик
grinkoov
Победил)
Напиши в личку, вечером отпишусь с фотками
вот таже херня( как решал проблему?
Боже, как я долго искал статью с информацией по силе затяжки) спасибо)
Master1861
Такая же фигня, сделал тоже самое, но без ямы))
в общем ничего сложного, крутил пропеллер как бешенный, сменил датчик в радиаторе, корпусе термостата, бачок, перебрал крышку бачка, прокладки в теплообменник ставил все GM, вышло в районе 3,5 р, делал без динамо ключа, все работает четко, но на всякий случай добавил герметика на трубки где стыки
Какой пробег после ремонта? Я на майских праздниках тоже перебрал теплообменник. Детали в отличном состоянии.Коррозии и изогнутости нет.Ставил резинки, все GM. Заказывал на экзисте.Проехал 500 км.Пошло мало на ружу и в систему охлаждения.Завтра снова разберу.Думаю, больше не доверюсь резинкам, с логотипом GM.
grinkoov
Победил)
Напиши в личку, вечером отпишусь с фотками
Мне тоже интересно!
спасибо!
Vazik1709
У меня такая же беда, что делать?
В личку
Diller-ups
прикольно отпиши как-нить про их качество когда будешь знать)
2 месяца — полет нормальный))) тьфу-тьфу-тьфу