Основная запись вот здесь
Праактическая реализация описана здесь.
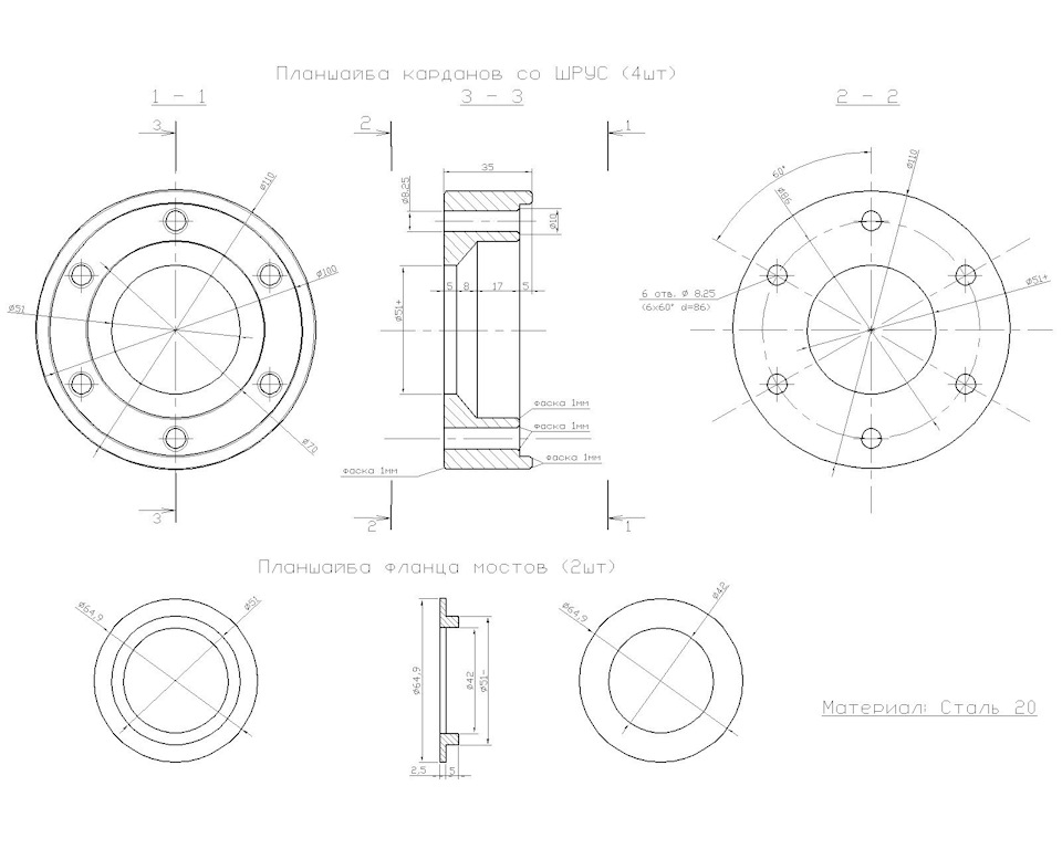
Для таких же нищебродов, как и я, у которых нет финансов на покупку из Америки оригинальных фланцев под шрусовые карданы, набросал чертеж переходника.
Мысль такая.
1. Покупаем привода от VW TRANSPORTER (Gsp 261005) по 3500 руб.

2. Вытачиваем переходники
3. Снимаем фланцы с мостов и раздатки, сверлим в них по 6 отверстий и нарезаем резьбу М8х1.25.
4. Покупаем 24 болта М8х1.25х85
5. Устанавливаем всю эту радость на машину.
6. Удлиняем купленные карданы под нужный размер. Подойдет труба с внутренним диаметром 28-30мм.
…
10. Профит.
Чертежи я выполнил, но не проверял. Мосты и земполотно под железную дорогу проектирую — вроде бы не поезда падают. )))
Переходник под ШРУС выполнен универсальным. С раздаточной коробкой переходник стыкуется и центруется напрамую. С фланцами моста стыковка через центровочную шайбу.








Комментарии 48
Респект! Очень крутое исследование и исполнение! Себе конечно вряд ли когда либо соберу такое, но в закладки закину 🤝
Комментарий удалён
Шрус не имеет шлицевого.
Голь на выдумки богата.
Привет Алексей, мне не лень, поверь.Мне уже выточили из болтов головки блока ваза.
Вот видишь как все просто )
Алексей, если можно, а с чего болты?И какая прочность.
Мне лень открывать каталог что бы посмотреть номер болтов и тебе лень найти болты М8х1.25х85.
Мастеров нет! Заводов тоже нет.
За готовыми изделиями в личку.
Зачет! Достойная работа! Хотелось и на свою машинку такой кардан.
Чертежи есть. В чем проблема то?
Вопрос по теме-
--а как разбирается сам шрус (палка+фикс колечко?) дабы поменять пыльник ? или опять какие либо хитрости? по инет фотам увы, не понятно.
Ну и UPD — этот шрус стоИт уже 5500-6500 рупий, и не везде он есть в наличии.
Снял стопорное кольцо, снял ШРУС. Просто до безобразия.
Кольца два ? Сама палка из кулака без проблем вынимается ?
Два кольца на два конца одной палки. Все вынимается без проблем.
Классная тема. Домучаю свой кардан и внедрю это ноу-хау. Донат гарантирую.
А разве сверловка на фланцах раздатки и моста, сделана с разными межцентровыми. Думал, что одинаково.
Лех, как штатные пыльники поживают за эту зиму ?
Себе пока так и не поставил. Сапожник без сапог
Вот ток не пойму, почему там в скобках на первом чертеже (4шт.) и (2шт.).
Или это с учетом сразу и заднего моста?!))))
Да. На оба моста
Круть!) заказал шрус за 3200. Осталось найти того кто сделает переходники!)
Лайку и роялити!) поставил!)
Увидел.
Леха, круть!
Ты видно очень добрый вчера был, раз такие картинки сбросил )))
Это проверка людей на жадность и любовь к халяве.
В последнем предложении я написал, о благодарностях. Реально выразило свою благодарность всего два человека.
А вот воспользуются этой идеей наверное подавляющее большинство Корандо-Тагеро-Муссоводов.
Ведь цена родного кардана, который выходит из строя через год, от 15 тыс руб. А цена моего решения с учетом токарных работ и стоимости болтов примерно 6 тыс. Ремонтрнопригодность потрясающая: цена нового ШРУСа с пыльником и смазкой всего тысяча рублей, что сопоставимо с ценой крестовины, а замена намного менее трудоемка.
В общем на данный момент за 20 часов 291 просмотр, нравится 53 пользователям. Реально оценили двое. Грустно…
Вот блин, после таких слов, ща порву распечатанные чертежи проставок и отменю заказ на Шрус (((
Пусть и дальше шлицы переднего кардана болтаются как х…й в рукомойнике )))
Хе, хе…
Знаешь, где бывает халява? И чем кончается ее использование?
Ее вроде студенты ночью перед экзаменов в форточку зовут )
Других мест где она обитает не знаю
Мышеловка )))
когда испытания?
Какие испытания? Я уже семь месяцев на фулл-тайме с подобным карданом езжу…
от фольца с удлиненной вставкой трубой?
От шнивы.
не считается. вообще не знаю как надо ездить, чтобы он не развалился. Нивой легко сворачивается.
Я никому ничего не собираюсь доказывать.
"НАМ" нищебродам только крестовины менять на газоновские…)
Привет железнодорожникам.)
Супер, проблема с передними карданами решина.
А помнишь лет пять назад ты мне точил похожий фланец ? Только я тогда его приваривать хотел.
Что вчера то было не помню…
Лайк
Получил. Приятно.
Глядишь так на задний кардан себе насобираю )))
Не понял про удлинение карданов трубой.
Терпеть не могу невнимательных людей…
В первом посте по ссылке я писал, что длинна этого привода 500 — 565мм. Среднее 532мм получается.
Толщина переходников 32мм.
Расстояние по фланцам передний мост-раздатка 690 — 700мм (в зависимости от типа моста)
Соответственно нам нужноудлинниит купленный привод на 690 — 530 — 2х35 = 90мм
Для заднего кардана расчет аналогичен.
) Это понятно, я это прочитал и увидел, мне неизвестен сам процесс удлинения, не посчитай за труд ответить)
В гугле забанили?
Разрезал пополам, вставил половинки в отрезок трубы и обварил. Для переднего кардана будет достаточно. Балансировка не потребуется.
Методик удлинения-укорачивания приводов существует величайшее множество. Можно в трубе насверлить отверстий и сваривать точками, что бы не "отпустить" металл привода и равномернее распределить крутящий момент.
спасибо, так и подумал.
Вот пара примеров
www.drive2.ru/l/3977877/
www.drive2.ru/l/2360909/
лайк)