Фортунер в базовой комплектации не оснащен передними противотуманными фарами. Имея некоторый опыт в автоэлектрике, решил восполнить этот досадный недочет и самостоятельно вкорячить передние ПТФ в свой автомобиль.


О том как установить ПТФ в бампер уже много написано, повторяться не буду.
Опишу процесс наиболее оптимального на мой взгляд подключения противотуманок с максимальным использованием штатной проводки.
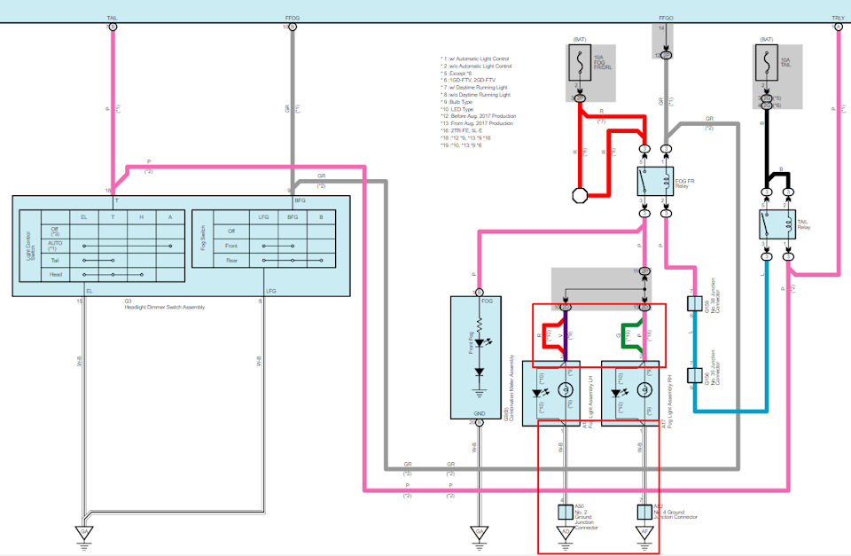
Заводская схема подключения ПТФ на Тойота Фортунер выглядит следующим образом

Цепи обведенные красным цветом уже проложены с завода, не обведенные в базовой комплектации Тойота Фортунер отсутствуют.
Один конец имеющейся цепи выведен в нутро бампера и оконечен стандартными фишками. Второй конец выведен в салон и оконечен 14-ти пиновым разъемом на контакты 10,13. Разъем подключен к распределителю питания. Распределитель находится над педалью газа


Что бы сократить объем колхоза, решил не заморачиваться восполнением отсутствующей проводки для отдельного реле. Передние ПТФ подключил к реле задних противотуманных фар, которое управляется подрулевым переключателем

Реле задних противотуманок находится в релейном модуле в районе левой ноги водителя


Номинал штатного предохранителя FR 10А. Средний ток LED ПТФ 1,5+1,5=3А. Задние галогенные ПТФ потребляют около 4А. В сумме 7А, укладываемся. В перспективе задние галогенки заменим на LED.
И так приступаем:
Снимаем планку с диагностическим разъемом которая крепится на 2-х саморезах.
Далее демонтируем коленный аирбэг, откручивая 4 болта. Что бы подобраться к 2-м верхним болтам придется снять кожух рулевой колонки.

Получаем доступ к распределителю питания.
Нас интересует вот этот разъем

Извлекаем разъемы из распределителя. Присоединяемся к проводам подключенным к 10 и 13 контактам с помощью отводов. Подключенный провод прокладываем до блока реле задних ПТФ.

Что бы получить доступ к релейному модулю придется снять порог и пластиковый боковой защитный кожух
Для удобства модуль лучше открутить, он держится на 2 болтах.
Находим синий провод

Присоединяем к нему провод проложенный от распределителя питания

Далее все собираем в обратной последовательности.
Теперь вместе с задними противотуманными фарами у нас включаются и передние противотуманки. Логика работы такова, что без головного света передние ПТФ включить не возможно, т.е. сначала включаем ближний/дальний свет, затем поворотом подрулевого переключателя активируем ПТФ. При выключении ближнего/дальнего света автоматически отключаются и ПТФ.
Всем удачи!






Комментарии 52
Добрый день! Если не секрет, откуда такие электросхемы?
Здравствуйте. Toyota Lexus EWD
Подскажите пожалуйста всё-таки пины 10 и 13 или 9 и 12 правильно подключать?
Просто по Вашему фото кажется Вы подсоеденились к 9 и 12. Розовому и фиолетовому.
10 и 13 контакты если смотреть на разъем с торца. Розовый и фиолетовый провод
Спасибо. Подсоеденились к 9,12- розовый фиолетовый все заработало.
denbok
10 и 13 контакты если смотреть на разъем с торца. Розовый и фиолетовый провод
Я присоединился только к фиолетовому и обе туманки горят, обязательно ли ко второму цеплять?
Желательно, что бы снизить просадку напряжения в нагрузке
Здравствуйте. Нужна Ваша помощь. Полез в проводку не могу понять какие проводки 10 и 13. Подскажите пожалуйста.
Приветствую. Подскажите где ПТФ покупали? Можно ссылку? Есть фото с включенными? Цвет от штатного галогена сильно отличается? Как в работе?
Добрый день. Покупал в автотрейде. Цвет светодиодный, от галогенового отличается сильно, тк цв температура 6000К. За 1,5 года эксплуатации нареканий нет. Ближнюю зону и обочину освещают хорошо, встречку не слепят
Здравствуйте! Спасибо за инструкцию поставил себе без проблем!
Сегодня снял панель на которой " крутилка" режимов трансмиссии и в одной из пустых заглушек кнопок (третьей с лева) обнаружил разъем. У других комплектаций в этом месте кнопка подогрева сидений. Я полез под сиденье и обнаружил там шину с разъемами и проводами ведущими в нижнею подушку и спинку сидения.
На что может идти питание кроме подогрева сидений?! Подушек безопасности в сидениях нет! И эл. схему найти не могу чтобы посмотреть.
Вот фото разъема, был вставлен просто в заглушку.
Что Вы думаете по этому поводу?
Приветствую! Это проводка подогрева сидений. В место заглушки должен стоять модуль с кнопками и индикатором. Там разъем такой же.
зы Про подушки безопасности в сидениях насмешили)
Если поставить кнопку подогревы должны работать?
Работать не будет, т.к. в сидениях нет нагревательных элементов.
Замерил сопротивление сняв разъём под сидением, показывает 0.7 Ом. Подогрев спинки сидения произвонить не смог, нужно открутить сидение. На выходных буду разбираться!
хм, это уже интересно…
Rambo73
Замерил сопротивление сняв разъём под сидением, показывает 0.7 Ом. Подогрев спинки сидения произвонить не смог, нужно открутить сидение. На выходных буду разбираться!
Приветствую! Смотрели подробнее? Есть маты подогрева в сидениях?
Здравствуйте. спасибо за ваш труд. Подскажите пожалуйста. В 14-ти пиновым разъеме контакты 10,13 это плюсовой на правую и левую противотуманки? Что будет если эти контакты просто вынуть из колодки, т.е. в распределитель не вставлять? Хочу птф через кнопку побробывать подключить, целая неделя безделья впереди. Спасибо.
Приветствую! Так то же можно, работать будет.
Iskander51
Здравствуйте. спасибо за ваш труд. Подскажите пожалуйста. В 14-ти пиновым разъеме контакты 10,13 это плюсовой на правую и левую противотуманки? Что будет если эти контакты просто вынуть из колодки, т.е. в распределитель не вставлять? Хочу птф через кнопку побробывать подключить, целая неделя безделья впереди. Спасибо.
Подключили в итоге через кнопку? С каких проводов напряжение брали? Через реле подключали? Кнопка родная или аналог?
Через кнопку п алиэкспресс. Питание и подсветку брал с колодки подогрева сидений.
По ссылке страничка с кнопкой не открывается. Сохранилась рабочая ссылка на кнопку?
Выкладываю инструкцию по установке автоматического складывания зеркал:
1) покупка блок. Я лично брал на Алиэкспресс m.ru.aliexpress.com/item/…DMYkFpXq_WSw1569688294670
Правда что-то ценник он на тысячу поднял
2) снимаем дверную карту с передней левой двери
3) нужно подсоединить три провода от блока: постоянный плюс, земля, импульс от ЦЗ о открытии/открытии замков
Постоянный плюс определяете тестером, я взял со стеклоподьемников, серый провод
Земля — любой болт. Я подключился к чёрный провод (см фото) и следующий абзац
Импульс — вот здесь самое интересное. В торце двери находится белый штекер (см фото). Таит толстый белый провод. Вот к нему и подключаемая
Готово
Не плохо. Постоянный плюс не пропадает при отключении зажигания?
Нет. Для этого и нужен постоянный плюс, чтобы зеркала раскрывались при открытии ЦЗ.
Доброго времени суток! Если не затруднит и есть свободное время — можете выложить схему проводки передней левой двери? Я ставлю автоматическое складывание зеркал и нужен сигнал от центрального замка. Я узнаю что он на 17 пиновом разъёме, а какой пин не могу понять. Заранее спасибо!
Приветствую!
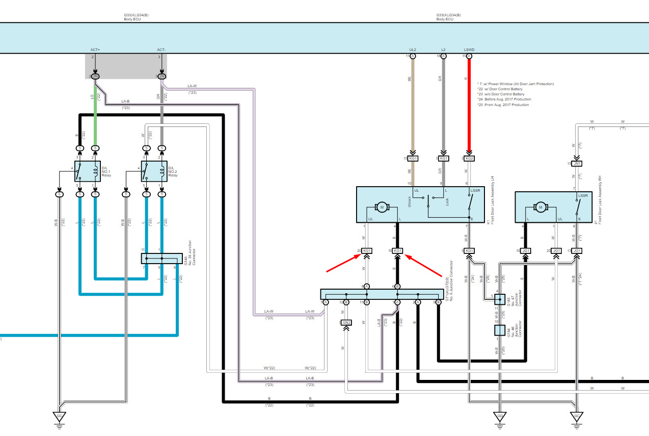
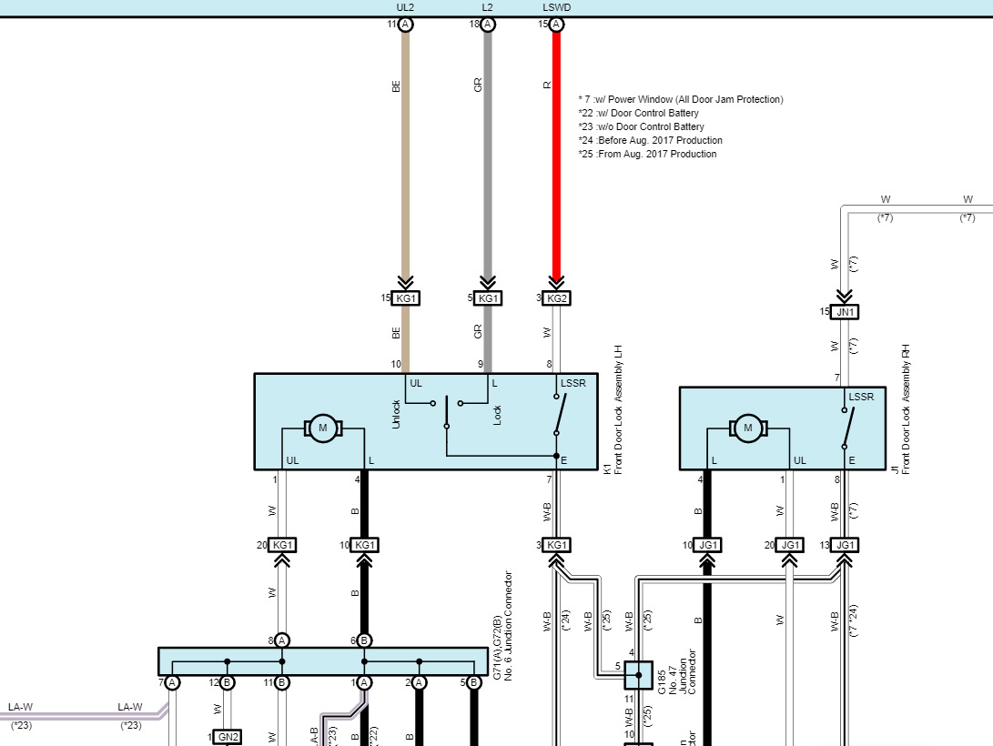
Вот схемы. Разъем кнопки управления замками KG2 находится за пластиковой панелью в р-не входа жгута проводки из двери в салон. 5,15 пины.
Огромно благодарю! Правда Вчера полез подключаться к эти разъёмах, плюс не появляется при активировании ЦЗ. Но электрик из меня никакой, буду пробывать дальше
Если не затруднит — можете выложить распиновку основной косы, которая идёт в левой передней двери (от входа в дверь до конечных переключателей)?
Обязуюсь выложит подробный отчёт по подключение автоматического закрытия боковых зеркал при постановке на охрану
Странно, полярность на приводе ЦЗ должна меняться в зависимости от текущего статуса Lock/Unlock. На 10 или 20 контактах по любому должно быть напряжение +12В. Проверяйте внимательней. Вот вся схема.
Огромно благодарю! Правда Вчера полез подключаться к эти разъёмах, плюс не появляется при активировании ЦЗ. Но электрик из меня никакой, буду пробывать дальше
Если не затруднит — можете выложить распиновку основной косы, которая идёт в левой передней двери (от входа в дверь до конечных переключателей)?
Обязуюсь выложит подробный отчёт по подключение автоматического закрытия боковых зеркал при постановке на охрану
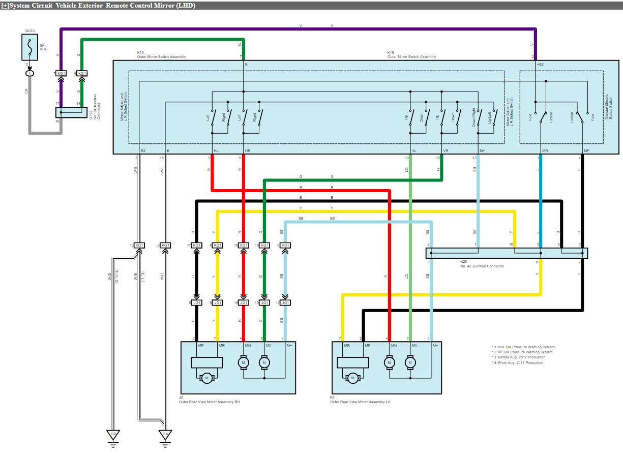
Схема управления зеркалами
Доброго времени суток! Если не затруднит и есть свободное время — можете выложить схему проводки передней левой двери? Я ставлю автоматическое складывание зеркал и нужен сигнал от центрального замка. Я узнаю что он на 17 пиновом разъёме, а какой пин не могу понять. Заранее спасибо!
Доброго времени суток! Если не затруднит и есть свободное время — можете выложить схему проводки передней левой двери? Я ставлю автоматическое складывание зеркал и нужен сигнал от центрального замка. Я узнаю что он на 17 пиновом разъёме, а какой пин не могу понять. Заранее спасибо!
Доброго времени суток! Если не затруднит и есть свободное время — можете выложить схему проводки передней левой двери? Я ставлю автоматическое складывание зеркал и нужен сигнал от центрального замка. Я узнаю что он на 17 пиновом разъёме, а какой пин не могу понять. Заранее спасибо!
Выходы на привода замков пины 10,20, разъем KG1
Доброго времени суток! Если не затруднит и есть свободное время — можете выложить схему проводки передней левой двери? Я ставлю автоматическое складывание зеркал и нужен сигнал от центрального замка. Я узнаю что он на 17 пиновом разъёме, а какой пин не могу понять. Заранее спасибо!
Доброго времени суток! Если не затруднит и есть свободное время — можете выложить схему проводки передней левой двери? Я ставлю автоматическое складывание зеркал и нужен сигнал от центрального замка. Я узнаю что он на 17 пиновом разъёме, а какой пин не могу понять. Заранее спасибо!
Моск, для меня космос хочу отключить включение фари дло а дневное время.есть варианты.
Привет! Подскажите, а откуда схемы проводки и расположения реле?
Toyota & Lexus EWD
Спасибо! Волшебное словосочетание помогло :-)
Блин, прям расстроили… Теперь покупка штатного подрулевого (хотел подключить передние ПТФ) отменяется… Придётся через кнопки мутить.
Ну при желании можно и штатный переключатель вкорячить. Описанный мной способ является самым простым из возможных.
птф уже поставил, купил штатный переключатель птф взамен стоящего, но уже с режимом передних птф. заказал проводку с али. по факту эту проводку нужно проложить от переключателя до реле в правой части над педалью газа?
Можно номерком проводки поделиться?
попросил на али из полного комплекта птф выслать мне только проводку
CoolSpeeD
птф уже поставил, купил штатный переключатель птф взамен стоящего, но уже с режимом передних птф. заказал проводку с али. по факту эту проводку нужно проложить от переключателя до реле в правой части над педалью газа?
Необходимо установить реле и подвести к нему проводку от приборки, компа и распределителя питания, как на первой схеме
на какой схеме =)
Это правда, реле поворотов в фортунерах нет. На всех современных авто управление поворотниками микропроцессорное. Надо обманки колхозить
Вопрос к вам?! Уже всю электросхему схему изучил. Так и не нашел? Где у нас в форчунерах реле поворотников? Хотел поставить диодные лампы в поворотники. И чтобы мигание было в норме поставить реле для светодиодных ламп. Как мне сказали что реле нет.
Хорошо сделано. И принцип работы продуман.
Спасибо! Старался