Привет, потом обрати внимание на расход масла (если он есть). От этого клапана многое зависит, в том числе и расход масла, я тоже поменял, старый так же дулся в обе стороны и небольшой след масла в гофре под заслонку, думаю там оно хорошо выгорало. Сейчас проехал уже больше тысячи, расхода практически нет. Последний раз по трассе крутил 4 тысячи и даже больше, думал специально прогоню, посмотрю сколько съест (так как раньше в основном по трассе и угорало много), тут все ок, уровень не упал.
Спасибо за подсказку. Тоже кстати слышал что от этого клапана много чего зависит. Так как клапан был не исправный то может из за него был небольшой расход масло. Скоро буду менять масло в двигателе и буду наблюдать .
Привет, потом обрати внимание на расход масла (если он есть). От этого клапана многое зависит, в том числе и расход масла, я тоже поменял, старый так же дулся в обе стороны и небольшой след масла в гофре под заслонку, думаю там оно хорошо выгорало. Сейчас проехал уже больше тысячи, расхода практически нет. Последний раз по трассе крутил 4 тысячи и даже больше, думал специально прогоню, посмотрю сколько съест (так как раньше в основном по трассе и угорало много), тут все ок, уровень не упал.
Привет, потом обрати внимание на расход масла (если он есть). От этого клапана многое зависит, в том числе и расход масла, я тоже поменял, старый так же дулся в обе стороны и небольшой след масла в гофре под заслонку, думаю там оно хорошо выгорало. Сейчас проехал уже больше тысячи, расхода практически нет. Последний раз по трассе крутил 4 тысячи и даже больше, думал специально прогоню, посмотрю сколько съест (так как раньше в основном по трассе и угорало много), тут все ок, уровень не упал.
Здравствуйте. Подскажите спустя 2 года наблюдений, масложор действительно прекратился?
Здравствуйте! Машину продал в том году, осенью, поэтому сказать ничего не могу, но после замены клапана расход по маслу снизился и прилично, где-то до уроаня 200 грамм на 1000 км. Было примерно 500-600. Машину продал, поэтому как и что дальше, не подскажу.
Комментарии 13
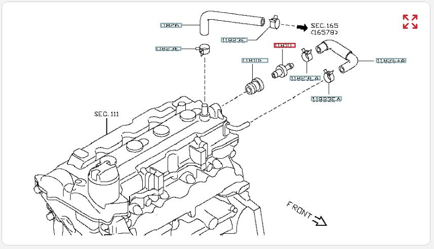
День добрый ! Подскажи пожалуйста а где находится он ? (
Прям под декоративной крышкой двигателя, с пассажирской стороны…
спасибо! Интересно на 1.6 там же он находится ? сейчас попробую найти его по каталогу
вот нашел … на 1.6 он с другой стороны стоит оказывается… и номер его 1181041B02 (ориг).
Будем знать))
Проверь если что на работоспособность … На моей шарик внутри болтался и продувался в обе стороны…
Ага… Спасибо!
doctorstom662
Будем знать))
Проверь если что на работоспособность … На моей шарик внутри болтался и продувался в обе стороны…
Новый должен продуваться в одну сторону?
Честно уже не помню. По-моему да в одну сторону.
Привет, потом обрати внимание на расход масла (если он есть). От этого клапана многое зависит, в том числе и расход масла, я тоже поменял, старый так же дулся в обе стороны и небольшой след масла в гофре под заслонку, думаю там оно хорошо выгорало. Сейчас проехал уже больше тысячи, расхода практически нет. Последний раз по трассе крутил 4 тысячи и даже больше, думал специально прогоню, посмотрю сколько съест (так как раньше в основном по трассе и угорало много), тут все ок, уровень не упал.
Спасибо за подсказку. Тоже кстати слышал что от этого клапана много чего зависит. Так как клапан был не исправный то может из за него был небольшой расход масло. Скоро буду менять масло в двигателе и буду наблюдать .
Обязательно понаблюдайте!
MTL7
Привет, потом обрати внимание на расход масла (если он есть). От этого клапана многое зависит, в том числе и расход масла, я тоже поменял, старый так же дулся в обе стороны и небольшой след масла в гофре под заслонку, думаю там оно хорошо выгорало. Сейчас проехал уже больше тысячи, расхода практически нет. Последний раз по трассе крутил 4 тысячи и даже больше, думал специально прогоню, посмотрю сколько съест (так как раньше в основном по трассе и угорало много), тут все ок, уровень не упал.
Привет)
MTL7
Привет, потом обрати внимание на расход масла (если он есть). От этого клапана многое зависит, в том числе и расход масла, я тоже поменял, старый так же дулся в обе стороны и небольшой след масла в гофре под заслонку, думаю там оно хорошо выгорало. Сейчас проехал уже больше тысячи, расхода практически нет. Последний раз по трассе крутил 4 тысячи и даже больше, думал специально прогоню, посмотрю сколько съест (так как раньше в основном по трассе и угорало много), тут все ок, уровень не упал.
Здравствуйте. Подскажите спустя 2 года наблюдений, масложор действительно прекратился?
Здравствуйте! Машину продал в том году, осенью, поэтому сказать ничего не могу, но после замены клапана расход по маслу снизился и прилично, где-то до уроаня 200 грамм на 1000 км. Было примерно 500-600. Машину продал, поэтому как и что дальше, не подскажу.