Запчасти
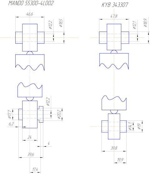
АМОРТИЗАТОР "RIO 1.6Л", МАКСИМАЛЬНО РАЗРЕШЕННАЯ МАССА 1565КГ, ХОД СЖАТ
Характеристики детали



- Производитель
- KIA HYUNDAI
- Артикул
-
553004L002 - Название
- АМОРТИЗАТОР "RIO 1.6Л", МАКСИМАЛЬНО РАЗРЕШЕННАЯ МАССА 1565КГ, ХОД СЖАТ
- Аналоги
- 72 кросса
- Фотографии
- 31 фото
- Упоминания в блогах
- 171 запись
- Оригинальная продукция Прямые контракты с производителями
- В наличии на все марки авто 1,5 млн наименований запчастей
- По всей России 145 городов с магазинами и складами
Аналоги 72
Производитель
Артикул
Отзывы
Фотографии
31
Упоминания в блогах 171
Hyundai Solaris (1G)





























































































