Запчасти
Набор проводов
Характеристики детали



- Производитель
- VAG
- Артикул
-
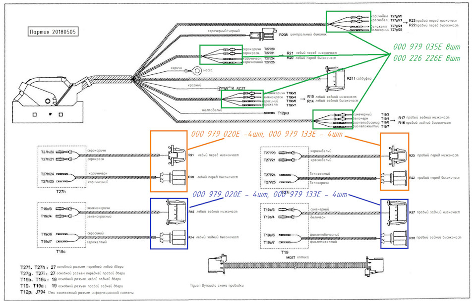
000979020E - Название
- Набор проводов
- Аналоги
- 1 кросс
- Фотографии
- 50 фото
- Упоминания в блогах
- 124 записи
Фотографии
50
Упоминания в блогах 124
Volkswagen Polo Sedan
Volkswagen Jetta VI
Volkswagen Polo Sedan





























































































































