
Блок весьма неплохой. Использовался в том числе, в знаменитых С-70 с ЭМОС. Причем, выдавал там заявленные 50Вт. В Радиотехникообразиях — только по 20Вт в связи с общими компоновочными и телоотводящими решениями. Форм-фактор не позволял размещать большие радиаторы, трансформаторы и емкости БП, да и сам помню: была в те годы мода на миниатюризацию и компактизацию.
Перед вами 2 варианта данного блока. В чём разница?


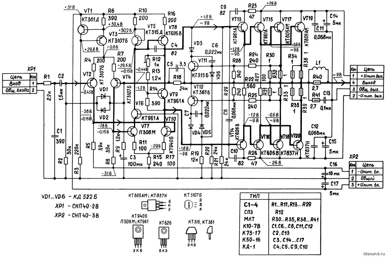
— ГСТ в "хвосте" входного дифкаскада в первом случае на КТ315Д(VT1)/КТ3107, во втором — КТ361(VT1)/КТ3107 + другой номинал резистора
— -//- VT3. Тут транзистор используется "в диодном включении", то есть используется только переход база-эмиттер, база-коллектор замкнут. Так что не принципиально, какой проводимости транзистор используется. Но вообще-то желательно чтобы использовался тот же, что используется в ГСТ — так термостабильность тока выше.
— во втором ДифКаскаде/каскаде раскачки в первом варианте 2хП308М, во втором — П308М и КТ940Б.
— во втором варианте защита берется только с 1 пары выходных транзисторов.
Больше различий не нашёл — может, вы найдёте.
Все эти изменения не принципиальны, влияют на термостабильность, и не влияют на работу в общем.
Схема вполне "развитая", с 2-каскадным 2-тактным УН:
Входной дифференциальный каскад (VT2, VT4) линеаризован, Ку = 19,5
Второй каскад тоже дифференциальный, тоже линеаризован, оснащен каскодом (VT5) и IUI (VT3 в качестве диода и VT8 — собственно IUI). Как помним, к такому каскаду раскачки в конце концов пришла Denon.
Далее — Биас (VT9), защита (VT11, VT12)
И выходная "троечка" с двумя парами КТ805АМ / КТ837Н на выходе.
Питание УН и выходного повторителя разные: УН — +/- 31V, УМ — +/-26V. Это имеет свой смысл, т.к. "жарить" выходники высоким током покоя вкупе с высоким напряжением, мало осмысленно, а УН нужен некий запас напряжения, как правило, вольт 5, чтобы нормально эти выходники "раскачивать".
Маленький мощегабарит выходных транзисторов (ТО-220) компенсируется оригинальным решением: пары транзисторов одной полярности прикручиваются напрямую (без изоляторов) к переходнику, а тот, в свою очередь, уже через изоляторы — к общему радиатору. Благодаря такой конструкции достигается СИЛЬНОЕ уменьшение теплового сопротивления кристалл — переходник, переходник благодаря тесному тепловому контакту, становится как бы частью подложки — получается увеличение эффективного типоразмера транзистора, чем достигается уменьшение девиации температуры кристалла и, как следствие, уменьшение тепловых искажений.
Вполне интересная схема. Всё линеаризовано. Даже есть 1 каскод. ОООоооо.
Я слушал данный усилитель весьма давно, и он произвёл на меня впечатление как наиболее чисто играющий. Сравнивалось с 002м Амфитоном и 122 Вегой. Сейчас, посмотрев на схему, понимаю, что такое вполне возможно.
Тут человек модернизирует УНЧ50-8, но, ИМХО, совершенно не в том направлении. Что он сделал:
1. Заменил резисторы во входном ДК на ГСТ/ТЗ (токовое зеркало) — Ок. Это увеличивает Ку каскада, но ухудшает его частотные характеристики, т.к. увеличивается девиация напряжения на коллекторах и больше проявляется эффект Миллера. Данная доработка была бы безобидной, и даже полезной, если бы были поставлены каскоды (уменьшение эффекта Миллера и увеличение быстродействия каскада даже по сравнению с исходной схемой).
2. Двутактный Дифференциальный каскад раскачки заменил на однотактный, еще и не линеаризованный ОЭ/ГСТ. ИМХО, совсем не то решение. Двухтактный каскад и симметричнее и побыстрее будет.
Чего он добился? Увеличения петлевого усиления, и т.о. величины подавления помех, что и вылилось в снижение искажений до 0,022% в Мультисиме, правда, он не написал, на какой мощности и какой нагрузке?
Но мы то знаем, что нагонять петлевое не стОит путём снижения линейности и быстродействия. Т.е. звучать такая доработка будет лучше только по впечатлению ее сотворившего т.к. он ее сотворил.
Ну и в комментариях его вполне заслуженно обосрали раскритиковали. Толковые комментарии от Влад, Ёшкин Кот, А.Бокарёв, Виктор. Соответствуют моему восприятию и пониманию.
Я бы предложил другую доработку: сделать УПТ (убрать конденсаторы на входе и вООС, поставить настройку ноля — 2 резистора + 1 подстроечник) и тупо заменить выходные транзисторы на что-нибудь стОящее в ТО-3Р, или ТО-3, естественно, уже в другом конструктиве, оторвать защиту по току как таковую (VT11, VT12).
Более глубокая модернизация: каскоды в раскачку и входной ДК, более высокочастотные тр-ры, оптимизировать (уменьшить) коррекцию (С4, С5, C9, C10), VD1.
То есть ничего принципиального я переделывать не предлагаю. Мне эта схема нравится.
Тут — еще варианты переделок УНЧ50-8. Можно почитать. Я не читал еще — комментировать не имею возможности.
****************************************************************************************************************
Список используемых мной сокращений.
Мои предыдущие публикации:
Made in USSR: Усилители "Электроника".
Made in USSR: RRR Radiotehnika — предусилители и оконечники.
Made in USSR: RRR Radiotehnika. Полные усилители.
Made in USSR: УНЧ50-8
Made in USSR: Усилители "Вега" — БРЗ
Made in USSR: компонентные системы "Амфитон" (преды и оконечники).
Made in USSR: Введение в Амфитоноведение. Интегральные усилители.
Denon всё. Каталог.
Denon: Потеряшки" от Денона. Ищем "родственников".
Denon: Весь "Optical Class A" в одной статье. Denon PMA-1520, 860, 1060, 1560, 980, 1080, 715R, 915R, 1315R, 725R, 925R, Denon POA-2400, 4400A, 6600A, 800, 3000RG, 5000, 2800.
Denon: Real Bias и Direct Distrtion Servo от Denon: как работают, что за приблуда на двух ОУ, и для чего?
Denon: "Взрослые дядьки" от Denon 1984-1987 — последователи POA-8000: NonFB & RealBias gen.2
Denon POA-3000Z (1984): Чей я сын ?
Denon POA-1500 ищет родственников.
Denon: Изучаем Denon POA-3000.
Denon: "взрослые дядьки" от Denon 1976 — 1977
Denon PMA-S1: правильный ли UHC MOS? Детективное расследование, или как собирать информацию.
Denon 1993 — настоящее время. Эпоха UHC-MOS: POA-1500 / 2000 (I, II, III, IV), POA-1500/2000AE, 1510/2010AE, 1520/2020AE, 1600/2500NE
DENON 1987 — 1992. Optical Class A: PMA-1520, PMA-1560, 1060, 860, PMA-1080R, 980R
DENON 1983 — 1986. Denon 1983 — 1986. Эпоха бюджетного Hi-End: Denon PMA-790, PMA-960, PMA-900V
DENON 1980 — 1981. Эпоха "New Class A": PMA-550, PMA-950, PMA-970
DENON 1975 — 1980. "Полуламповая" эпоха: PMA-800 Z, PMA-701, эпоха симметричного входного каскада: PMA-630, PMA-830, PMA-850
Denon POA-8000. Монстр без ООС. Но с 7 ОУ в тракте.
DENON POA-S1. Что такое UHC-MOS (Ultra High Current-MOS), как оно должно выглядеть, и как оно работает.
Denon PMA-1500/2000. Что с ними не так, и правда ли он — удешевленная версия Denon POA-S1? Разберем конструкцию, схему и идею.
Amplifier Guide. Part 3. Глубоко философская. И совсем без картинок.
Amplifier Guide. Part 2. Исследование Сервис-Мануалов.
Amplifier Guide. Part 1. Почём фунт усиления, или что можно сказать об усилителе, изучив его ДатаШит (характеристики)?
Комментарии 30
В колонках S 70 хочу модернизировать усилительные блоки, звук не очень чистый.
Там не усилители надо модернизировать, а динамики. Они в первую очередь "гадят". СЧ и ВЧ.
Автору:
На старости лет хочу заняться восстановлением \модернизацией\ усилителя Радиотехника У-101, не знаю, в каком он состоянии, последние 20 лет просто стоял на даче… И стоит ли этим заниматься? Может, лучше купить что-нибудь китайское класса Д… Посоветуйте… Да и еще, сейчас на пенсии, времени много, занялся изготовлением акустики, раньше, в 70-80х, увлекался этим делом довольно серьёзно…
Здравствуйте.
УНЧ 50-8 мне в принципе нравится. Думаю, что из него можно добыть ЗВУК.
В Радиотехнике ушлёпский пред. Его надо удалять, менять, … .
Если просто удалить пред — уже интересно будет.
И индикаторы.
Д — это отдельная тема. В дешёвых звука нет. Богатые — собирайте на зоровье.
А вы, я вижу из Питера, занимаетесь ремонтом \модернизацией\ подобных усилителей?
Пока для себя делаю. Разбираюсь так сказать.
Может что-нибудь завалялось недорогое для моих С-90 и второй вариант 2х50вт + 50вт на саб \честных, советских ватт… Встречаемся с друзьями детства до сих пор, музицируем для души…
Нееее. Для Ы90 у меня нет ничего кроме "вредных советов".
Под них что угодно пойдёт. БРИГ в1, наверное, лучше всего будет.
У меня только в2 есть. Он по КВОДовско-Зуевской схеме.
Вредные советы мне и нужны, не подойдет только совет: "Выбросить на помойку", и еще, в молодёжно-аудиофильной терминологии совсем не силён в связи с возрастом, по-этому, переведите, дайте ссылку, готов обучиться, время есть…
Ы90 — это не АС. Это "база" для изготовления АС.
НЧ — более-менее. А после некоторых доработок, так гораздо более чем менее.
СЧ — 100% менять
ВЧ — 50% менять. 50% — потому что можно подобрать норм. шёлковую подвижку от импортных динамиков на отечественную МС.
Есссно, потом перестраивать фильтр.
После этого всего Ы90 перестает подпевать и подвывать в такт и начинает воспроизводить.
Без этих доработок Ы90 — это не АС. Это — некий аккомпаниатор.
У меня пока времени нет на статью по получению АС из Ы90.
Трудно понять, если не знаешь теории, но меня опять тянет порассуждать с моей дилетантской точки зрения. )
Если известны сильные и слабые стороны различных узлов схемы, известны все параметры и принципы как и что надо рассчитывать, то почему тогда производились вещи, которые после надо было каким-то образом улучшать?
Неужели не могли придумать такую схему усилителя, которая попросту не нуждалась бы в улучшениях?
И если, вдруг, такие схемы были, тогда зачем делалось что-то другое?
Ещё интересно понять — так ли плохи усилители на микросхемах, как их многие не любят? Я понимаю, что в них, практически, нет возможности залезть и поменять отдельные элементы, но ведь они изобретались с помощью каких-то систем проектирования и характеристики их старались сделать максимально "правильными". Или основной целью было лишь удешевление производства?
И так ли плохи современные цифровые усилители, как их тоже многие не любят?
Отвечать не обязательно. Это просто мои мысли, после прочтения подобных тем. )))
1. Аудио — путь компромиссов. Нет такого, что что-то может быть лучше абсолютно. Всегда с какой-то стороны лучше, с какой-то — хуже.
2. Все кусочки есть, а пойди выложи из букв Ж, О, П и А слово "СЧАСТЬЕ" :-).
3. Сделать можно. Не идеал. Но близко. СИЛЬНО ближе, чем то, что у вас, у меня, … . Но сложно. И это ОЧЕНЬ дорого.
Вы про "Денонов" эпопею прочитайте — СКОЛЬКО там решений, причем, принципиально разных.
4. Хороши, но до опр. уровня. Причем, весьма низкого. Удешевление есссно. Там есть энное кол-во причин. Но не буду объяснять.
5. Не так. Но опять-таки, до опр. уровня. В данном случае, не сильно низкого.
По 3 пункту стало интересно за счёт чего именно сейчас может быть очень дорого что-то сделать? Они будут целиком и полностью на дискретных элементах?
По 5 пункту интересно — принципы у цифровых усилителей тоже разные?
За счёт чего они различаются по "уровню"?
И можно ли отличить на слух аналоговый усилитель от цифрового? Не может ли оказаться так, что какой-нибудь недорогой цифровой усилитель окажется лучше нашего (отечественного) аналогового и что вместо проведения ряда улучшений аналогового усилителя проще его просто заменить на цифровой?
Спасибо. )
3. Да. Да. Видели что-то сильно выдающееся на ИМС? Всё, что хорошо, требует некоторых усилий. Просто так, нахаляву — это редкость. В том числе, вся комплектуха должна быть соотв. уровня.
5. Да. Я знаю минимум 3.
6. За счёт многого. Всё влияет. Это надо попробовать, многие вопросы отпадут.
7. Не всякий от всякого. Легко. В основном потому, что отечественная техника в основном не шибко высокого уровня (по звучанию). Но есть и исключения.
Про вполне музыкальное звучание — подтверждаю!
Владею таким усилителем и он мне очень нравится по звучанию, единственное, приходилось держать регулятор на 10-12 часах, чтобы звучало все еще негромко Работал в комнате 9м/кв.
Осталось транклюкировать ему пред и запитать от какого-нибудь кашерного преда типа JC-2, можно китайского. Пред там — отдельная песня.
Этот имеется ввиду?
Возможно. Кто это? НДАМ или ЖС2?
Пишут JC2
Можно такой. Вполне. Резисторы, кстати, весьма качественные (переменники шаговые).
Хау мач?
3100р с доставкой собранная плата. Сходу что-то diy не увидел.
Шикардос. Там одних полевиков на …
m920am
3100р с доставкой собранная плата. Сходу что-то diy не увидел.
Приветствую. Получилось что-нибудь собрать?
Взаимно! Не заказывал. Кстати, почти забыл про эту тему. Надо освежить, поискать варианты с конструктором. Да и курс доллара какбэ позволяет
У РТ конструктив неплохой и собственно УМ.
Вредят пред, тембры, …
Можно ламповый пред туда вкрячить.
В своё время собирал суховский пред на к157уд2, только коррекцию по тембрам делал глубже по той же статье. На тот момент было удивительно, что когда крутишь в крайние положения регуляторы тембра и громкости — шум не менялся.
Тембры — везчъ сугубо лишняя для звука. ИМХО. Для дыскатээк — нет.
Ну, тогда они нужны были, качество записей было разным. С сд у меня был самодельный пред на лампах, так тембры были в нейтральном положении. Сейчас я в основном слушаю в наушниках, тембры точно не нужны.
На хорошем УМ и акустике — только вредят.
В свое время у меня этот усилитель (один из каналов в Радиотехнике) почему-то стал возбуждаться на частоте около 100 кГц с выгоранием выходных транзисторов. По молодости лет так и не разобрался в чем дело и воткнул на выходе каналов усилители на ТДА1514. Уже 20 лет прошло, до сих пор там живут.
Но родные платы не выброшены. Лежат — ждут своего часа. :)