Небольшое отступление для начала…
Нигде "подробного описания" про болты ГБЦ я так и не нашел! Всё перерыл, халявы не вышло! Всё пришлось изучать самому так сказать с самого "0"…Начал писать и испытывать еще с марта месяца этого года…увы затянулось.
Всё написанное ниже в этой статье, является личным расследованием и изучением!
Я конечно не супер писатель, такого рода изучений на афишу никогда не делал, но постараюсь изложить всю полученную информацию с опытов и изучения предмета как "СОПРОМАТ" на сколько это у меня получится.
Инженеры вот люди такие, сами всё вычислили, рассчитали и дали точное руководство по затяжке наших болтов ГБЦ почему-то на градусы, а не на момент затяжки…
С точки зрения инженерных мозгов их ответ прозвучал бы примерно так:
" Делайте затяжку как написано в инструкции и не задавайте лишних вопросов, как это работает и почему именно так нужно производить затяжку…Объяснять долго, это наука, да собственно и не нужно это вам знать слесарям на СТО и тем более простым пользователям автомобилей. Есть предписание-выполняйте!"
Похоже ведь действительно никто и никогда с этим не заморачивался…Я например не слышал, что кто-нибудь на новых иномарках ездили на протяжку ГБЦ. Но вот у нас "ховероводов" с частыми сменами прокладок ГБЦ этот вопрос очень уж "острый" получается…
Готовьтесь информации будет МНОГО! Можно сказать, что это мой первый такой "тяжелый" научно-исследовательский доклад.
------------------------------------------------------------------------------------------------------------------------------------------------
А началось всё с того, что после пробоя прокладки ГБЦ, я решил использовать родные болты ГБЦ повторно. Но меня тогда постигла неудача и "пИчаль"…В предыдущем посте в 4-ой части темы Пробой ПГБЦ(часть4)есть запись про этот эпичный случай.
Изначально интересен был мне вопрос, что же с этими именно двумя болтами из 4-го цилиндра произошло такое? Ведь протяжку ГБЦ я не делал вообще. С салона как взял ховера с "0" пробегом, так до ~60т.км. и прошел. Почему же 2 болта так вытянулись больше остальных на 2 десятки и имели длину 97,4мм, в то время как остальные 8 болтов имели длину 97,2мм.( Напомню, что новые болты с упаковки имеют размер 97,0мм.) И далее после попытки их повторного использования один из болтов имеющего длину 97,4мм вообще ппц как страшно растянулся так и не дойдя до момента в 85н*м на ключе? Получается по факту, что все болты после съема ГБЦ уже имели удлинение…
Первые мысли были такого плана : Может это последствие перегрева сказалось на свойствах металла…может закалку отпустило что-ли…а калёный ли он вообще?
В моём понимании было, что "Болт должен быть болтом, а не пластилином. Тебя закрутили-так ты ДЕРЖИ! Не табличку же на двери держишь, а ответственную деталь силового агрегата!"
Слишком сильно я захотел добраться до истины, моё любопытство всё-таки преодолело лень… И вот весь комплект старых болтов ГБЦ у меня теперь на руках и я решил их отнести к себе на работу взяв их на "исследование"…
Чтобы начать от чего-то отталкиваться, хотел узнать хотя бы 2 составляющие, а именно:
1.) Марка используемой стали болтов
2.) Твердость закалки (вообще калёный ли, если болт такой "пластилиновый"?)
Благо у меня работа позволяет это сделать и имеется "под боком" лаборатория со всеми необходимыми приборами и на эти 2 вопроса можно уже найти ответы для прояснения картины.
Хотелось сравнить и выявить различия между ними.
Отправляем на анализ:
Имеем 2 образца:
-Болт длиной =101мм(поплывший страх)
-Болт длиной =97.25мм(еще на вид живой. После повторной затяжки с щелчком на 85н*м прибавил в длине еще 5 соток )
Состояние резьбы у обоих образцов "абсолютно" здоровое!
Проверку на марку стали делали спецприбором "стиллоскоп".
Получаем следующее заключение :
В соответствии полученных результатов о хим. анализе составляющих элементов образцов, и сопоставлении по таблице полученных соотношении хим. элементов состава металла, материал стали 2-х образцов соответствует:
Простой углеродистой конструкционной стали марки (Ст35~Ст40). Присутствие фосфора.
Так…так…так…
Кому интересно покажу фото после спектрального анализа "стиллоскопом" путём искрового метода с разложением искры на раздельные спектры свечения элементов материала и их интенсивности от количества выраженных в "%" соотношении, видны остаточные следы на поверхности болта от контактов прибора.

Идём дальше. Проверка твердости образцов на стационарном твердомере в 2-х местах на каждом образце. Определяем твердость по Роквеллу(HRC). Используется индентор с алмазным наконечником:
Пробы сделаны в обеих образцах в рабочей зоне "тела" болта

Результат: Твердость тела у обоих образцов равна 20 единицам(HRC)!
О как, разницы нет между ними…
Пробы на твердость торцов с резьбовой части

Результат:Твердость резьбовой части у обоих образцов одинакова и равна 28 единицам(HRC)
Так что же мы имеем в итоге:
По внешнему виду можно сказать, что болты выполнены по технологии "штамповки". Резьба выполнена методом "накатки".
Сделаны болты из простой углеродистой конструкционной стали (Сталь 35~40) . Вы спросите, почему не конкретно это сталь 35 или сталь 40? Всё потому, что по ГОСТУ к сталям 35 относятся металлы содержащие количество углерода в % соотношении от 0,32 до 0,4%, а к сталям 40 также относятся металлы по ГОСТУ содержащие углерод в соотношении от 0,37 до 0,45%. А вот хим анализ как раз показал количество углерода в образцах 0,38%. Нечто среднее, но будем считать на твердую оценку что это сталь 35! Пусть будет так. Главное что такие стали, начиная от Ст35 и выше уже имеют хорошие способности к "закалке". То что был на хим. анализе обнаружен фосфор, то это его на поверхности его покрытия и этот элемент в данном случае выполняет роль в качестве защиты от коррозии.
Я то думал, что материал болтов будет куда более интереснее с содержанием "хрома" для придания твердости! На работе все тоже удивились, что это за болты такие для ГБЦ с закаленной только резьбой из простой углеродистой стали, которые так тянутся словно "сосиски". Народ был шоке! Сразу пошли ржаки про машину "китайскую"(((…
Как оказалось несмотря на разность удлинения (поплывший и живой еще болт) имеют "абсолютно" одинаковую твердость тела(20HRC) и резьбы(28HRC). Тут я тоже ожидал увидеть разницу, что поплывший болт по телу будет мягче и что его отпустило из-за перегрева при пробое прокладки в той части где ОЖ уже кипела во всю и не циркулировала, поэтому он такой мягкий и стал…
По технологии что-бы отпустить закалку, нужно болт разогреть до 800*С(t*отжига)…Разогреться до такой температуры болты не могли…Это безумие! Да и остальные болты были хорошо затянуты. Значит дело всё-таки не в перегреве самого болта…
И вот тут то главное, что по полученному значению твердости "тела" болта в 20 единиц (HRC) для данного материала соответствует твердости этого материала вообще без закалки! А вот резьба уже имеет закалку(28HRC)! Опять вошла мысль в голову- ну как так-то? Что за дела то? Неужели весь болт не могли закалить одинаково? Почему только местная закалка на резьбе, а "тело" сырое оставили? Экономия чтоль? Да ну на… Хм… Странно…
И вот, начинаю "копать" под болты глубже и начинается самое интересное в поиске истины!
Изучив внешнее строение наших болтов вот что я выяснил:
Рассмотрим болт более детально. Наш болт имеет зауженное поперечное сечение тела болта с некоторым отступом от шляпки "галтель" для усиления перехода головки болта к телу. Она также является и "центровкой" на посадочном месте в отверстии ГБЦ.

Резьба выступает над телом. Резьба имеет больший диаметр(М11), чем тело(9.5мм) и глубина канавки резьбы соответствует наружному диаметру тела.

Болт имеет зауженную форму тела(поперечного сечения/поперечника, кому как больше нравится), начиная от галтели и заканчивая до начала резьбы. Забегая вперед скажу, что сделано это специально для того, чтобы деформация начиналась в теле болта, а не на резьбе или у шляпки. И в случае его перегрузок допустим при неправильной затяжке он лопнул на своём "зауженном" поперечнике, а не в резьбовом соединении. Так же он порвется гораздо раньше, чем сорвет свою резьбу и резьбу блока!
А вот теперь момент истины!
Ничего не напоминает наш болтик?


Основываясь даже на этих всех вышеуказанных фактах уже можно смело с уверенностью сказать, что наши болты — это именно болты TTY!
Так что-же за болт такой TTY, в чем его преимущество от обычного высокопрочного болта?
Немного удалось найти про него информации в сети, то что:
TTY это аббревиатура Torque To Yield и переводится с английского как — «крутящий момент до предела текучести», и это не просто обычный болт. Такие болты затягиваются не с тем или иным усилием, а строго на определенный угол доворота(установочный градус). Болт TTY при затяжке ДЕФОРМИРУЕТСЯ, достигая предела текучести, но при этом повышается его УСТАЛОСТНАЯ ДОЛГОВЕЧНОСТЬ(не нуждаются в постоянной подтяжке), что обеспечивает надежную фиксацию ГБЦ на блоке с постоянным усилием. Такие TTY болты давно повсеместно уже используются для авто с алюминиевыми ГБЦ. Так как температурный линейный коэффициент расширения ГБЦ из алюминия и БЛОКА из чугуна имеет разницу аж в 2 раза, то становится понятным зачем такие болты придумали. Они должны удлиняться вместе с ГБЦ при нагреве и возвращаться обратно к исходному размеру при остывании. Автомобили же нашего родного советского производства (Волга, Жигули, Москвич, УАЗ.) "растягивающимися болтами" ГБЦ ранее не оснащались. Тело TTY болта растягивается, и обеспечивает необходимую для уплотнения эластичность. После их установки, не следует производить "дотяжку" или "подтяжку" ГБЦ!
Тааак интересно…а как такое возможно то? Что за чудеса науки?
Так вот почему у нас так часто звучат отзывы про наши болты что-то вроде:
-Да что же за болты стали делать из мягкого дешевого "Г" и кругом обман, не фига не дотянуть до момента на ключе к которому я так привык тянуть на отечественном автопроме!
Оказывается мы их принимали за обычные болты. А зряяя. Их не надо их приравнивать к обычным болтам, которые невозможно довести до предела текучести, затяжка которых производилась только по моменту!
Вся суть TTY болта оказывается в его строении и материале, которое позволяет это сделать, т.е. достичь этого предела текучести. Задался вопросом : А почему же надо именно затягивать с углами доворота, а не на момент?
И тут вот мне пришлось постигнуть знания по такому предмету как "СОПРОМАТ". Иначе никак…
Получив все мне необходимые знания в этом предмете, я наконец-то получил ответы на мои вопросы.
Дело в том, что затягивая болт просто моментом затяжки, определить его точную точку "предела текучести" по динамометрическому ключу на наших болтах типа TTY не представляется вообще возможным из-за сил трения. Из-за этого невозможно контролировать его удлинение.
Трение- сила не совсем стабильная и она имеет разные коэффициенты. Самый большой коэффициент трения приходится на резьбу из-за её "профиля углового подъёма витка". Также большая сила трения и в месте контакта шляпки болта с шайбой, но немного меньше из-за ровной трущейся поверхности друг с другом, уже без угловых смещений как в случае с резьбой. На коэффициент силы трения также играет скорость выполнения затяжки (переход коэффициента между состоянием покоя и скольжением). Важную роль имеет значение состояние резьбы(новая/старая, грубая/острая, чистая/грязная, сухая/в смазке). А когда материал болта начинает "течь" эти погрешности являются неприемлемыми для его точной и правильной затяжки. Слишком маленький "коридор" чтобы уловить его по моменту затяжки. Даже если сделать "идеальный" расчет точного момента затяжки с поправкой на трение -щелчок на ключе может произойти либо раньше наступления предела текучести, либо за ним или же вовсе он не произойдет и болт начнет активно деформироваться вплоть до обрыва.
Для наглядности пояснение что такое болтовое соединение. Изображены на картинке эти две разные силы воздействующие при затяжке болта, либо гайки, не важно. Закрутив все болты с одинаковым моментом на ключе ГБЦ у нас прижата с равным усилием по всей плоскости… Но, не всё так однозначно. Есть одно ГЛАВНОЕ "НО"! Это сила опять трения! Чем большим моментом идет затяжка болта — тем сильнее действуют силы трения! А значит оно сильнее вносит погрешность и разброс по "осевому усилию" между всеми болтами. Сила трения при закручивании на момент затяжки ВСЕГДА вносит погрешность в точность нагрузки по осевому усилию.

.
Думаю теперь вы понимаете что в нашем соединении БЛОК-ГБЦ из этих сил важна и играет главную решающую роль именно "осевое усилие"! Но помимо этого еще наш болт обладает такими чудесными свойствами на подобие "пружины".
Давайте рассмотрим пример на моём рисунке физических свойств нашего болта, и что происходит с болтом когда мы его начинаем нагружать затяжкой:

Надеюсь исходя по моему рисунку, картина происходящих процессов в болте при разных вариаций затяжек боле-менее ясна.
Наша цель вариант №4 -затянуть болт до предела текучести, чтобы получить максимальную "упругость"(пружинность) затяжки без существенной деформации и утончению поперечного сечения, как в следствии снижении его "эластичности" а также "предела прочности".
Зачем же нам эластичность?
ГБЦ нагреваясь и остывая как-бы "дышит" и наши болты это делают замечательно вместе с ней, держа всё время соединение под "упругим напряжением".
Во вторых, что на болт постоянно действуют динамические и ударные нагрузки и даже простому калёному болту будет не легко с постоянными циклами нагрев-охлаждение. Со временем в структуре болта может появится "изъян" в виде первой микротрещины, далее сами догадываетесь что будет. Наш же болт благодаря своей "эластичности" переживает такие нагрузки во много раз лучше.
И в третьих из-за в разы большей "упругости" в затянутом состоянии наших болтов, по сравнению с обычным высокопрочным болтом, мы имеем преимущество в низкой усталости от времени и циклов. Внутреннее напряжение в нашем TTY болте со временем не падает настолько быстро, как в обычном болте. Поэтому его не нужно подтягивать и этого напряжения хватает на весь срок эксплуатации двигателя.
Так собственно "итог" почему используются углы доворота при монтаже, а не просто момент затяжки?
Получить "абсолютно точные" характеристики материалов без погрешностей можно только при испытаниях на разрывной машине прилагая осевое усилие к образцу. В неё устанавливается образец в форме "гантельки" за специальные захваты и начинают нагружать(растягивать) материал, получая график характеристик проходя все точки его состояния при растяжении образца до его обрыва(полного разрушения). Такой метод совершенно исключает влияние трения при испытании и выявляет его "чистые" характеристики применяя к нему нагрузку. И самое для нас главное из этого всего при затяжке такого болта для нас точка наступления "предела текучести". То есть как я описывал выше, МАКСИМАЛЬНАЯ упругость с эластичностью(удлинение) при нагрузке с возвратом в исходную длину с МИНИМАЛЬНЫМ остаточным удлинением после снятия нагрузки. Говоря по простому на сколько он "спружинил".

Что же это такое предел текучести и когда он наступает?
Предел текучести обозначается как σт (сигма Т) следует сразу за площадкой текучести, ярко выражено наблюдается на графиках растяжения только в малоуглеродистых сталях. В углеродистых же сталях (с содержанием углерода 0,3% и выше) и в высоколегированных сталях площадка текучести и предел текучести отсутствуют, если вдаваться в подробности металлургии, тут прослойки между зернами феррита настолько значительны, что они затормаживают пластические деформации вплоть до достижения предела прочности ( временного сопротивления разрыву).
Предел текучести на диаграммах растяжения получается при испытании не всех материалов. В нашем же случае с нашими болтами и содержанием в их составе материала 0,38% углерода при помощи особых построений на диаграмме растяжения определяется так называемый —"условный" предел текучести по остаточному удлинению образца после нагрузки равному "СИГМА 0.2"
Возьму на примере нашего болта:
Его длина испытывающая именно нагрузку на удлинение(от низа шляпки до начала первого острого витка резьбы) равно 72мм. Прикладываем нагрузку до такой величины, чтобы образец растянулся на "n" длину под нагрузкой и после снятия которой длина образца увеличилась(растянулся) только на величину "сигма 0.2" т.е. 72мм. Х 0,2% = 0,144(~0,15)мм. Новый болт с упаковки имеет длину 97мм, то достигнув предела текучести, и снятии с него нагрузки он будет иметь уже длину 97.15мм. Это значит, что наш болт "чётко" достиг предела текучести и был выкручен. Но перед тем как снимать нагрузку с болта, замеряется его длина находящегося под нагрузкой, чтобы узнать при каком удлинении мы получили именно остаточное удлинение сигма 0.2. Если еще короче, то нужно узнать с какой длины находясь под нагрузкой он "спружинил" при снятии с него нагрузки, до своего остаточного удлинения на коэффициент равному сигма 0.2.
И так, то что мы видим в мануале по затяжке наших болтов, это результат того, что инженеры уже вычислили точное удлинение "тела" болта под нагрузкой для его гарантированного достижения предела текучести. Теперь зная эту величину(длину под нагрузкой) ничего сложного не стоит её перевести на расчет в градусах поворота в резьбовом соединении учитывая шаг резьбы на абсолютно точное количество градусов при монтаже, отталкиваясь от "стартовой" точки в 20Н*м с минимальной погрешностью на трение! Таким способом ВСЕ болты четко достигнут своего предела текучести, будут иметь абсолютно одинаковое удлинение и самое главное ОСЕВОЕ УСИЛИЕ!
Давайте немного пробежимся по пунктам в мануале к болтам/прокладке.
Момент затяжки 63-78н*м нужен для того, чтобы прокладка "набилась"(сейчас прокладки идут безасбестовые "малоусадочные" не требующие протяжки).
Далее следует полное снятие нагрузки со всех болов.
Момент затяжки 20н*м. Этот пункт является стартовой точкой отсчета, при которой все имеющиеся зазоры "выбираются" полностью. Эта точка преднатяга максимально будет точна как по "моменту", так и по "осевому усилию" среди всех болтов из-за столь низкой силы трения. Далее болт готов принимать всю нагрузку на себя полностью с усилием с последующем его незначительным удлинением дойдя до точки предела текучести по формуле 90*+90*.
Соорудил на работе испытательный стапель. Очень жесткий и прочный из 45-й стали для максимальной нагрузки на болт с визуальным контролем происходящих процессов и возможностью замеров удлинения в нагруженном состоянии в плоть до его полного разрушения:

На протяжении 4-х попыток начинал производить затяжку на градусы после предварительной затяжки в 20Н*м. Явно визуальных отклонений в истончении поперечного сечения тела болта замечено не было. Таким способом я каждый раз его выводил на предел текучести материала:

Далее доведение до полного разрушения:

После проделанных испытаний нескольких болтов на сооруженном мною стапеле я получил все интересующие меня результаты, визуальные процессы, на каком удлинении и усилием. Все испытуемые болты пружинили на одинаковую длину и давали совершенно одинаковые показатели, до тех пор пока не образовывалась уже чёткая шейка на теле болта после которой следовал небольшой спад нагрузки при дальнейшей затяжке и постепенным его уменьшением до самого наступления момента разрыва болта. На основании всех результатов создал график показывающий его характеристики при нагрузке.
(При попытках затяжки образцов по моменту до 100н*м — в итоге имел совершенно разное, непредсказуемое и неконтролируемое удлинение болтов. Мог дойти до одной точки поворота на угол и щелкнуть, то до другой или вовсе без остановки продолжал удлиняться без остановки…а удлинение у всех разное получилось)
Вот так это выглядит на диаграмме растяжения материала нашего болта:

Пояснения:
ПП(предел пропорциональности) он же закон Гука -Максимальная величина напряжения, при котором ещё выполняется закон Гука, то есть деформация тела прямо пропорциональна приложенной нагрузке (силе). Вызывает обратимые деформации без остаточного удлинения.(обычная пружина)
ПУ-Предел упругости — свойство вещества, максимальная нагрузка, после снятия которой не возникает остаточных (пластических) деформаций.
ППр(Вср)— Предел прочности оно же временное сопротивление разрыву.
Как видно на графике тест на затяжку по мануалу под нагрузкой с замером удлинения при затяжке по схеме 20н*м+90*+90* точно совпал с арифметическим вычислением удлинения согласно мануалу! И равен удлинению "L1" 97мм+0,62мм. После снятия с него нагрузки он "спружинил" до "L2" 97+0,15мм. Т.е. упругость болта старается удержать осевое усилие при разгрузке на протяжении аж L1-L2=0,47мм! А это не мало как кажется. Давайте пересчитаем сколько же он будет сопротивляться полной разгрузке в перещете на угол поворота в градусах. Для начала вычислим на сколько он растянется при повороте на 1*градус:
1.25(шаг резьбы, удлинение "за полный оборот")/360*=0.00347мм, т.е. 1*=0.00347мм
Теперь исходя из этого берем 0.47мм чистого упругого удлинения в нагруженном состоянии и делим на 0.00347мм, и получаем 135,5*. Т.е. чтобы выкрутить и полностью снять осевое усилие ("напряжение") с болта после его затяжки до предела текучести потребуется обратное вращение на 135 градусов!
Все кому приходилось откручивать болты с наших ГБЦ думаю чувствовали как он сопротивляется своему откручиванию продолжительное время. В то время как например взять высокопрочный хорошо затянутый болт в смазке, достаточно его только немного стронуть от затянутого усилия и дальше хоть руками откручивай. Вот это вам живой пример обычного болта и болта TTY закрученного до предела текучести.
135*градусов хорошо, но есть еще один не учтенный и не маловажный момент, такой как разность коэффициента "линейного температурного расширения материалов", а именно стали и алюминия. У стали он равен 0,000012, а у алюминия 0,000024 на 1м длины. Разница коэффициентов в 2 раза! Как известно из физики, что твердые тела нагреваясь увеличиваются в объеме. Это происходит из-за того, что при увеличении температуры увеличивается кинетическая энергия движения частиц, которые находятся в узлах кристаллической решётки. Увеличение кинетической энергии, в свою очередь, приводит к увеличению амплитуды колебаний этих частиц около положения равновесия. В результате увеличения амплитуды колебаний увеличивается среднее расстояние между частицами в кристаллической решётке, что приводит к увеличению линейных размеров всего тела.
Давайте рассчитаем на сколько "беспощадно" вытянет болт при первом нагреве ОЖ до 100*с после затяжки ГБЦ :
Для отсчета нам нужно знать высоту посадочного места для болта на ГБЦ. Высота этих мест от нижней привалочной плоскости ГБЦ до верха посадочной плоскости для болта составляет ровно 55мм! Остальная высота от посадочного места до верхней плоскости ГБЦ равна 65мм, чему и ровняется собственно
общая высота ГБЦ 120мм.

Делаем расчет на сколько увеличится по высоте этот участок под болтом при входе в рабочую температуру ОЖ:
Все переводим в СИ и далее 0,000024t*коэф. Х 75*C(разница температур хол25*с.-гор. гбц100*с) Х 0,055м.Х 1000(переводим обратно метры в мм.)=0,099мм. Смело на целую десятку "дышит" наша ГБЦ. Но не забываем про сам болт, нагреваясь, он также удлиняется, как и любое другое тело при нагреве, но уже со своим коэффициентом к металлу 0,000012.
Далее 0,000012 Х 75* Х 0,072мм Х 1000=0,0648мм теплового удлинения болта.
Болт как бы получается в догонку ГБЦ при нагреве не много компенсирует своё временное естественное растяжение. Поэтому чтобы вычислить "чистое" удлинение нагружаенного болта нужно из "ГБЦ(t*коэф) вычесть болт(t*коэф)"
0.099(гбц) — 0.065(болт)=0.035мм. Именно на эту длину у нас еще растянутся все болты при первом выходе двигателя на его рабочую температуру. Если перевести это в градусы затяжки, то получим, что 0,035мм / 0,00347=10*гр.
При остывании на эти 10*гр затяжки болт ослабнет, т.е. как я писал выше на опытах мы имели чистую упругость от затяжки 135*гр, но по факту от линейного расширения после нагрева уже получится, что остается 125*градусов угла обратного поворота для полной разгрузки болта…7,41% потери удлинения при остывании! Страшно? Нисколько! На то он и болт TTY!
Как видно из моего графика растяжения не очень то это и страшно. Как вы заметили этот 'переход' от точки "предела упругости" до точки "предела текучести" идет в сторону с большей пластической деформацией, нежели "увеличение-уменьшение" осевого усилия на болте. Болт удлиняясь и сужаясь в моменты нагрева и остывания не сильно теряет в осевом усилии. Ведь мы болт и специально доводим до точки предела текучести, чтобы он и работал в этой зоне. Двигатель выйдя опять на свою рабочую температуру, нагреет болты до температуры при которой все болты снова будут иметь своё 100% осевое усилие равное как при "холодной затяжке" с "побочным" плюсом на температурное растяжение 0,035мм.
Тут уже можно и сделать вывод о том, что-же случилось с 2-мя болтами, которые стали длиннее остальных имея длину 97,4мм против 97,2мм?
Да их просто "растянула" опять сама же ГБЦ от своего местного перегрева из-за критической нехватки уровня ОЖ для должной циркуляции с последующем отводом от нее тепла. Не трудно посчитать по остаточному удлинению этих 2-х болтов, что локальный критический нагрев составил в той зоне составил в 4-ре раза выше нормы:
т.е при нормальной рабочей температуре ОЖ двигателя 90-100*с, местная температура у зоны болтов возможно достигала точки порядка 400*с!, но может и чуть меньше конечно за счет отличной теплопроводности алюминия и ГБЦ перегрелась в разы быстрее, чем успел нагреться сам болт.
Заключение такое:
Затяжку производить строго по мануалу. Финальный момент на ключе вообще не имеет значения, взводя болт на предел текучести, он фактически работает уже по максимально точным и оптимальным физическим свойствам материала болта. Проверено и доказано на личных опытах, что мануал 100% точен! Явление удлинения болтов в зоне 4-го цилиндра и его потеря его усилия является следствием плохой\неправильной циркуляции в штатной системе ОЖ в ГБЦ.
Специально посчитал шпаргалку на основе своих опытов, для тех кто всё-же производит затяжку на не понятно откуда взятые из какого поверенного источника в 100н*м, на скольки градусах от стартовой точки нового болта в 20н*м будут точки "предел прочности"(падение усилия) и "обрыв" болта :
Предел прочности = 1181*гр.(3,28 полных оборота)
Обрыв = 1930*гр.(5,3 полных оборота)
Так еще для справки по моим подсчетам осевое усилие наших болтов ГБЦ затянутых до предела текучести составляет порядка 22682.29888 Ньютон = 2312.95кГc на каждый болт.
Надеюсь я поставил точку в непонятках наших болтов для ГБЦ.
UPD
Вот еще наткнулся на забугорную картинку с диаграммой работы TTY болта в зоне его предела текучести(yeld zone). Это полностью подтверждает полученные мною данные в результате анализа материала болта и проведенных опытов.

Далее продолжение темы изучения болта оригинал Mitsubishi с расчетом нагрузок www.drive2.ru/l/514082435076457396/









Комментарии 348
Все круто расписано, но я голову на ауди80 тянул 40,60 2 по 90°и после на ключе выставил 9кг и все болты ещё немного протянулись, по разному до щелчка, какой-то болт сделал 90°какой то меньше. Но все равно так спокойнее когда знаешь что каждый болт затянут одинаково,
Потрясающая статья 👍👍👍 очень полезная. Я под большим впечатлением. Спасибо автору!
Уникальная статья!
Спасибо!
Статья очень крутая, но вот я с каким вопросов на неё попал.
Я крутил болты ГБЦ на своей королле ( ставил старые болты ) Тянул четко по мануалу 49 нМ и доворачивал на 90 градусов, делал я это трещеткой с весами(безменом) по формуле
длина от центра головки до дырки для крюка безмена 24 см
20.4кг тянул = 49нМ/( 24см*0.1)
Так вот болты начали ЩЁЛКАТЬ, но я собрал и так довернул их на 90 градусов как положено, все собрал и по итогу масло при запуске пошло по прокладке
Это из-за того что болты потрещали?
Или я не довернул чутка?
Может ли из-за щелчков повести резьбу на блоке? И как проверить если да?
Я склоняюсь конечно к первому варианту, хотя изначально думал, до прочтения поста что нужно их подтянуть еще немножко =)
Он (они, 8шт) меня привели прочитать вашу статью. Очень интересно, теперь все точки над Ы расставлены.
Рад был пролить свет на это темное дело😏
andrey-sd
Он (они, 8шт) меня привели прочитать вашу статью. Очень интересно, теперь все точки над Ы расставлены.
И на таких работало?
Не, новые поставлены
Я не держу ховера, а просто перебираю двс, один хороший человек попросил устранить кипение, по итогу:замена гбц на новую микотрещины(понятно, что ездил год кипел) задиры в цилиндрах, скажу только по прокладки и болтаем, прокладку брал я от митсубиши оригинал металлическую наборную и болты митсубиши, все получилось, машина в стоке, не на 35 катках
Я в шоке, честно, тут только одного времени ушло статью написать, автор маньяк в хорошем смысле слова, мне кажется он изобрёл сапромат, Спасибо.
Спасибо за статью.
Не знаю, может так и есть как автор написал, но последний раз когда менял прокладку, сначала затянул всё по мануалу, ночь простояла а гараже, утром выставил ключ на 98 Нм и начал по схеме пробовать, некоторые болты отбивали на 98нм, остальные пришлось дотянуть по схеме до 98 Нм, проехал 3 к, проверил, в районе 3 и 4 три болта опять подтянулись до 98Нм, уже прошёл 10 к, пока всё норм а дальше видно будет, болты всё ставил новые Митцубиси, по 600 р за болт, прокладка Митцубиси с Эмиратов. 5 к.
Уже более 100 т.км. проехал после установки болтов и ничего не протягивал. Антифриз по сей день в системе держится в норме и компрессия по цилиндрам тоже.
Затянул как положено и нечего больше там делать!
Ну 100 000 это солидный пробег, незнаю как правельно, перелопатил весь ютуб когда он работал, одни мотористы советуют через определённый пробег проверять затяжку болтов, другие не советуют, х/з как правильно, но то что со временем в районе 3-4 цилиндра затяжка ослабевает это уже я на своей машине проверил, не может же несколько раз совпадение происходить что а районе 1-2 цилиндра держит как и затягиаал а 3-4 ослабевает? Здесь что магия какая-то?
"до предела текучести составляет порядка" 25000Н.
отсюда момент для такого усилия Момент затяжки, Н*м: 32.5Нм. kalk.pro/kalkulyator-meti…&aj_a=10&ak_a=0.13&al_a=1
?
Предел текучести для 10,9 900Мпа или 9177кг/см2 что ближе к 72000Н для диаметра 1см2(там 0,8 примерно у болтов)
Осталось подобрать одинаковые болты. Ну и получается что нельзя перетянуть(опять же если болты норм). А как их подобрать, болты эти?
Как вариант, приобретать комплекты болтов в одной упаковке… Возможно будет более вероятнее, что материал использован из одной партии поставщика металлургической промышленности, что вообще идеально.
Спасибо за интересную статью: основы "болтоведения"😁 знал и раньше, но с таким трудом (целостным, популярным и при этом подробным) сталкиваюсь нечасто.
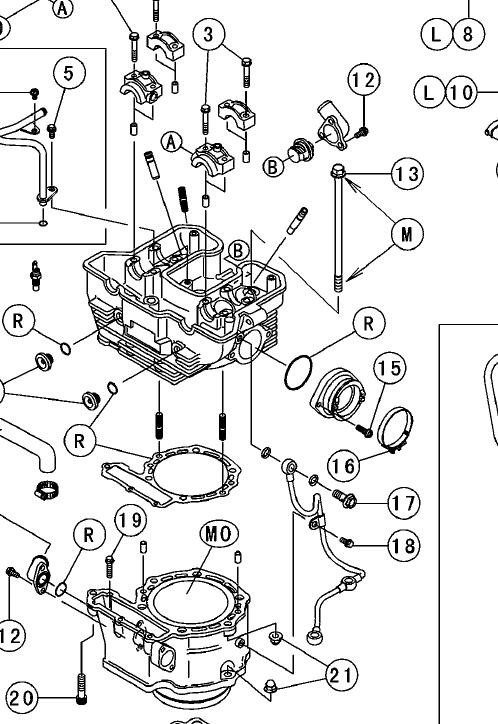
Небольшой пример из другого конца шкалы по части "прочных" болтов (не TTY):
У меня мотоцикл Kawasaki KLR 650 и так уж получилось, что его пришлось откапиталить.
Делал всё строго по мануалу (английскому), и в процессе сборки, да и при разборке тоже, очень удивился прежде невиданной технологии:
— болты ГБЦ при сборке должны смазываться по резьбе и фланцу, но не жалким😁 моторным маслом, а аж целой "смазкой MoS2"! (на скрине это болты №13 и стрелки "М" соответственно)
Заводская "смазка" на вид больше похожа не на привычную типа ШРУС-4, а скорее на пасту из порошка MoS2, замешанную на условном Литоле. Т.е. прям "сочная" такая субстанция, насыщенная…
Режим затяжки для болтов двухэтапный 20->65 Нм (без доворотов), размер на память не вспомню, но что-то довольно мелкое типа М10.
Это просто описание варианта снижения помех от трения при затяжке обычных "упругих" болтов ГБЦ — с целью точного нагружения стержня болта на упругую деформацию с помощью одного только момента затяжки.
И без входа в пластичную, раз не требуются довороты.
P.S.
Точное инструментальное исследование на эту тему:
www.drive2.ru/b/524363143674071290/ (присадка там на вид — как раз мой MoS2)
Болтовведение? Смазка это вариант. Цивилизованный при чем.
Сергей, приветствую.
Я либо пропустил, либо не могу найти, а у Ховера болты смазывать надо?
Саму резьбу или между шляпкой и шайбой?
Приветствую Эдуард. Смазывается резьба, и шайба со стороны шляпки болта.
О как… Я в прошлый раз не смазывал. Хотя болты ставил старые и не вытирал до суха.
Теоретически, если не смазал, сильно разница может быть в прижиме ГБЦ?
Я всё пытаюсь понять, каким образом, кроме трещины в ГБЦ, могут газы давить в антифриз.
Кручу в голове надежду, что плохо прокладку прижало.
Но и явных следов на прокладке не видно.
Видимо ГБЦ, придётся разбирать и искать трещину, где спряталась. На прилегающей поверхности, не вижу.
Ну если болты были не совсем сухие, то впринципе то не совсем и страшно… Я бы всё-таки по-хорошему свез ГБЦ на опрессовку.
Сколько составил пробег после предыдущей замены прокладки ГБЦ?
Точно не помню. Тысяч 8, может быть 10. Это максимум.
Просто залез посмотреть антифриз, а он из зелëного, стал красно-ржавый.
Иипри открытии термостата, из радиатора фонтан фигачит.
С опресовкой, согласен.
Но блин, из дэрэвни в город кататься… И время, и деньги на дорогу. Это не плачусь, это мысли вслух. Думаю, как судьбу обмануть. 😁
Статья просто офигенная. Работа проведена колоссальная, пояснения фантастические. Автору респект и уважуха. Огромнейшее спасибо. Прочитал на одном дыхании.
Спасибо за столь высокую оценку исследования в поисках истины! 🤝
Крутая запись!
Спасибо!🤝
Ну в текучесть так в текучесть. А точка старта доворачивания у болтов то получается не одинаковая.
Ну почему же не одинаковая? Я ведь расписал всё в посте, что преднатяг моментом затяжки 20н*м. в данном случае является стартовой точкой отсчета, при которой все имеющиеся зазоры "выбираются" полностью. Эта отправная точка максимально будет точна как по "моменту", так и по "осевому усилию" среди всех болтов из-за столь низкой силы трения. Далее болт уже будет готов принимать всю нагрузку на себя, а именно на сопротивление растяжению его тела.
То есть по вашему мнению нет разницы, затянуть моментом 20 нм до стартовой точки по сухой резьбе или по смазанной? Ведь по смазанной резьбе 20нм явно ключ отщелкнет позже чем по сухой, а значит и нагрузка на болте при стартовой точке будет разная. Или же при таком маленьком моменте влияние смазки на усилие сводится к 0?
Где я такое своё мнение описал про сухую резьбу? Резьбовое соединение всегда должно быть смазано для уменьшения влияния коэффициента трения при затяжке.
StreetRacer2007
Ну почему же не одинаковая? Я ведь расписал всё в посте, что преднатяг моментом затяжки 20н*м. в данном случае является стартовой точкой отсчета, при которой все имеющиеся зазоры "выбираются" полностью. Эта отправная точка максимально будет точна как по "моменту", так и по "осевому усилию" среди всех болтов из-за столь низкой силы трения. Далее болт уже будет готов принимать всю нагрузку на себя, а именно на сопротивление растяжению его тела.
А как быть к примеру с двигателем змз 4020?
Если там все шпильки разной длинны ?
Вот у меня ситуация такая, что шпилька выдерживает ровно 2 нагрузки до 10кг и все, нужно новые
Немного не понял в чём суть вопроса. Применить к данным шпилькам метод затяжки гаек на угол доворота?
Ну да, по мануалу написано только моменты затяжки и все, как правильно затянуть ?
Второй раз мучаюсь, первый раз поменял прокладку, протянул все в два прохода. Потекло из под головы. Разобрал увидел что одной шпильке плохо, решил поменять одну. Поменял одну и повторил все заново с заменой прокладки, проехал 20км и снова побежало. Снимаю меняю все шпильки кроме той, что поменял 20км назад) и по это ну вчера тяну второй проход и у этой шпильке съедает резьбу 😂😢
Я так прям подсказать тут не могу, здесь инженерные расчеты нужны… В данном случае тут используется шпилька, которая вкручивается в блок, а ГБЦ тянется уже гайкой. Как я понимаю страдает в основном резьба со стороны гайки, а не по телу рвется шпилька? Или шпильки тоже пополам бывает рвёт?
Вот так, гайка целая.
И в блоке шпилька сидит мертво.
На моей памяти небыло, чтобы рвало шпильку пополам. Максимум когда прикипала в блоке, по не знанию грели не в том место и газовым пытались открутить, естественно она щелкнула )
Да уж. Была бы площадь резьбы у гайки побольше(гайка больше по высоте), то и спокойно на нужный момент затянулась. Ну или подкалить резьбовую часть шпильки. Конструктив конечно так себе(
Спасибо за информацию
Докторскую диссертацию писать можно )
Я подумаю))
Привет! А как думаете, нужно ли и если нужно то чем смазывать резьбу и опорную часть шляпки болта при закручивании в алюминиевый блок?
Приветствую!
Вообще по идее то конечно надо смазывать моторным маслом, дабы минимизировать трение. Алюминий сам по себе довольно вязкий материал. При усилиях, когда возникает трение алюминий начинает "наматываться" на резьбу болта.
Неужели в мануале к двигателю/болтам об этом не слова?🙄
Пока в поиске мануала. Просто по опыту знаю, что смазанные металлические болты в алюминий, рвут резьбу легче, не доходя до момента затяжки динамиком.
Вот уж тут конечно лучше поискать мануал. А то действительно окажется, что момент затяжки указан чуть ли не "на сухую", а с маслом получится что перебор. Может вообще какая другая спец смазка которая имеет свой индекс вязкости и защиты от закисания.
Про закон Гука, просто — красавец! Очень крутой заморочь!
Автору респект!
Из личного опыта, ставил по мануалу прокладки ГБЦ на Роверах, всегда доворачиваю болты после на 25 градусов, реально помогает
Спасибо за огромную работу.
Ух огромная работа проделана. Супер.
Очень интересно. Подскажите, если по глупости перетянул больше положеного на 180 гр. Страшно ли это?
Нестрашно. До предела прочности, когда начнет разрушаться тело болта еще далеко крутить.
Тогда какой смысл в этих углах затяжки, если например вместо 90+90 градусов можно довернуть лишние 180?
Спасибо!Силища!Вот ЭТО Голова!Молодец! однако как заморочился…Только как же нам спасаться то от пробоев?Тянуть повторно тогда по любому нельзя?
Такой же вопрос )):
— Только как же нам спасаться то от пробоев?
Luk-3
Спасибо!Силища!Вот ЭТО Голова!Молодец! однако как заморочился…Только как же нам спасаться то от пробоев?Тянуть повторно тогда по любому нельзя?
Дотягивай смело на 25 градусов, нихрена болтами и голове с блоком не будет, обязательно шлифовать если есть косячки, ну и многослойная прокладка рулит.
Всегда дотягиваю на Роверах.
Удачи!
А сколько по мануалу надо тянуть болты гбц на ровере? И какой угломер используете?
очень интересно :)) заморочился знатно
на дзене не ведешь блог?
Благодарю!
Нет, на дзене блогов не веду. Да, и здесь что-то в последнее время "приуныл" так сказать. Только кратко полистать ленту новостей в качестве читателя, и дальше по делам…
Наконец то кто то написал что то толковое. Давно такого не находил. Я реально кайфонул читая эту статью, спасибо за проделанный труд и за то что напомнил о сопромате и законе Гука. Я долго искал информацию по этих болтах, думал что они стандартизированы по DIN или ISO, но видимо нет. Меня всё не давал покоя вопрос о линейном температурном расширении алюминиевой головки. Еще в советской литературе по ГАЗ, ЗИЛ там давали поправки крутящего момента в зависимости от окружающей температуры ремонта, так как приходилось моторы делать и в дороге при минусовых температурах. А вот по болтах TTY ничего такого не нашел. Видимо гораздо важнее угол дотяжки чем температура выполнения работы. Как думаешь на этот счет? С чего вопрос возник, просто гараж холодный, прокладку поменять нужно. Зима. И вот думаю, делать или ждать +20, как при регулировке клапанов
Спасибо 🤝
По практической части я устанавливал ГБЦ прямо на улице под открытым небом в -17° четко по углам доворота указанным в мануале. По сей день всё хорошо. Да и теоретически с такими болтами типа TTY поправки на температуру не нужны, т.к. болты выводятся в зону предела текучести по методу контроля растяжения тела болта(углы поворота).
Спасибо за ответ. Ты развеял мои сомнения практическим подходом. Механика любит педантичность в этих делах. Остаётся выяснить как смазка головки и резьбы болта влияет на начальный крутящий момент в 20Нм. Вообще там много теорий, есть мотористы которые погружают болты в масло, и потом дают ему стечь, полежав часик второй, а кто то просто обливает шприцем резьбу и основиние головки и сразу вкручивает.
Кстати, это не только двигатели Ховеров термонагружены, это увы, почти весь современный автопром…
Браво. Просто Браво за труды!
Спасибо !😏
Спасибо за труд, нечасто чёт полезное попадается
Спасибо!
Хочется поблагодарить за столь основательный труд! Может быть многим, кто умеет, читая, выходить за границы собственных убеждений, будет очень полезно не слушать многочисленных "икспердов", а попробовать осмыслить всё, здесь написанное. Хотя, судя по некоторым комментариям, убеждения — страшная сила;)).
Благодарю!
Добрый день! Спасибо за подробное исследование и изложение материала!
Я правильно понял, что подтяжка мной по незнанию некоторых болтов на угол примерно 20-30 градусов никак не скажется на их надёжности в штатном режиме работы? Они только будут более вытянуты после снятия ГБЦ по сравнению с неподтянутыми?
При проверке опытного образца на стапеле, после преднатяга усилием 20н°м, точка «предела прочности» возникла на углу доворота 1181°. Если до этого болты затягивались на установочный градус, то эти 20°-30° доворота для болта ничего критического не сделают, в пересчете на удлинение он вытянется всего на одну десятую миллиметра.
Понял, спасибо за подробный ответ.
До меня вроде не лазили туда.
У меня правила физики не действуют. Раз пять по мануалу и пару раз до сотки… Уже второй ховер. Сегодня на щупе нашел коричневатое ЧТОТО ( 60 тыщ!).ЧТОТО забило сапун и давануло сальник.
Буду пробовать путь шпилек и железных прокладок, либо куплю хамер- люблю ховер, но прокладка каждую дальнюю поездку проверяет меня на стрессоустойчивость.
После последнего ремонта 60ткм пробежал?
PetrikPyatochkin
У меня правила физики не действуют. Раз пять по мануалу и пару раз до сотки… Уже второй ховер. Сегодня на щупе нашел коричневатое ЧТОТО ( 60 тыщ!).ЧТОТО забило сапун и давануло сальник.
Буду пробовать путь шпилек и железных прокладок, либо куплю хамер- люблю ховер, но прокладка каждую дальнюю поездку проверяет меня на стрессоустойчивость.
Респект!Сам любитель дальних поездок с семьей.но после пробития прокладки на ровном месте безо всяких пробок, перегрузок, приуныл…хотя машинка понравилась всей семье…
Замечательная статья! Всё изложено доступным языком. Очень полезный материал. Автору спасибо за такую основательную работу! Восхищен!
Благодарю🤓
Слушай, может я и изменю свое мнение тянуть до сотки, статья очень грамотная однако! Текучесть болтов при сотке все равно остается в норме думаю судя по графикам и расчетам, поэтому и делается повторная протяжка, чтоб немного скомпенсировать все нюансы трения и деформаций.
Тоже сейчас буду скидывать гбц, вот не знаю, стоит ли менять болты, буду смотреть по факту ( хоть и прикупил дешевые болты по родным номерам в запас типа), на прошлом ховре болты родные оставлял всегда и все норм было (по длине в допуске были)
Вот было бы не плохо на этом мини стендике проверить ( с учетом смазки резьбы и зоны прилегание моторным маслом) на сколько вытянется болт при 100нм, можно для усреднения проверить на 2-3 болтах.
Я всем тоже советую тянуть до 100нм с повторной протяжкой, это в теории и на практике работает, я с пробоями потом проблем не знал с дешманской прокладкой гбц, и в мануалах движков есть именно протяжка по моменту.
Поэтому этот момент интересен если сделаешь замеры. Если при 100нм вытягивание болта в зоне его текучести, то хорошо. А если нет, то надо это увидеть и подумать )
да, добавлю, вспомнил, что при стандартной схеме затяжки 30нм-60нм-90-90 то сила доворота составляет примерно 110-115нм (не помню где видел эту информация давно еще, от болта сильно зависит еще), видимо поэтому я последний раз раз 110 тянул по своему БЖ. То есть логически все ок при двух протяжках на 100нм, компенсируется фактором проверки повторно.
В воскресенье скину бошку, приготовлю все и в понедельник буду сажать на место, ради интереса начну обжимать по углам но только с динамоключом чтоб посмотреть какой момент затяжки по углам будет. Там будет видно точно достиг болт текучести или нет.
Но для тебя задание в силе )) Буду рад если отпишешься по тесту сегодня-завтра.
С тестами пока завязал, уже забросил это дело. Да и по сути самое главное изучив теоретическую часть по сопромату + практические опыты — Что хотел уже для себя и уяснил как всё работает! Я в статье много описал как происходит весь процесс более-менее простым языком🙄 Если кратко- затяжка с уголами доворотов даёт достаточно точный как самый важный параметр «осевое усилие» которое действует на стык между блоком и гбц, т.е. эта та конечная цель вообще сути болтовой затяжки! Равномерное распределение усилия по всей плоскости☝

Затяжка только по моменту имеет погрешность и может сыграть злую шутку, например как часто бывает что не все болты достигают на ключе допустим ~100н*м. Этот эффект вводит так сказать в «блудняк». На самом деле болт удачно закрученый усилием на ключе в 100н*м будет иметь усилие прижатия на стыке скажем в 32 000 Ньютон, а следующий болт который так и не достиг усилия в 100н*м и уйдя в обрыв…по факту же проскочил уже осевую нагрузку в 32 000 Ньютон и дальнейший рост этой нагрузки совместно с еще большим растяжением тела болта просто довел его до разрушения(обрыва).
Приложу просто коротенькое видео, как использование приема метода угловой затяжки позволяет достичь практически абсолютно одинаковое осевое усилие на болтовом соединении в любых условиях(без смазки, с ржавчиной, и в смазке). Так же могут быть задиры, неидеальность профиля резьбы и прочие сюрпризы в т.ч. и на поверхности трения между шайбой и нишжней плоскости головки болта.
Думаю будет проще уловить суть всей темы
ну это то да. Наверно новые болты по углам протяну, посмотрим как прослужит прокладка ))
Еслидолго не протянет, то вернусь к старому способу ) там хоть не беспокоило больше )
StreetRacer2007
С тестами пока завязал, уже забросил это дело. Да и по сути самое главное изучив теоретическую часть по сопромату + практические опыты — Что хотел уже для себя и уяснил как всё работает! Я в статье много описал как происходит весь процесс более-менее простым языком🙄 Если кратко- затяжка с уголами доворотов даёт достаточно точный как самый важный параметр «осевое усилие» которое действует на стык между блоком и гбц, т.е. эта та конечная цель вообще сути болтовой затяжки! Равномерное распределение усилия по всей плоскости☝

Затяжка только по моменту имеет погрешность и может сыграть злую шутку, например как часто бывает что не все болты достигают на ключе допустим ~100н*м. Этот эффект вводит так сказать в «блудняк». На самом деле болт удачно закрученый усилием на ключе в 100н*м будет иметь усилие прижатия на стыке скажем в 32 000 Ньютон, а следующий болт который так и не достиг усилия в 100н*м и уйдя в обрыв…по факту же проскочил уже осевую нагрузку в 32 000 Ньютон и дальнейший рост этой нагрузки совместно с еще большим растяжением тела болта просто довел его до разрушения(обрыва).
Приложу просто коротенькое видео, как использование приема метода угловой затяжки позволяет достичь практически абсолютно одинаковое осевое усилие на болтовом соединении в любых условиях(без смазки, с ржавчиной, и в смазке). Так же могут быть задиры, неидеальность профиля резьбы и прочие сюрпризы в т.ч. и на поверхности трения между шайбой и нишжней плоскости головки болта.
Думаю будет проще уловить суть всей темы
правда и болты у меня по 100р, заодно и посмотрим пластилин или нет )
доброго здоровья, извиняюсь за назойливость, просто очень интересует мнение человека, ищущего. такая вот ситуация: пока жду болты обратил внимание на блок.прокладку и головку, синяя и зеленая стрелки, это где отверстий в прокладке не было, я их только что просверлил, (попробовал как сверлиться, ничего.) красные — это где в головке отверстия есть, а в прокладке нет, всё каналы для воды, т.е. о.ж., так вот, если в блоке и головке каналы для воды есть, а прокладка их перекрывает, нет ли смысла их доделать, или есть противопоказания, про сверловку каналов в блоке уже где то смотрел, а вот про прокладку не помню, думаю всё же если перекрыть канал охлаждения, даже дополнительный, будет хуже, и наоборот, если сделать, в пределах разумного, будет получше, кстати, есть подозрение, что самые длинные два болта как раз с первого горшка, там и был весь антифриз, там же и не было этих двух отверстий, синяя и зелёная стрелка. каково твоё мнение? может что присоветуешь? спасибо.
Отверстие отмеченное ЗЕЛЁНОЙ стрелкой на моей прокладке(Victor Reinz) уже присутствовало.
Под СИНЕЙ и КРАСНЫМИ стрелками на 1-ом и 4-ом цилиндре у меня отсутствуют отверстия в самом блоке. Напомню у меня 2.0л(4g63), не знаю как на 2.4л
Отверстия отмеченные КРАСНЫМИ стрелками(2-й и 3-й цилиндры) сильно смещены между ГБЦ и блоком. На пересечении проходное сечение получается очень мало, прямо по крайним точкам. В итоге там сечение всего лишь около 2мм получается, да и учитывая что это сторона впуска(холодная часть)-не посчитал нужным дырявить в тех точках прокладку.
Единственное что я сверлил, это отверстие в самой ГБЦ за 4-ым цилиндром. На фото оно не отмечено.
благодарю, посмотрю, померяю как у меня, может тоже что придумаю, до сверлю, спасибо.
Классная статья!
У меня на моторе и шатуны затягиваются TTY болтами. Оказалось…
Вопрос в повторном использовании.
Я просто случайно накрутил на ключе 62 Нм вместо 53 по мануалу, и растянул 10 болтов.
Получается, 53 Нм это для них примерно предел текучести ? И нечего удивляться что он поплыл от +8Нм ?
Доворотов по мануалу не требуется.
Благодарю!
Получается так. В данном случае момент 53н*м близок к грани начала текучести при условии чистоты резьбового соединения и наличия смазки.
Спасибо. К такому выводу и пришел. Ценой новых болтов )
болты пришлось новые покупать?
да, купил новые
Благодарю!
Да, мануал для двигателей 4g63, 4g64, 4g69 по методу затяжки ГБЦ един. Основа конструкции блока и гбц та же, болты всё те же.
По поводу чтобы не напороться на болты из стали 3…
Я себя ставил при ремонте бюджетный вариант болтов Payen. Делал по мануалу, поэтому на финальный момент внимания не акцентировал -«затянул и забыл». Но отзывы, тех кто крутит по наитию на момент затяжки, говорят что до «соточки» не натянуть. Хотя так же попадались комментарии, что всё нормально и до «сотки» удалось затянуть. Уж не знаю какая марка стали там использовалась, всё не так однозначно. Те же крутильщики до «соточки» и оригинальные болты Mitsubishi также «бракует» 3 из 10 плывут уходя в обрыв. Ну исходя из всего, я бы не стал покупать китайский «оригинал» по парт номеру на ховер, цена на изделие слишком уж неоправданно дешевая. Вот там может быть всё что угодно и сталь 3 и сталь 20…
благодарю, ещё раз спасибо за проделанную работу, восхищён!
доброго времени, честно говоря, АФИГЕЛ с твоей статьи, отработал в своё время токарем 25 лет, много чего прочёл и перерезал металла, не сильно углублялся в формулы и подробности, я больше технарь, но мал-мало с железом на ты, в общем и до этого понимал приблизно, как болты работают в алюмишке, но сейчас сходил перемерил: 2шт-97,5; 2шт-97,2; остальные:97,3, толщина немного пляшет, в пределах 0,05, но кстати, не очень то зависит от длины, мож. они и раньше были такими, решил поменять, смущает только заусенца на торце болта, даёт ли она возможность точно промерить длину, такой не аккуратный накатик? ну да ладно… только вот теперь вопрос: вариант затяжки на ховре h5, движок 2,4 такой же? и какова вероятность в магазе напороться на Г… сталь3 например? да и за статью спасибо, уважуха, аш гордость зашкаливает за пытливый русский ум, русских мужиков, класс. если есть возможность, ответь пожалуйста на вопросы, жду.
Да труды 5, без иронии)
Но стало грустно, мы в школе это проходили, вернее так, нам нормальные преподаватели таки рассказывали, для общего развития много больше программы, делились опытом во всём. Пусть без цифр и прочего, но такие моменты как твёрдость, текучесть металла, почему резьба катается и что происходит с металлом мы знали. Пусть простыми словами, но до сих пор помню, что болт с разной закалкой это типа болт- пружина.
Жалко сейчас таких преподавателей уже нет
Спасибо!
Похоже человечество плавно переходит из статуса человека с более «обширными» знаниями в простого «потребителя». По истине заинтересованому человеку с желанием приходится самому себя развивать, перелапачивая кучу научной литературы в поисках ответа на свои вопросы…
А почему для форсирования используют шпильки ?
www.drive2.ru/s/B985AEAAALk
Сергей, шикарная работа. Читал.
Много инфы, в голове кавардак.
Может где пропустил, но спрошу, может есть ссылка где описано как правильно крутить болты?
Предстоит это делать на выходных, но народ по разному описывают процесс…
Спасибо!
Основная формула взвода в рабочее положение нашего типа болтов «20н*м, +90°, +90°», а вот предварительная затяжка и отпуск для «набивки» везде по разному от 63 до 80н*м.
Я сделал так, как было указано в инструкции к свежеприобреиенным новым болтам под 63 мотор:
1) 30н*м
2) 63н*м
3) -360°, т.е. полность ослабить все болты
4) 20н*м
5) +90°
6) +90°
Спасибо за и струкцию.
Очень пригодилась.
Болты рискнул старые оставить.
Поэтому предварительную растяжку болтов, пропустил.
Посмотрим, что будет.
А вот через какое-то время, ещё протягивать болты надо?
Если да, через сколько и на какой угол?
Надо было все-таки предварительную затяжку по пунктам 1 и 2 провести, чтобы нагрузить и разгрузить стык для «набивки» прокладки перед «боевой» затяжкой на угол доворота пункты 4,5,6. Дальнейшие действия после установки прокладки по инструкции не предусматривают протяжку ни на угол доворота, ни на момент.
Тэорэтически, открутить не долго.
Крышка гбц ещё не прикручена.
Решил завтра всё дособирать.
Вопрос, теперь то имеет смысл это делать?!
Если двигатель еще не заводился, то имеет смысл. Ослабить все болты полностью и снова затянуть «боевым» по пунктам 4,5,6.
В полуразобранном виде, на 3-4 секунды запускали.
Благодарю за столь скрупулёзно проделанную работу. Очень полезная запись. Сейчас вот недавно взял в запас прокладку "agusa" и болты Хундай/ Киа 2232038000. Ховра брал с рук, на 105 тыщах по словам бывших хозяев авто была капиталка, что делалось конкретно- тайна, покрытая мраком, сейчас немного сопливит масло из под ГБЦ в районе 4 цилиндра, думаю заехать к на сто к знакомым мастерам и осторожно проверить затяжку.
Спасибо!
Получается что после ремонта всего 10тыс прошло и уже начало давить масло😕 Скорее всего негерметичность по витон элементу на прокладке(канал подачи масла под давлением).
Интересно и познавательно. Спасибо за огромный труд.
С точки зрения науки повторная протяжка гбц- бред, но болты " пружины", как показала моя практика, оказались ни разу не "пружинами".
Прокладка Мицубиси, новые болты Goetze, затяжка по мануала и через 1000 км пробивает прокладку( масло в антифриз) При откручивании гбц все болты прослабленны, очень прилично. Полагаю что имела место быть приличная усадка прокладки, свойств "пружины" TTY болтов просто не хватило скомпенсировать имеющуюся просадку прокладки. Щас предстоит повторная замена прокладки и что то подсказывает в душе что проверить затяжку после совсем не лишнее.
Спасибо!
Нынешние прокладки идут как малоусадочные, можно сказать практически без усадки. У них основа в виде перфорированного жестяного каркаса с нанесением на него полимерного слоя нитрилбутадиенового каучука он же NBR. В таких прокладках отсутствует асбест (асбестовые волокна), который дает усадку в процессе нагрева и давления на материал уплотнения. И «пружинные» болты как раз позволяют использовать не только прокладки в виде металлопакета, но и прокладки с полимерным слоем. То что пробило так рано после ремонта через 1000км… конечно мягко говоря не приятно, хотя и не совсем уникальный случай. Наслышан про такие аказии и до 10т.км. не проезжали после ремонта, снова пробой, хотя и даже затягивали как по мануалу, так и тупо на момент. «Косяк» может быть везде, начиная от качества самой прокладки и её дефектов… и заканчивая педантичностью сборщика. Я вообще себе брал бюджетные болты Payen, кстати входит в концерны Goetze. Материалы болтов разных производителей могут несколько варьироваться в ту или иную сторону прочностных характеристик, но они будут все равно «пластилиновыми». Болты, которые я поставил не очень кстати хвалят, те кто любит тянуть до «соточки», жалуются что «плывут» гораздо раньше. Но ничего, пробежал уже с ними 30 т.км. после ремонта без протяжек(ТТТ). Концепция этих болтов прижать не то чтобы главное избыточно посильнее, а обеспечить равномерность прижатия при правильной установке на установочный градус.
Отличная статья. Прям целая работа. Очень скурпулезно
Somsibiryak
Я тянул по углу по меткам…но трщетку на всякий случай выставил на 125 нм, и она срабатывала, на всех болтах по-разному.где то раньше где то позже где то вообще не сработала…при одинаковом шаге резьбы, головки, шайбы и резьба были смазаны…но все равно получается что трение головки болта и шайбы о поверхность гбц даёт очень серьёзную погрешность…и если ты даже и купил хорошие болты но затянул по моменту то головка будет протянуты неравномерно, т.к. момент снимается с вращения а не с осевого натяжения болта а именно оно должно быть на всех болтах одинаковым.
ты не прав. Проверять в конце моментом можно и нужно но правильным моментом а не от балды.
И каким же? Какой правильный момент? Если он не указан в руководстве?
Браво!
Благодарю!
Вот это подход! Давненько я не встречал столь замороченных (в хорошем смысле) и целеустремленных людей. Огромная благодарность за проделанный труд!
Спасибо😉
Примного благодарен за проделанную работу. Благодаря твоей статье купил все новые болты и тянуть решил по мануалу
Спасибо, рад что понравилось!Большинство верит в динамометрический ключ как главный показатель. Просто есть такое вот недопонимание сути метода угловой затяжки и что даёт это контролированное растяжение металла.
Ну не все же изучали в школе теорию резания и обработку металлов. Встречаются и филологи. Хороший пост.
Ничего не понятно, но очень интересно
Спасибо😉👌
Сколько должен быть длиной новый болт? От начала резьбы до шляпки?
И от начала резьбы со шляпкой болта?
97 мм
Если у меня 5 болтов 97.2 их тоже менять? Остальные 5 болтов 98 и 99 под замену
Проведя испытания, болты оставались в рабочем диапазоне как и указано по мануалу (предельное удлинение 99.4мм). Но! Единственное у купленного оригинальногов болта митсубиси предел прочности оказался как раз при удлинении на отметке в 99.4мм, далее началась стадия разрушения. Проявилось это из-за некоторой разницы материалов марки стали болтов. Лучше перестраховаться и снизить верхний предел удлинения на допуск до 98мм для уверенности. Но еще лучше при таком раскладе, раз еще планируется оставить 5 старых болтов 97.2мм и, докупить новые 5 шт- вообще в идеале купить комплект новых. Потому как между старыми и новыми болтами с большой долей вероятности используемый материал в некоторой степени при изготовлении болтов будет отличаться. А это значит, что выполняя затяжку по мануалу, а именно до предела текучести материала- у болтов разного происхождения этот показатель будет разниться. Осевое усилие, как в следствии и удельное давление на стык будет не совсем равномерным. Поэтому в идеале лучше взять именно «комплект».
Понял, спасибо огромное
StreetRacer2007
97 мм
Я так понимаю, что измерять до шайбы болта?
До фланца головки болта, как указано на рисунке. Ни в коем разе не до шайбы которая отдельно болтается.
Понял. А то уже хотел до шайбы мерить.
Спасибо.
Спасибо!
Про возникающие неприятности с резьбой в блоке тут уже другая ситуация, чем с самими болтами. Но случается к сожалению и такое. И блоки разные бывают… Алюминиевые сплавы и чугунные. Разумеется расчетные нагрузки для крепежа(шпильки, болты) к конкретному двигателю рассчитываются индивидуально конструкторами, чтобы обеспечить необходимое усилие на стыке соединяемых деталей и при этом чтобы резьбовое соединение не разрушилось, к тому же и имело некоторый запас по прочности. Если углубиться в тему, само по себе резьбовое соединение является сильной зоной концетрации локальных внутренних напряжений. И даже чтобы загубить резьбу не то что на болте, а на блоке можно найти «1000 причин». Начиная от усталостного разрушения в процессе постоянных вибрационных и температурных нагрузок(микротрещины), износ профиля резьбы при многократной затяжке болтами, не соответсвие используемого крепежа и его качества, так и самого нарушения технологии затяжки. Вот хотябы напримере возьмем в случае с моим двигателем 4g63. Взять высокопрочный болт ГБЦ сделаный на заказ и попытаться закрутить его как указано в мануале. Материал такого болта будет сильнее сопротивляться своему растяжению и менее эластичным. Чтобы растянуть такой болт при схеме затяжки с углами доворотов (90°+90°) на величину удлинения +0.63мм, к нему приложится гораздо большее осевое усилие, на которое ни резьба в блоке, ни сам блок не готовы.
Присоединяюсь к поблагодарившим!
Давно искал ответы на эти вопросы. Прочёл дважды и, кажется, понял)
НО! У меня остался (или возник) ещё один вопрос. А откуда тогда берутся сорванные в блоках рЕзьбы?! Ведь такими болтами невозможно сорвать резьбу, раз они тянутся и ломаются прежде, чем?
За замороченность, 5+)) Интересное чтиво, люблю такое. Спасибо!
Спасибо!
Второй день читаю! Столько текста! Грамотного. Много нового узнал. Спасибо за труды.
Спасибо!
Красавчик! Тольео подскажи, сколько раз можно использовать такие болты по циклу правильно закрученный-открученный? Один, два раза?
Я почему спрашиваю, у меня машина старая, после перебора движка все 10 болтов крепления коленвала поплыли, не достигнув и половины нужных значений моментов затяжки по динамоключу. Вот и интересно, по этой причине или нет…
Привет! Спасибо😉
Хоть он внешне на TTY модификацию и похож, но по идее это должен быть простой высокопрочный болт. Потому как это шестигранник, а так же мануал наверняка гласит затяжку крышек коренных только на момент без углов доворота. Внутри двигателя очень тяжелые условия работы. Высокие температуры в масляной среде с дальнейшем плавным охлаждением способствует к постепенному отпуску закалки. Разгрузив такой болт после долгого удержания в «рабочем» напряжении можно получить вот такой результат в виде ухудшения прочностных характеристик при повторном нагружении.
Всё-таки осилил эту диссертацию.
В несколько заходов. Ну так получилось.
Грамотно и по существу.
Те кто хочет экспериментировать, могут своим путём идти.
В данном случае, есть инструкция и она не просто так написана.
20 н*м и 100, это же в 5 раз отличается усилие. Кабздец.
Статью прочитал, честно говоря мозг закипел. Но понял одно «истина где-то рядом».
Прочитал 70%, но так и не увидел причину, по которой на китайских авто есть с ним проблемы. Они с завода неправильно затянуты?
Вообще я взялся за эту тему с той целью, чтобы понять и выяснить- почему при установке этих болтов их крутят «кто во что горазд». В мануале ведь дано четкое указание финальной затяжки именно на установочный градус и более не трогать!, а кто-то по своей инициативе игнорируя предписание(якобы так кажется лучше) до «соточки» Ньютон крутит. А потом всплывают разнообразные сюрпризы в виде поплывших болтов «сосисок» или «оборванцев» и жалобы что болты кЕтайские… Потому как у многих вызывает сомнения в точности самого метода угловой затяжки на итоговый результат, пугает как бы сказать… сомнительная информативность чтоли и неясность происходящих процессов. Наши люди привыкли крутить на момент затяжки как простые болты, а с этими типами болтов всё иначе и свой строгий метод монтажа угловой затяжки. На конвеере при сборке силового агрегата затяжка болтов ГБЦ производится точно по мануалу. ИМХО.
При использовании заведомо качественной прокладки ГБЦ и строгого соблюдения затяжки по предписанию —болты не являются причиной «прострела» прокладки, а только лишь следствием нарушения теплообмена в ГБЦ по ряду причин.
То есть у китайских моторов нарушен теплообмен в гбц? За проделанный труд и исследования высший балл
Спасибо за столь высокую оценку выполненной работы!
Пока что «точную» причину плохого теплообмена в наших ГБЦ указать трудно. Замечены случаи у кого-то моторы и за 200к ходят на родной прокладке без всяких протяжек болтов и прочего шаманства с «разгрузками». Вот в качестве примера одна из многих моих предположений косвенная версия это- «побочное» действие антифриза G11 со своим защитным силикатным покрытием, которое запросто может нарасти более толстым слоем до 0.5мм нарушая должный теплообмен, в процессе отслаиваться и забивать к тому же протоки, что приводит к медленной «прожарке» прокладки и вытягивает болты за диапазон их упругой работы. Пока что в данный момент собираю испытательный стенд с блоком и фальшголовкой для визуального просмотра направления потоков ОЖ внутри ГБЦ. А также выявить эффективна ли, или же наоборот бесполезную «разгрузку 4-го» цилиндра. Если интересно что это за «монстр» будет, у меня в БЖ есть тизер по проекту «циркуляция».
Спасибо за поистине содержательный текст! Редкость в наше время )
А на Wingle с мотором GW491QE (он же Toyota-4Y)
с такой же болезнью пробоя прокладки 4 цилиндра антифриз карбоксилатный красный G12+ не будет усугублять проблему?
Скажите, а при родной прокладке, которая прошла 77 тысяч, её надо прочитать, или лучше не трогать?
Не нужно
Отличная работа проделана! Всегда и всем говорю, болты гбц одноразовые, хочешь надежной и безотказной работы двигателя, меняй болты при смене прокладки гбц, на что 90% отвечают: да ху…и им будет, смотри, они как новые выглядят, это ж просто болт… а через 10 т.км у них следующая замена прокладки гбц
Благодарю! Всё именно так. Визуально на болтах этого не увидеть, что происходит в его структуре. Болты гбц в процессе работы испытывают постоянные динамические нагрузки, что ускоряет усталость.
dmitrii-52
Отличная работа проделана! Всегда и всем говорю, болты гбц одноразовые, хочешь надежной и безотказной работы двигателя, меняй болты при смене прокладки гбц, на что 90% отвечают: да ху…и им будет, смотри, они как новые выглядят, это ж просто болт… а через 10 т.км у них следующая замена прокладки гбц
Буду рад если поделитесь вашими выводами по Пробою прокладки ГБЦ
в теме
www.drive2.ru/l/630688941736994352/
А с каким моментом затягивать болты если прокладка металлическая?
Точно также как указано в мануале к нашим TTY болтам, выводя материал болта на предел текучести(20н.м+ 90°+90°).
Спасибо
По уму болты ГБЦ затягиваются как раз до нужного удлинения, по крайней мере на моей ГБЦ.
А совсем по уму нужны просто шпильки)
Устанавливать шпильки имеет смысл, если форсировать двигатель свыше заводской расчетной мощности. А на штатных болтах усилия прижима ГБЦ к блоку вполне достаточно, даже с запасом.
Помимо усиления прижима шпильки еще многоразовые:)
Сомнительная экономия учитывая их цену)
Классная статья! Спасибо!
Благодарю!
Познавательно!
Спасибо!
Очень интересная и подробная статья. Но … )
Судя по всему этот мотор сделан по лицензии митсубиси а именно 4г63 в каком-то исполнении. Объем двигателя совпадает и визуально болты такие же как у меня в моторе. Хочу сказать что болты ваши все же говно )
Болты митсубиси не тянутся на стоковых двигателях даже эволюшеновских. Будете лезть в следующий раз в двигатель поменяйте их на мицыковские) за статью спасибо )
Всё верно, наш моторчик сделан именно по лицензии митсу, но со своими «китайскими» модификациями. Даже не все детали подходят к нашим моторам от оригинального 4g63. Да, болты ГБЦ той же модификации, но как показал опыт они- чуть «слабее». Но дело тут даже не в этом. У наших моторов своего рода «болячка» пробития прокладки в 4-ом цилиндре, вследствии его высокой термонагруженности. То что вытянулись у меня болты на 4 десятки в четвертом цилинре при пробое прокладки, результат сильного локального перегрева зоны 4-го цилиндра с критически низким уровнем ОЖ в в системе. А то что у нас болты типа «слабые», то дело даже не в них. Их прочности вполне хватает для нормальной работы в наших моторах. Демонтируя остальные 8 болтов при съеме ГБЦ- они хорошо так с «щелчком» страгивались. И да, я не поленился и купил оригинальный ОЕМ митсу болт для опытов, он чуть «крепче» по материалу, но не особо и на много. Тот же эластичный болт, даже не относится к классу повышенной прочности. Будет в следующем отчете про исследование MD191470.
Когда следущий отчет ?)
Постараюсь в скором времени. За ПК не всегда есть возможность присесть и поработать. Это же не просто какой-нибудь пост про «переобувку» на зимнюю резину, который можно и через мобильную версию состряпать.
StreetRacer2007
Всё верно, наш моторчик сделан именно по лицензии митсу, но со своими «китайскими» модификациями. Даже не все детали подходят к нашим моторам от оригинального 4g63. Да, болты ГБЦ той же модификации, но как показал опыт они- чуть «слабее». Но дело тут даже не в этом. У наших моторов своего рода «болячка» пробития прокладки в 4-ом цилиндре, вследствии его высокой термонагруженности. То что вытянулись у меня болты на 4 десятки в четвертом цилинре при пробое прокладки, результат сильного локального перегрева зоны 4-го цилиндра с критически низким уровнем ОЖ в в системе. А то что у нас болты типа «слабые», то дело даже не в них. Их прочности вполне хватает для нормальной работы в наших моторах. Демонтируя остальные 8 болтов при съеме ГБЦ- они хорошо так с «щелчком» страгивались. И да, я не поленился и купил оригинальный ОЕМ митсу болт для опытов, он чуть «крепче» по материалу, но не особо и на много. Тот же эластичный болт, даже не относится к классу повышенной прочности. Будет в следующем отчете про исследование MD191470.
На мицу 4g63t тоже постоянно страдает 4й горшок. Так как он самый горячий. Больше воздуха поступает и меньше топлива. Это особенность конструкции. Так на многих движках.
На Альфа-фиато-Ляньче моторах 2.0 16кл турбовых такая же петрушка, распред страдает ещё
Классное сравнение. Спасибо, поржал👍👏
Вот ведь странные люди… Все инструкции гласят, что болты ГБЦ (как и многие другие на моторе) одноразовые и подлежат замене, но нет, мы их второй раз поставим, они потянутся, порвутся, мы будем удивляться, проведем экспертизу и кучу лабораторных исследований, чтобы прийти к выводу, что тянуть болты надо по инструкции и по инструкции же заменять на новые после ремонта узла!
Одним инструкции хватает… Другие… Благодаря другим такие инструкции и появляются. Чел захотел разобраться. И разобрался.
Вот ведь странные люди… Все инструкции гласят, что болты ГБЦ (как и многие другие на моторе) одноразовые и подлежат замене, но нет, мы их второй раз поставим, они потянутся, порвутся, мы будем удивляться, проведем экспертизу и кучу лабораторных исследований, чтобы прийти к выводу, что тянуть болты надо по инструкции и по инструкции же заменять на новые после ремонта узла!
Всё дело в том, что откуда то здесь повелось на драйве среди «ховероводов»- использовать «момент затяжки» болтов ГБЦ, и крутить их до модных 100н.м?! Хотя в мануале даже таких цифр то нет… После неудачной попытки произвести затяжку старых болтов ГБЦ «народным» способом не дойдя и до 100н.м., которое привело к превращению болта в «сосиску», а не простому хрупкому разрушению- этот курьезный случай сподвиг меня на личное изучение наших болтов. И что интересно, в нашем мануале прописана возможность повторного использования болтов ГБЦ, если их размер не превысил 99.8мм(97.0 новый)…но изучив кучу научного материала делаю для себя 100% вывод, что повторное использование болтов -не совсем правильный метод. Хоть он и при повторной затяжке на установочный градус и не порвется, но то что происходит внутри самого материала болта -меня от этой идеи уже останавливает.
Колоссально! Супер!
Спасибо!
Прям такой труд проделал! Интересно! А то как то измельчало все вокруг… Тюнинг колхозингом нынче называют) Какие то лайки собирают) Так радуются выборам)) не понятно в думу или в президенты как будто)) А! Ещё девок на капоты ложут, или кладут… Их по хорошему пороть и пороть))
Я бы никогда не подумал, что когда-то буду заниматься подобными опытами и написанием сего конспекта…но болячка наших моторов коснулась и меня. А я до жути любознательный)).
Так совпало, что я:
1)Владелец автомобиля одного из серии моторов с «проблемным» 4-ым цилиндро м семейства GW hover
2)Пробило ПГБЦ
3)Работа позволяет использовать оборудование в своих личных интересах.
4) Люблю поизучать, почитать научные пособия.
Можно сказать-это судьба, так сошлись звезды что ли…)))
Очень познавательно! Спасибо!
Спасибо!
Одна из лучших технических исследовательских работ на драйве, что я видел. Спасибо огромное. Этот опыт будет полезен не только владельцам ховеров
От души благодарю за отзыв! Я рад, что моя «лабораторная» работа кому-то поможет в поиске ответов на их вопросы.
Kot-6
Что про неё скажешь? Можно такую ставить?
Если с обратной стороны нет трещин на вольцовке то можно.
В смысле поперечных трещин. Порванного металла?
Kot-6
Вот, пришла проклалка в наборе. Герметик и завальцовка к блоку.
Должна быть такая как на фото
Спасибо. Такая была с завода. Мне не везёт. Буду снова ставить Elrlng.